Headlights, turn signal, windshield wipers and dash lights not working

2009 NISSAN ROGUE
210,000 MILES • 2.5L • 4 CYL • 4WD • AUTOMATIC
Avatar
ELECTRICAL2009
  • MEMBER
  • 12 POSTS
Okay, how about the electric schematic for the vehicle listed above PDC, steering column, fuse, fusible links?
Nov 4, 2019 at 6:35 AM
Advertisement
Avatar
STRAILER
  • CAR REPAIR CONTRIBUTOR
  • 54,249 POSTS
Hello,

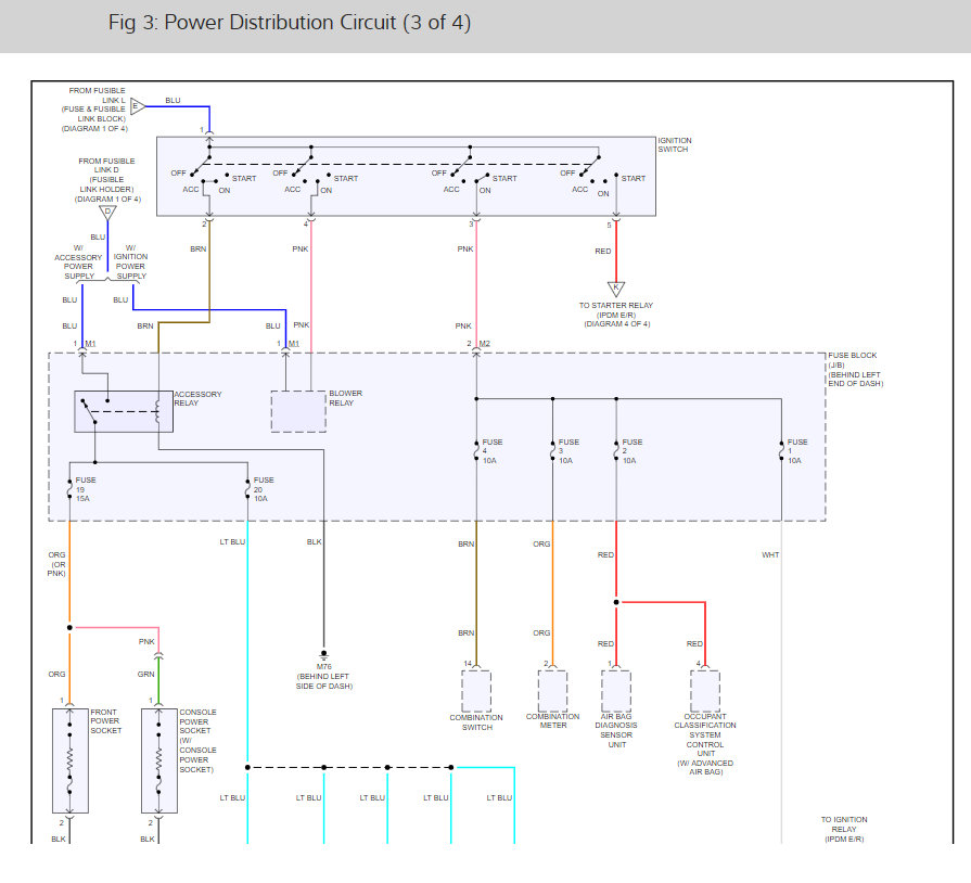
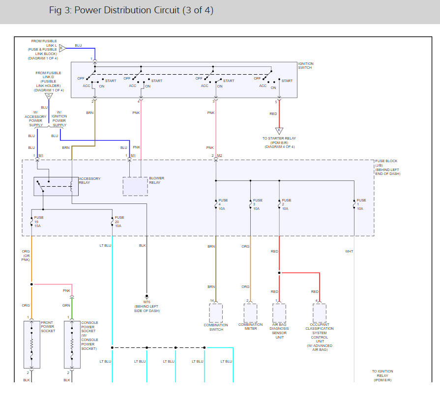
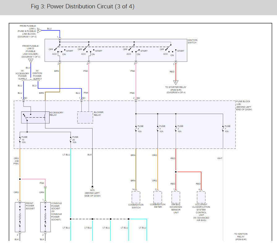
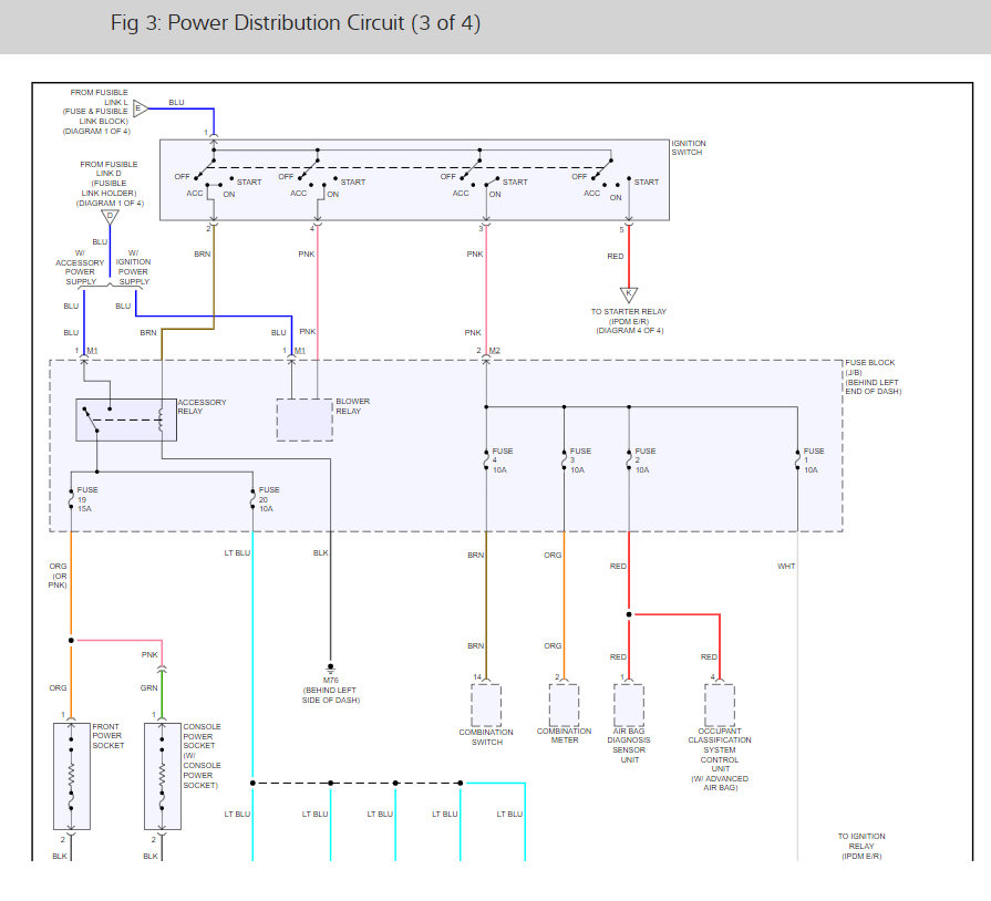
Here is a guide to help you test the wiring and the PDC and fuse panel wiring diagrams below. Check out the diagrams (below). Please let us know if you need anything else to get the problem fixed.
Nov 5, 2019 at 11:49 AM
Advertisement
Avatar
JACOBANDNICKOLAS
  • CAR REPAIR CONTRIBUTOR
  • 110,190 POSTS
Hi:

Can you break it down for me. There are many pages of schematics. Do you need ones for lighting and wipers? Do you want a power or ground distribution or just a general schematic of a circuit?

Let me know.

Joe
Nov 5, 2019 at 11:51 AM
Avatar
ELECTRICAL2009
  • MEMBER
  • 12 POSTS
Okay! Thanks for the reply! On the steering wheel column, left side has the headlight, turn signal, dash instrument lights, hi-lo headlights, also controls the power for the right hand control of window wiper functions. so, i have no functions from the left hand switch! no wiper operation. so, the power to the left hand switch, will cover all of the above. Thanks again !
Nov 5, 2019 at 9:06 PM
Avatar
JACOBANDNICKOLAS
  • CAR REPAIR CONTRIBUTOR
  • 110,190 POSTS
The schematics that Ken attached above cover just about everything. Do you need anything different?

Let me know.

Joe
Nov 8, 2019 at 3:09 PM
Avatar
ELECTRICAL2009
  • MEMBER
  • 12 POSTS
Thank you ! can you find out if any 2009 Rogues have had this problem (no combination switch working) i have no lights except brake lights, back up. i have replaced "PDC" and other components with this problem! Help
Nov 8, 2019 at 4:34 PM
Avatar
STRAILER
  • CAR REPAIR CONTRIBUTOR
  • 54,249 POSTS
These are controlled by the BCM and combination switch, you can test the switch by using the guide and testing the input to output (input 1 to output 1 etc) or try a new switch but I am leaning toward the BCM. Here are instructions on how to change in the diagrams below:

Body Control Module - 284B1JM70A $512.16 (list)

Have you tried a CAN scan? that would tell you for sure. here is a video, you can get a scanner for about $40.00 on Amazon.

https://youtu.be/InIlnsjOVFA

Check out the diagrams (below). Please let us know what happens.
Nov 8, 2019 at 6:52 PM
Avatar
ELECTRICAL2009
  • MEMBER
  • 12 POSTS
Thanks again! going to have a scan! You may be correct that it is the BCM! I'll let you know.
Nov 9, 2019 at 6:26 AM
Avatar
STRAILER
  • CAR REPAIR CONTRIBUTOR
  • 54,249 POSTS
Please do, we would like to know :)
Nov 9, 2019 at 11:24 AM
Avatar
ELECTRICAL2009
  • MEMBER
  • 12 POSTS
after 2 scans, it would seem it's the BCM! one dealership told $1,166.36! no one will give me a schematic of the BCM! that would tell me how to save some money!
Nov 16, 2019 at 10:49 AM
Avatar
STRAILER
  • CAR REPAIR CONTRIBUTOR
  • 54,249 POSTS
Here is a guide on how to check the wiring (power and grounds) and the BCM wiring diagrams below:

https://www.2carpros.com/articles/how-to-check-wiring

Check out the diagrams (below). Please run this test and get back to us.
Nov 16, 2019 at 11:18 AM
Avatar
ELECTRICAL2009
  • MEMBER
  • 12 POSTS
well, got a BCM price $666.56! different than the price you show! (before tax) what is a consult 111? thank you again for this information!
Nov 16, 2019 at 5:41 PM
Avatar
STRAILER
  • CAR REPAIR CONTRIBUTOR
  • 54,249 POSTS
Good job, did it fix the problem?
Nov 17, 2019 at 10:48 AM
Avatar
ELECTRICAL2009
  • MEMBER
  • 12 POSTS
Not yet! Every thing works on the car, except; headlights, turn singles, rear lights, window wipers, emergence lights, instrument lights! I took the BCM out, opened it up, all connections were fine! There are 4 fusible links! That, i think, is where the problem is.
Nov 17, 2019 at 7:33 PM
Avatar
STRAILER
  • CAR REPAIR CONTRIBUTOR
  • 54,249 POSTS
Yep, it sounds like the BCM is out. try to get a rebuilt unit so they can program it for you if you provide the VIN number. Please let us know what happens.
Nov 18, 2019 at 11:05 AM
Avatar
ELECTRICAL2009
  • MEMBER
  • 12 POSTS
Here around Memphis, no one has a "rebuild" BCM! a new one $727.26. to program $270.00. i'll buy the BCM from them, all they have to do is plug in the new BCM, and program. i'll have the car ready for them to just plug in, then i'll put it back to driving. $1,027.56. thank you for help so far!
Nov 18, 2019 at 3:49 PM
Avatar
STRAILER
  • CAR REPAIR CONTRIBUTOR
  • 54,249 POSTS
Good to hear, please let us know what happens.
Nov 19, 2019 at 10:04 AM
Avatar
ELECTRICAL2009
  • MEMBER
  • 12 POSTS
so far this is turning into a nightmare! well, there is a recall on this Nissan! Tomorrow at 1:00 pm! so ...
Nov 19, 2019 at 10:51 AM
Avatar
JACOBANDNICKOLAS
  • CAR REPAIR CONTRIBUTOR
  • 110,190 POSTS
Hi,

I just went through several unrelated recalls. However, I did find one that may be relevant. It is related to the main body harness. It is recall R1421. Is that the one you are having taken care of?
Nov 19, 2019 at 5:39 PM
Avatar
ELECTRICAL2009
  • MEMBER
  • 12 POSTS
Yes, I think so! let you know tomorrow! Thank again !
Nov 19, 2019 at 8:34 PM
Avatar
ELECTRICAL2009
  • MEMBER
  • 12 POSTS
Have a rental! they say it's the ipdm! $727.51! no labor, no testing fee. must be a deal. personally it should be Nissan that pay's.
Nov 20, 2019 at 3:55 PM
Avatar
JACOBANDNICKOLAS
  • CAR REPAIR CONTRIBUTOR
  • 110,190 POSTS
Hi,

Well I'm glad to hear they found the problem. However, that is a lot of money. I know the IPDM has no serviceable parts. It has to be replaced as a unit. If you want to try and find one cheaper, I can give you the directions for removal and replacement. Let me know. It really isn't that hard to do. Actually, here are the directions. The attached pics correlate with the directions.

2009 Nissan-Datsun Truck Rogue 4WD L4-2.5L (QR25DE)
Removal and Installation
Vehicle Power and Ground Distribution Power Distribution Module Service and Repair Removal and Replacement Removal and Installation
REMOVAL AND INSTALLATION
IPDM E/R (INTELLIGENT POWER DISTRIBUTION MODULE ENGINE ROOM)


Removal and Installation


CAUTION:
IPDM E/R integrated relays are not serviceable parts, and must not be removed from the unit.

REMOVAL
1. Remove air duct (inlet). Refer to See: Air Cleaner Housing > Removal and Replacement > Exploded View.
2. Remove battery. Refer to See: Battery > Removal and Replacement > Exploded View.


pic 1

3. Remove IPDM E/R (1) while pushing and opening pawls (A).
4. Disconnect connectors from IPDM E/R.
5. Remove fuse and fusible link block cover.


pic 2


6. Unlock all pawls (A) of IPDM E/R bracket, and remove IPDM E/R bracket (1).
7. Unlock pawls of IPDM E/R cover A, harness cover A and harness cover B, remove them.
8. Disconnect connectors connected to fuse and fusible link block upper side, and remove fuse and fusible link block.


pic 3


9. Remove IPDM E/R cover B mounting bolts (A) and battery cable fixed clip (B), and remove IPDM E/R cover B (1).

INSTALLATION
Install in the reverse order of removal.

_______________________________________________

Let me know if this helps or if I can help.

Take care,
Joe
Nov 20, 2019 at 4:34 PM
Avatar
ELECTRICAL2009
  • MEMBER
  • 12 POSTS
Thank you! why are the relay's not to be removed! Also, your pictures are not the same as 2009 Rouge engine compartment!
Nov 20, 2019 at 8:35 PM
Avatar
STRAILER
  • CAR REPAIR CONTRIBUTOR
  • 54,249 POSTS
I don't know why they make the relays none replaceable maybe cheaper manufacturing, also the diagrams for the IPDM replacement are correct. Can you please shoot a quick video with your phone so we can see what's going on? that would be great. You can upload it here with your response.
Nov 21, 2019 at 12:37 PM
Repair Safety Notice: This information is for general instructional purposes only. Vehicle repair can be dangerous. Verify all information, follow manufacturer service procedures, use proper tools and safety equipment, and consult a qualified repair shop when needed.