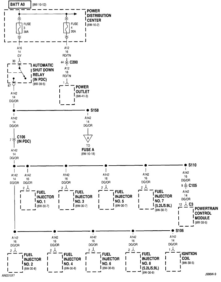
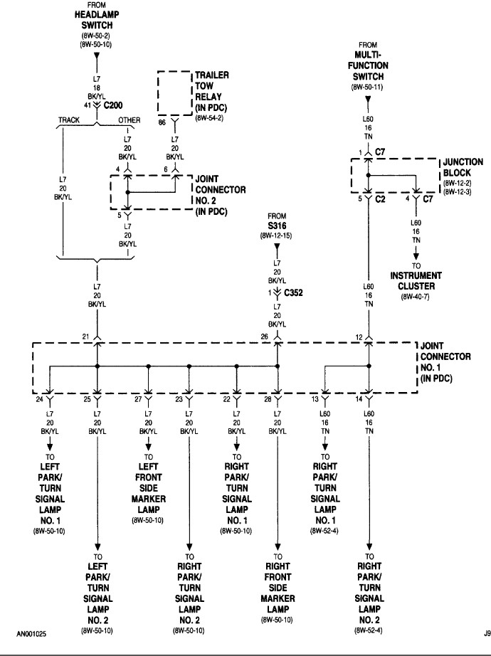
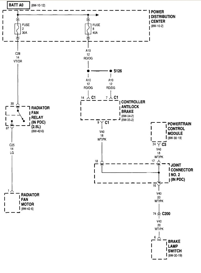
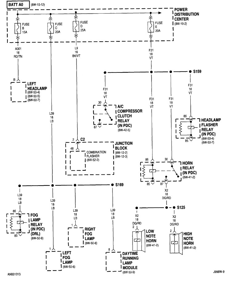
Sunday, May 18th, 2025 AT 9:52 PM
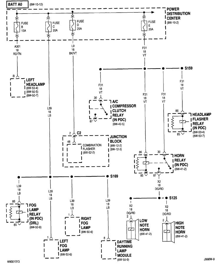
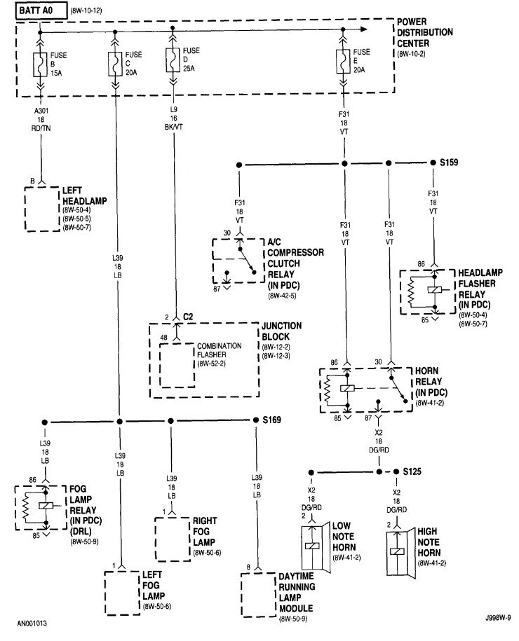
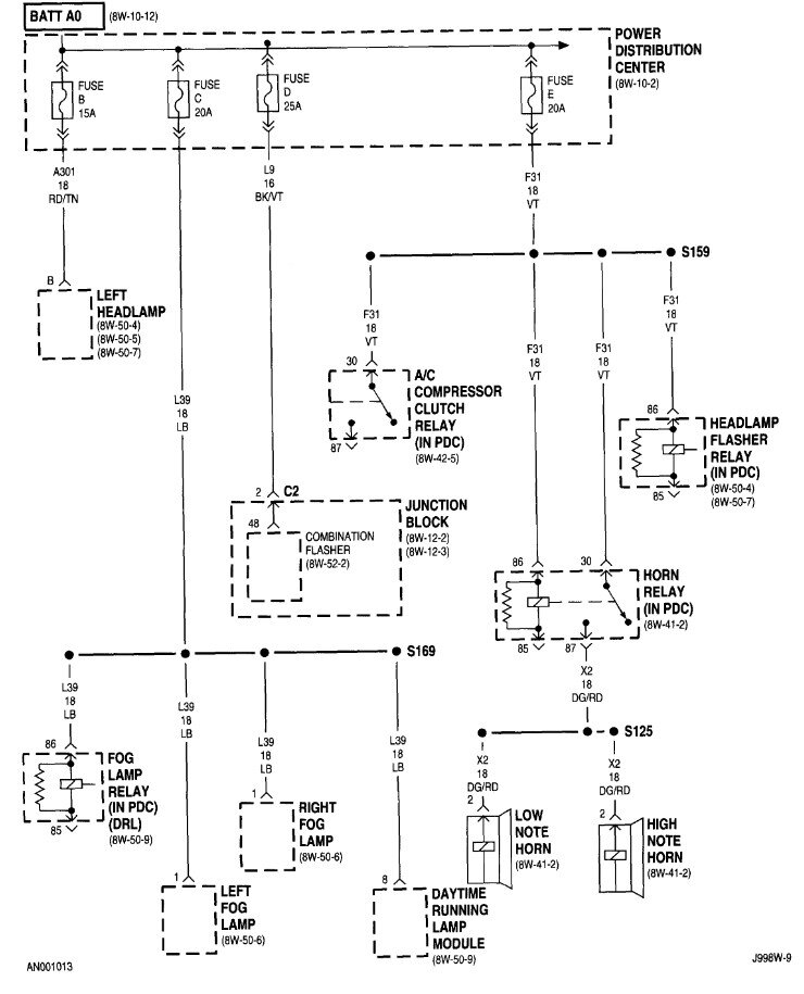
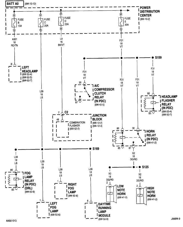
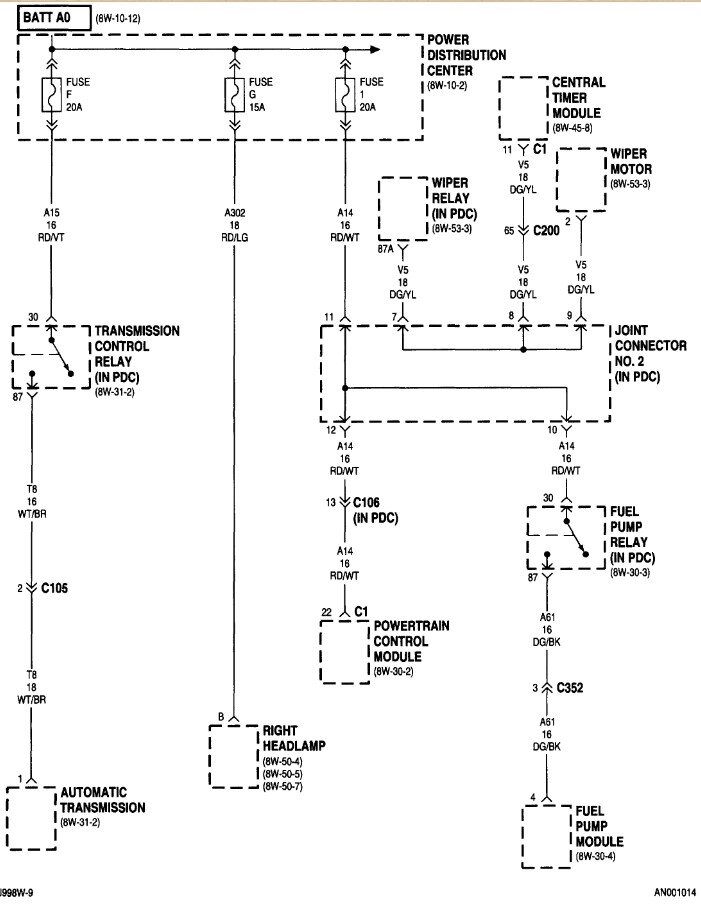
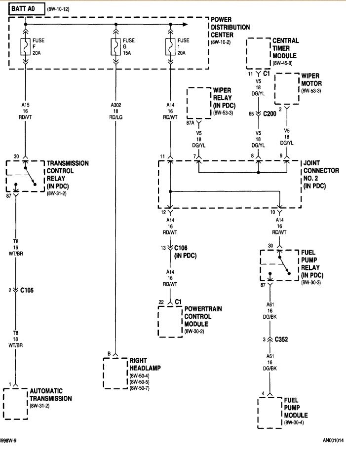
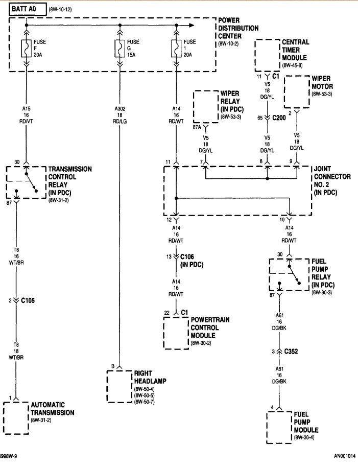
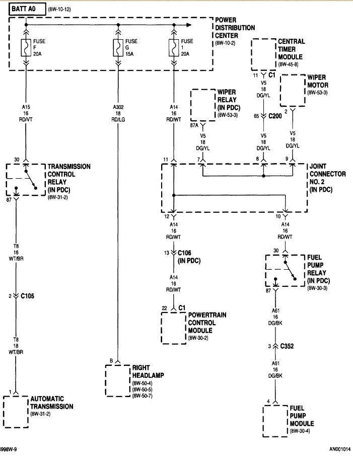
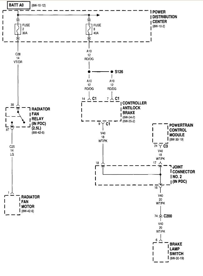
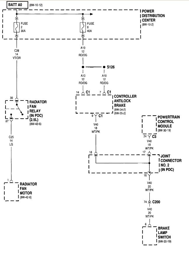
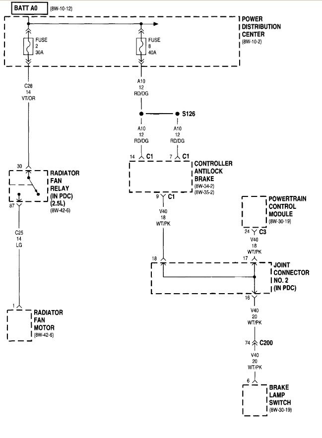
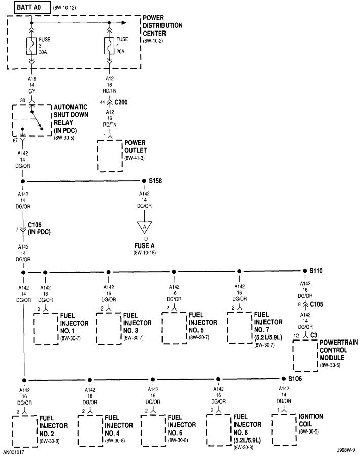
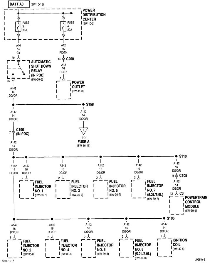
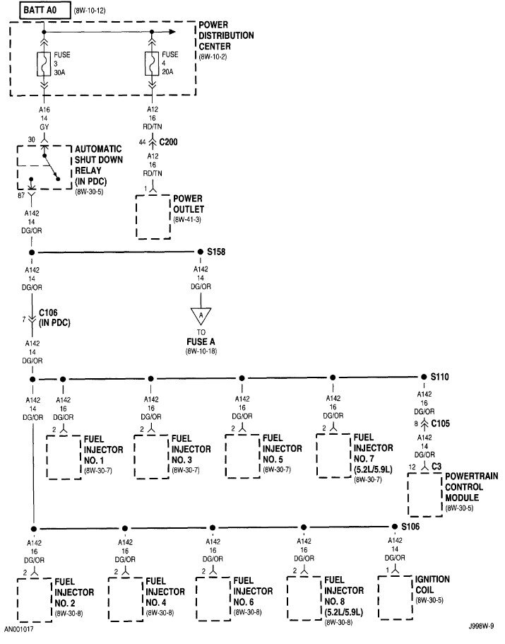
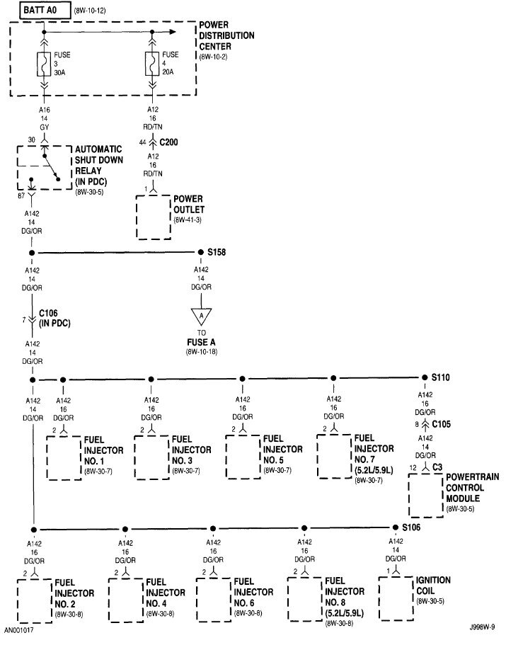
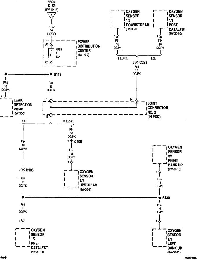
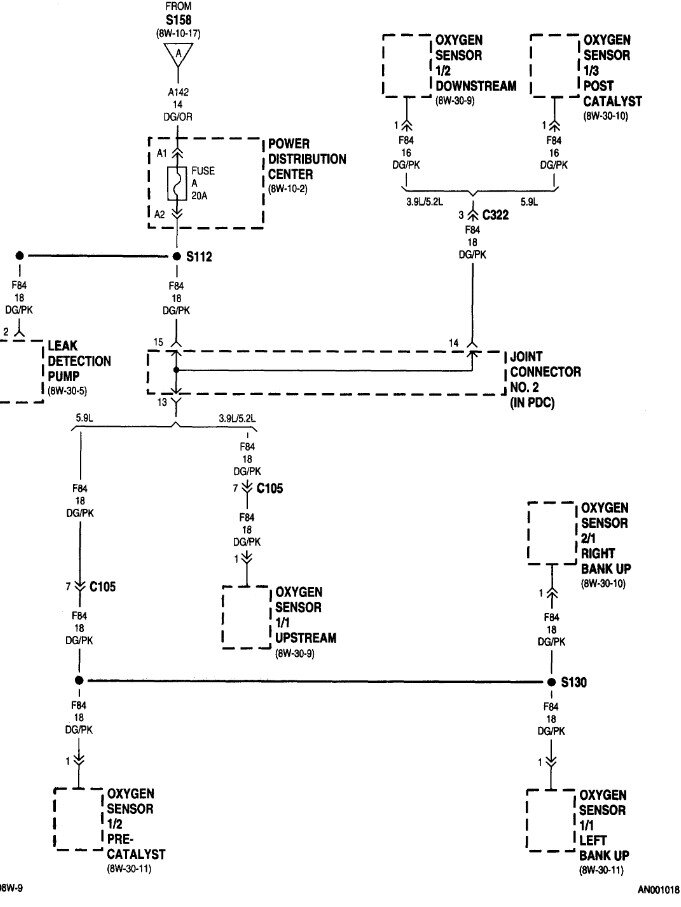
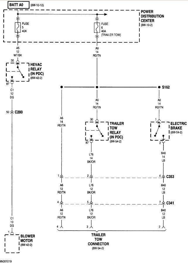
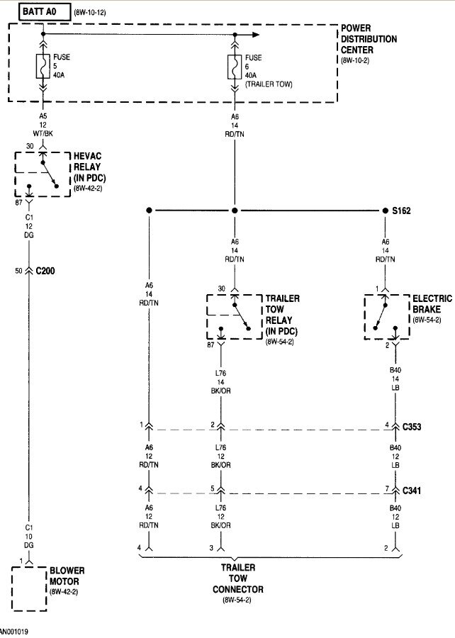
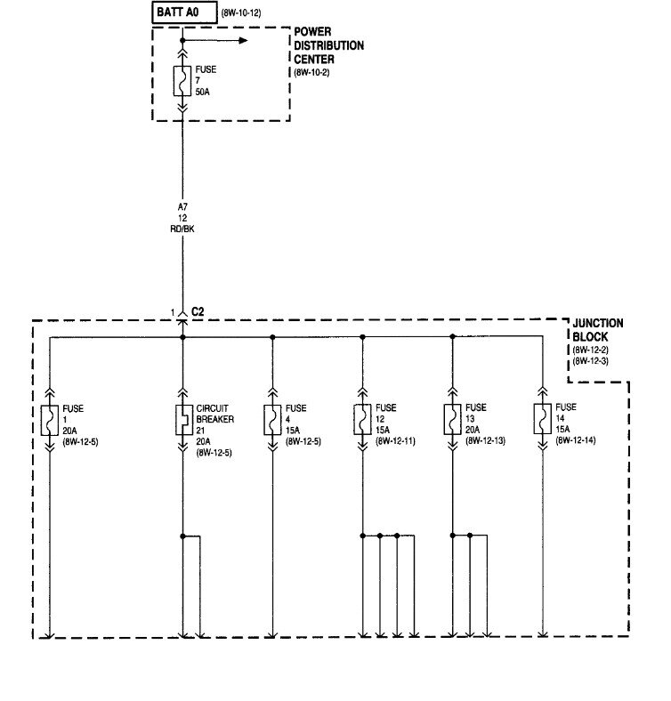
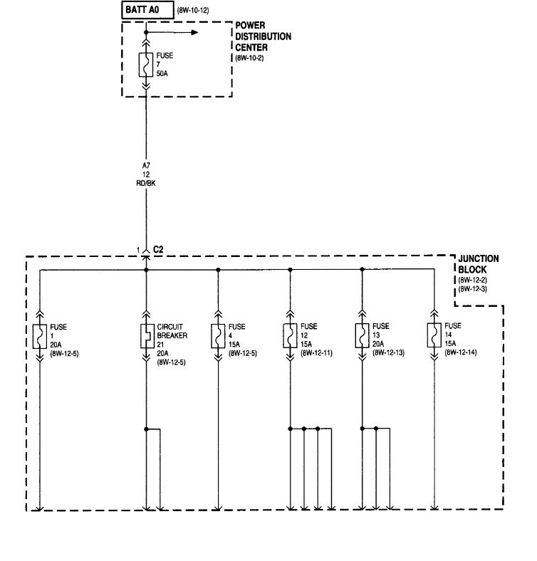
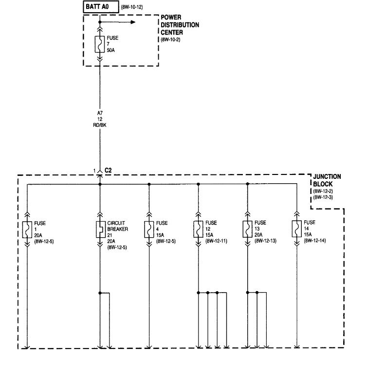
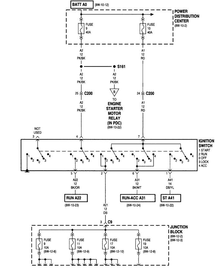
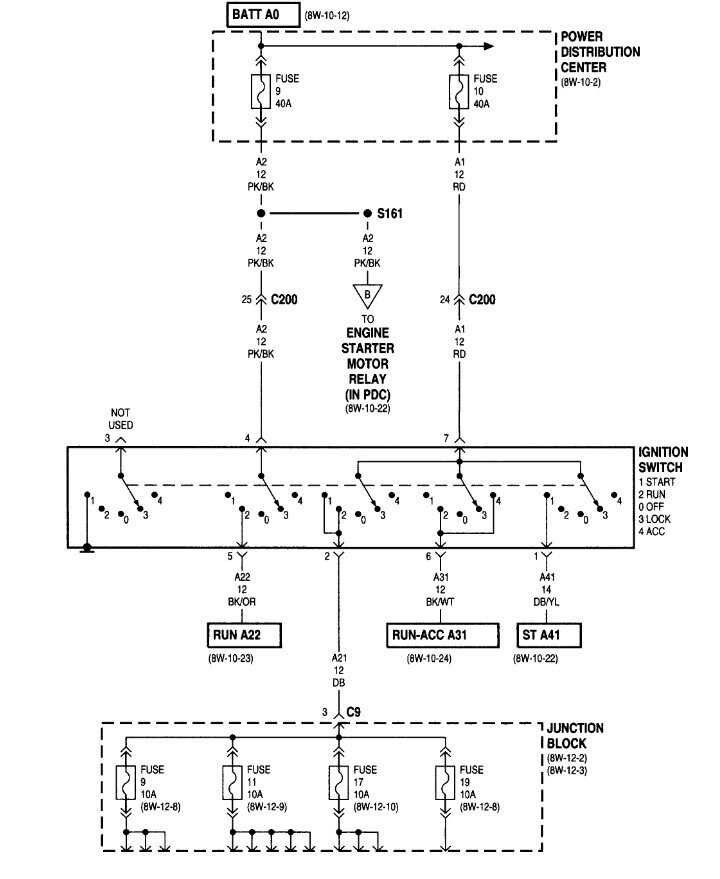
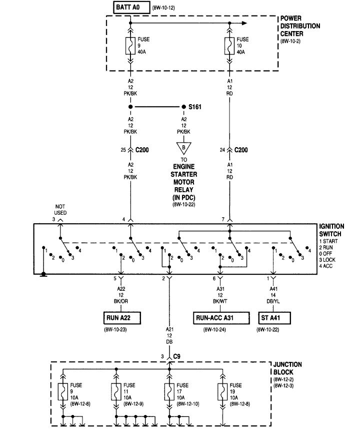
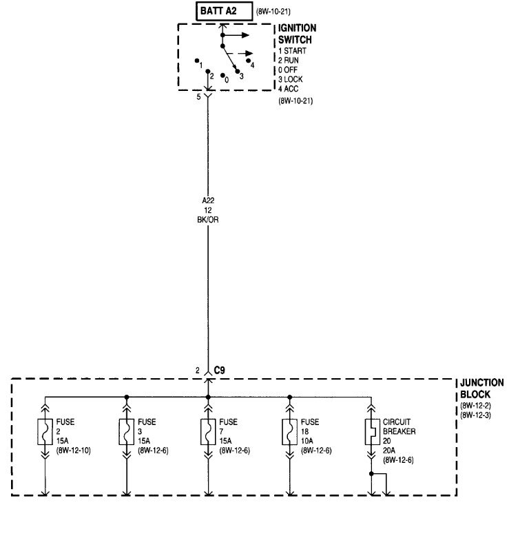
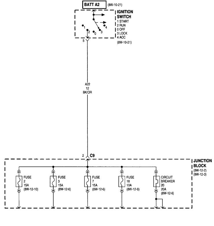
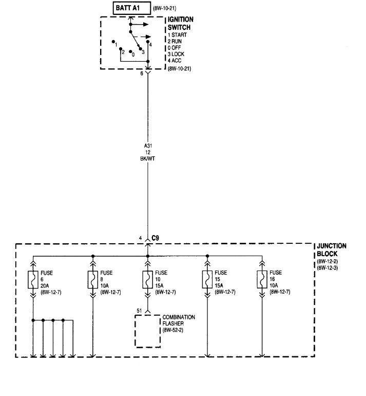
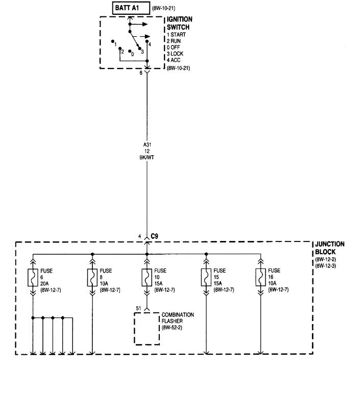
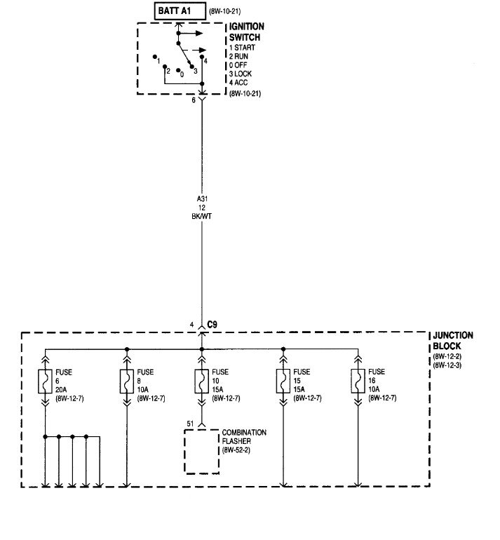
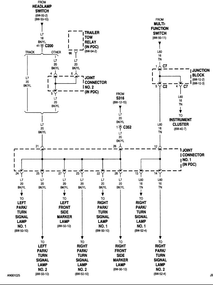
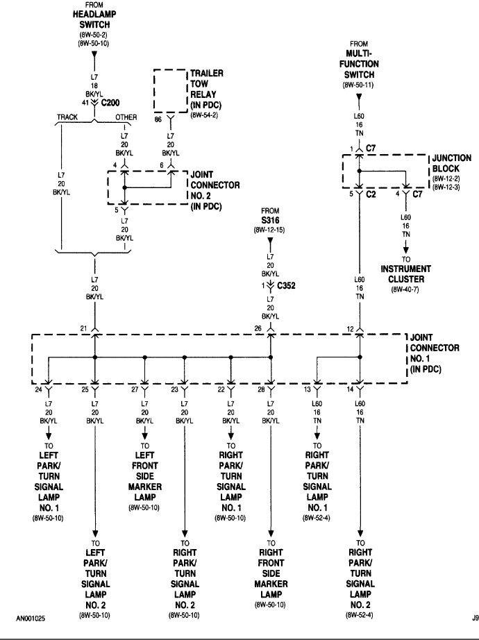
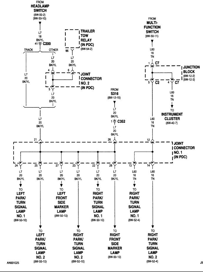
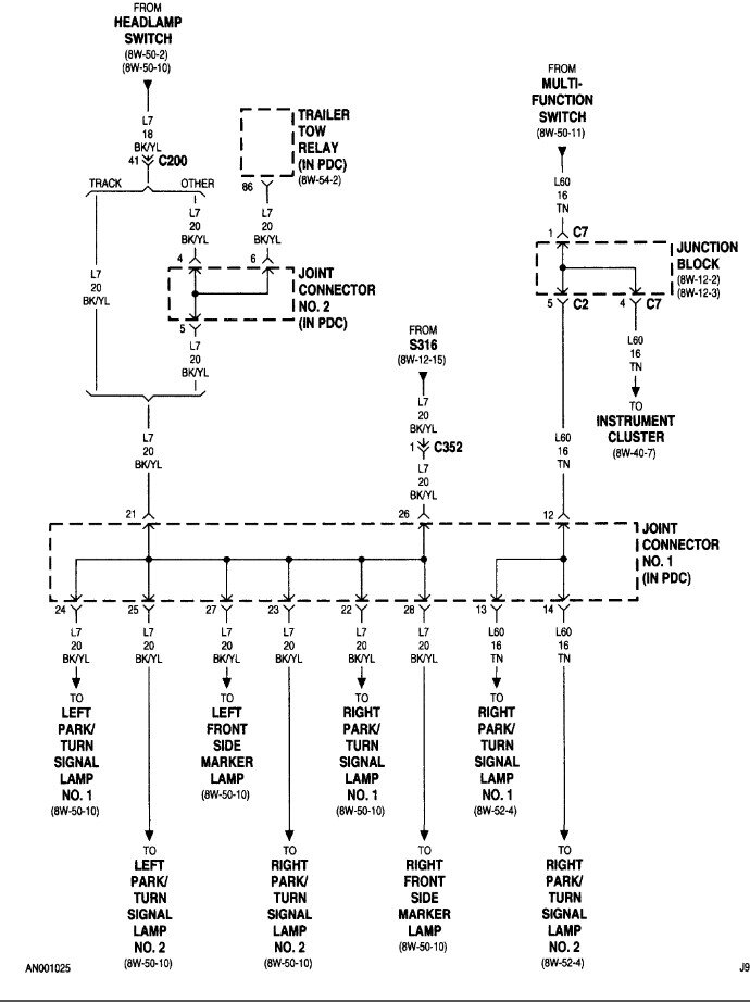
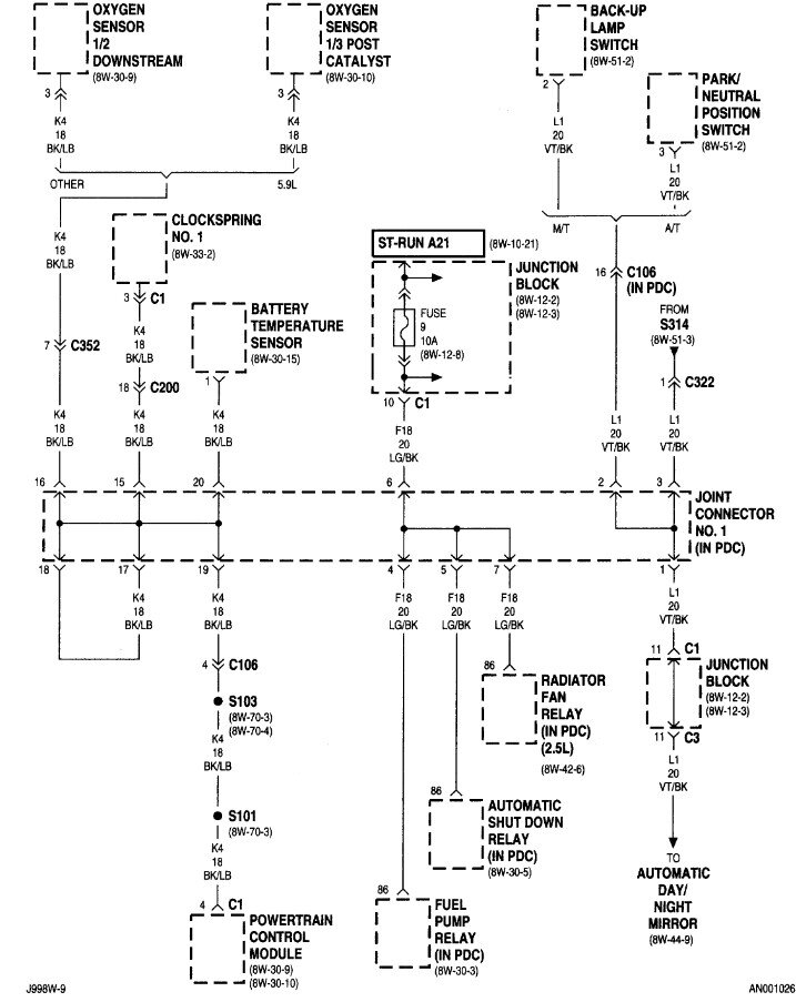
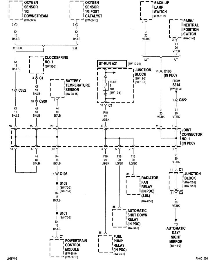
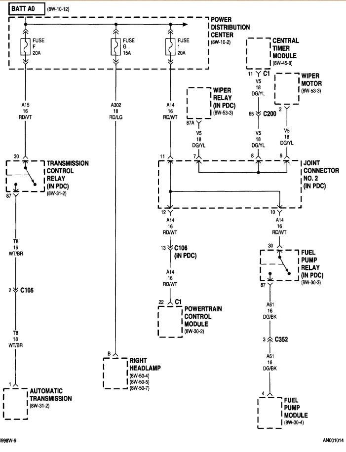
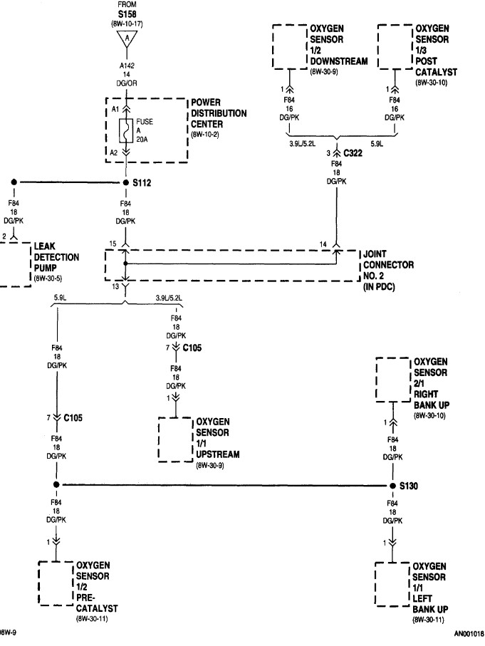
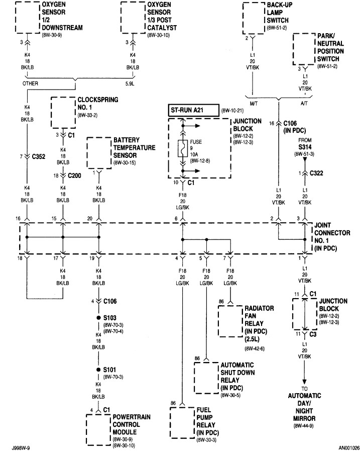
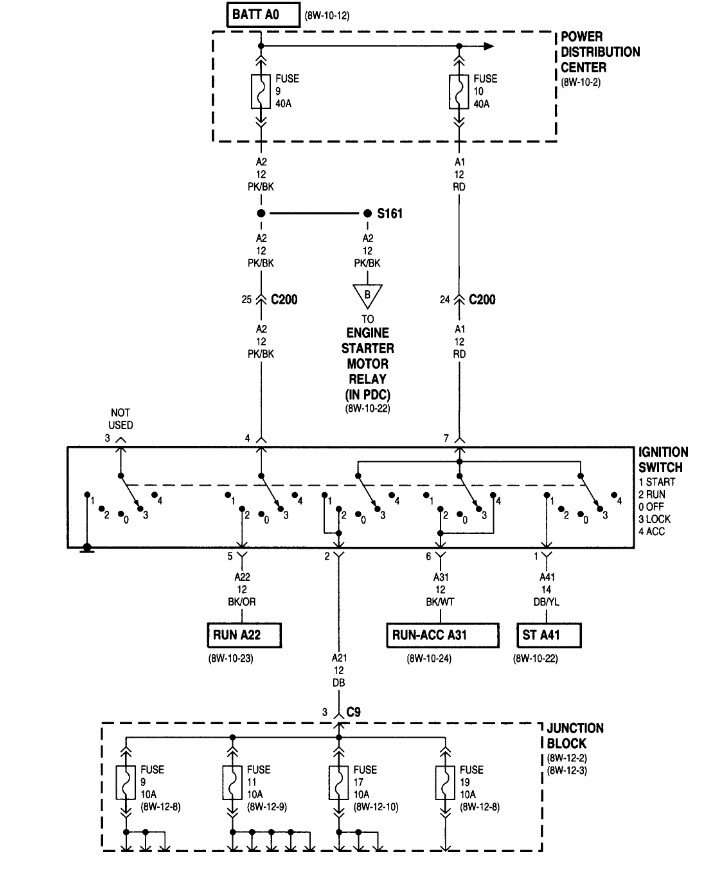
I need wire diagram for the fuse box under the hood for the vehicle listed above or a diagram with color code for each relay and fuse.





















