Where is the electric window fuse located?

Tiny
DONALD J TREW-POWERS
  • MEMBER
  • 1999 VOLKSWAGEN BEETLE
  • 4 CYL
  • 2WD
  • AUTOMATIC
  • 75,000 MILES
My driver's side window won't go up or down. The passenger side works just fine. Are these windows on two separate fuses or the same one? And also, I've looked at several fuse panel diagrams and none of them list a fuse for electric windows. So, I need the location of the fuse as well please.
Monday, February 3rd, 2025 AT 1:16 PM

1 Reply

Tiny
BORIS K
  • MECHANIC
  • 836 POSTS
Hello,

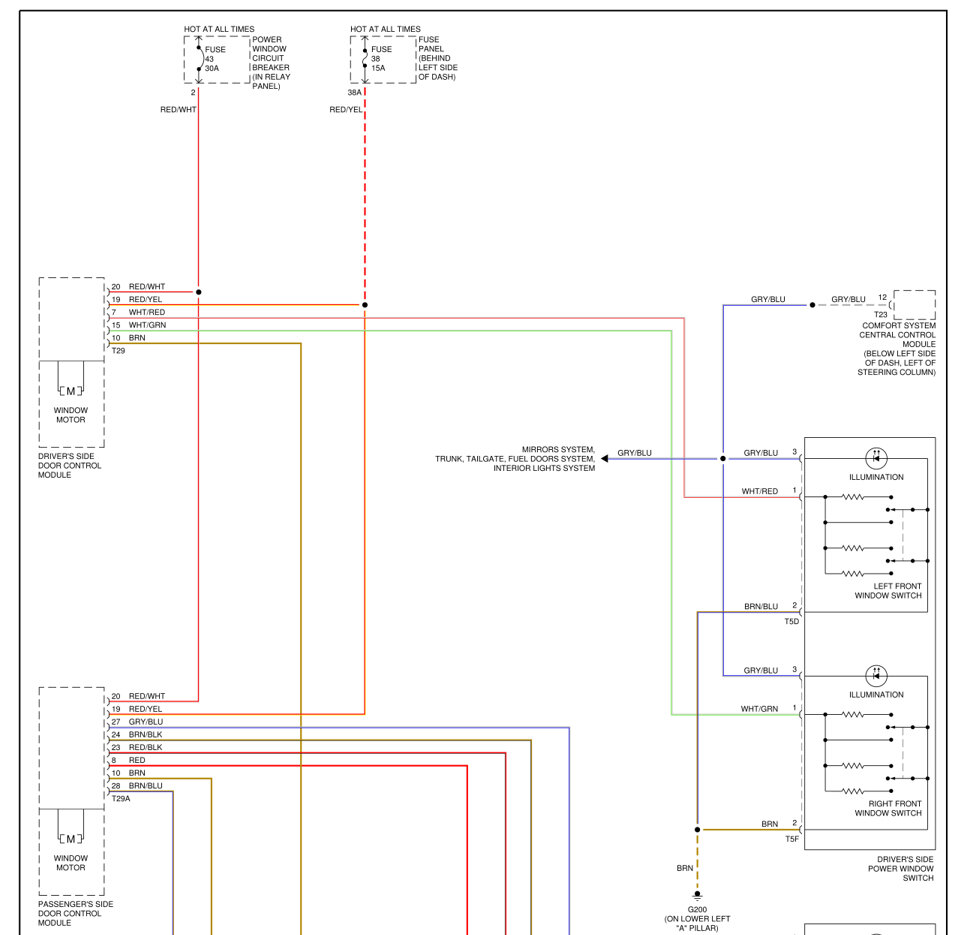
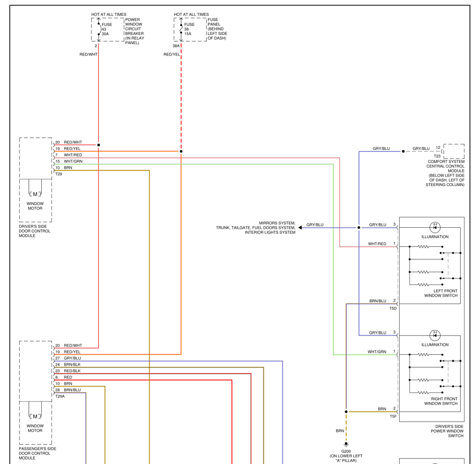
The driver and passenger window share 2 fused supplies, so the fuses will be intact as the passenger window is working as it should

See images below

Pins 19+20 on each window winder motor is supplied with constant 12V
Suggest to check the wiring in the door shut, between vehicle and door for any damage.
Next access the window winder motor and using a test light check for 12V at 29 pin connector, pin 19, red/yellow wire, and pin 20, red/white wire. Suggest to use pin 10, brown wire, as the ground as this tests the ground wire too. If power and ground are present you could test the window motor by applying a ground to either pin 7, white/red wire, or pin 15, white/green wire. If the motor works up/down, then this would point to a wiring or window switch pack issue.

How to use a test light:
https://www.2carpros.com/articles/how-to-use-a-test-light-circuit-tester
and
https://www.2carpros.com/articles/how-to-check-wiring

A link to fuse and relay locations:
https://fuse-box.info/volkswagen/volkswagen-new-beetle-1998-2011-fuses-and-relay#google_vignette

Cheers. Boris
Was this
answer
helpful?
Yes
No
Tuesday, February 4th, 2025 AT 3:44 AM

Please login or register to post a reply.