Electric seats stopped working after ashtray replacement

Tiny
GOTTAKEEPMOVIN'
  • MEMBER
  • 2004 CHRYSLER CROSSFIRE
  • 40,000 MILES
I just got done installing the ashtray in my vehicle. Not an easy job. Upon completion, I noticed my electric seats are no longer working, neither of them! I do not believe I came into contact with any connections, etc, (which I may have broken) during the ashtray repair, so I am stunned at the timing of this failure. The car seats worked fine just this morning and all I did was install the ashtray into the console (as the old ashtray had been removed and the dash disassembled a week ago. At a loss here. Thanks!

After waiting a half hour or so they began working again. I believe now that I have an intermittent relay involved. Any clue where the relay is located? Thanks again!
Saturday, July 18th, 2020 AT 1:59 PM

1 Reply

Tiny
JACOBANDNICKOLAS
  • MECHANIC
  • 110,192 POSTS
Hi,

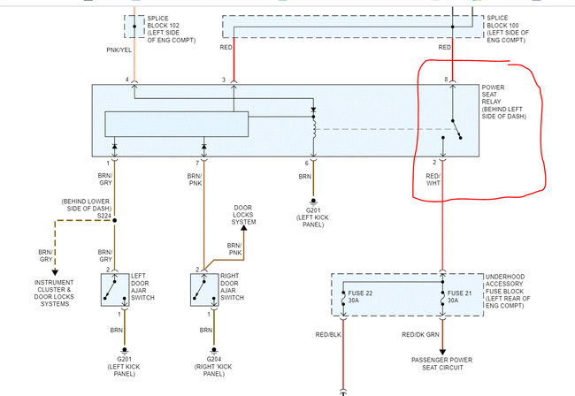
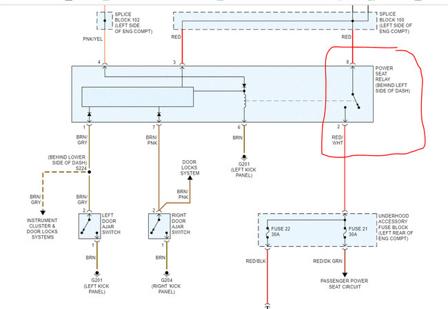
I found the relay by looking at a wiring schematic. It indicates it to be behind the left side of the dash. However, I tried finding a pic of the relay and have had no luck. Is there a relay box under the dash?

Here is a link that explains how to test a relay. Not sure if you need it, but I thought I would add it. Note that the relay in the attached pic powers both the left and right seats.

https://www.2carpros.com/articles/how-to-check-an-electrical-relay-and-wiring-control-circuit

Let me know.

Joe
Was this
answer
helpful?
Yes
No
Saturday, July 18th, 2020 AT 4:55 PM

Please login or register to post a reply.