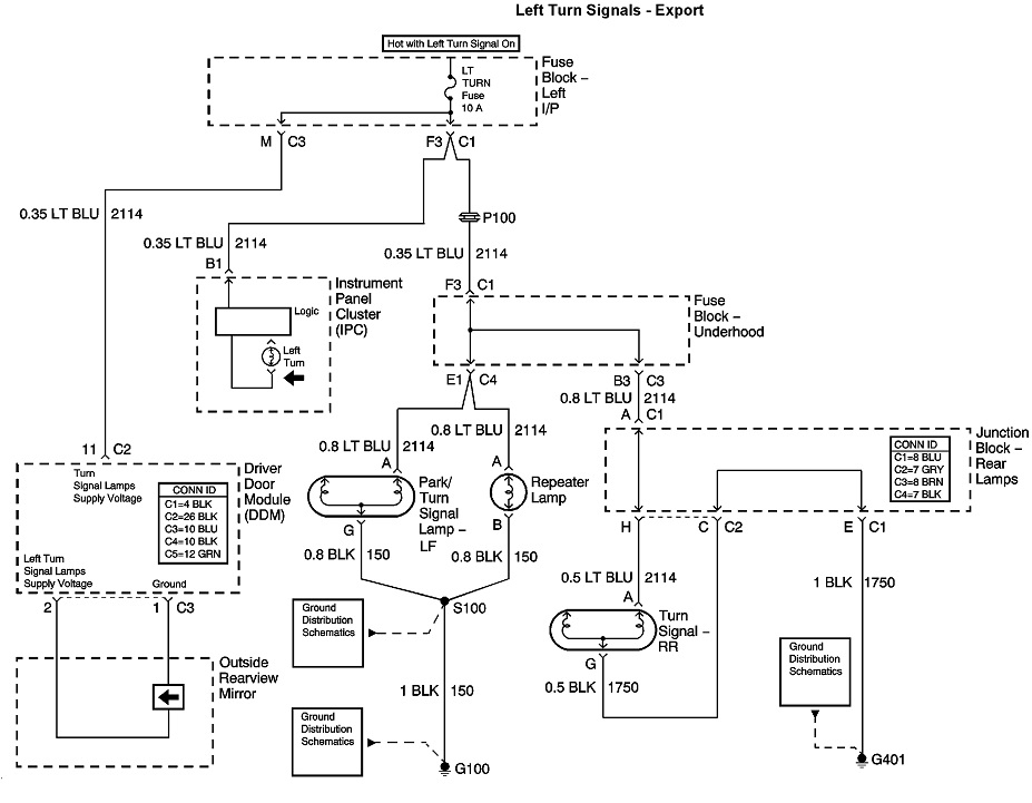
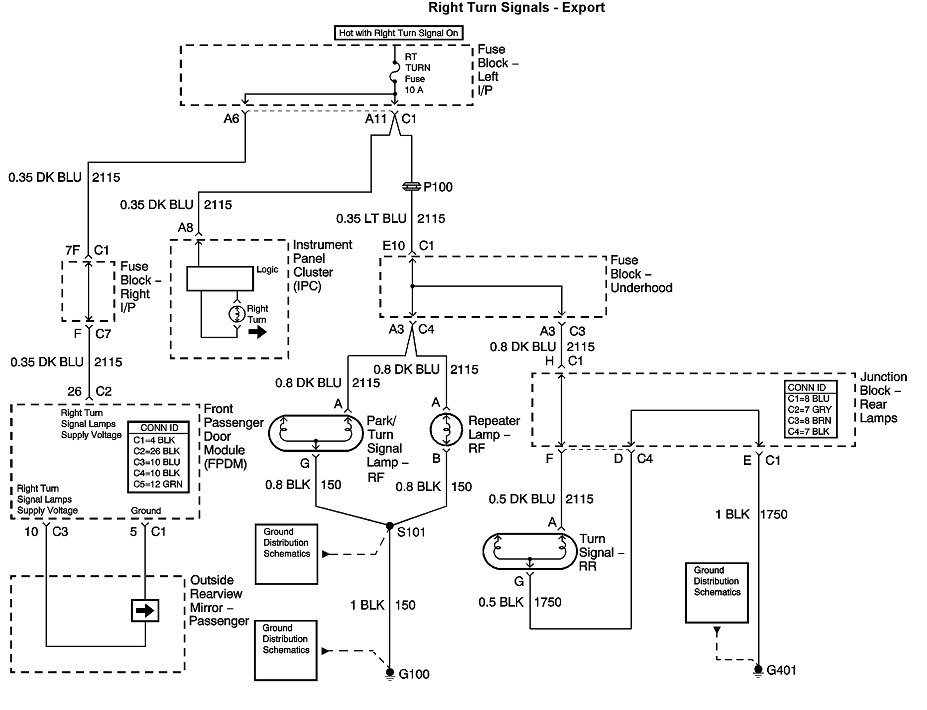
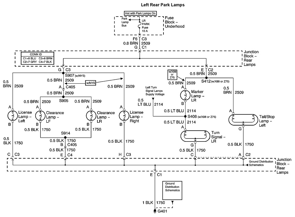
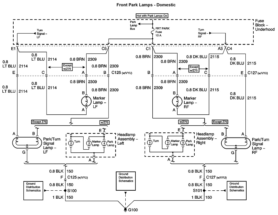
Wednesday, September 3rd, 2025 AT 6:14 PM
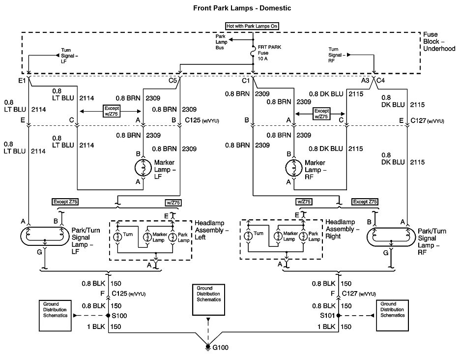
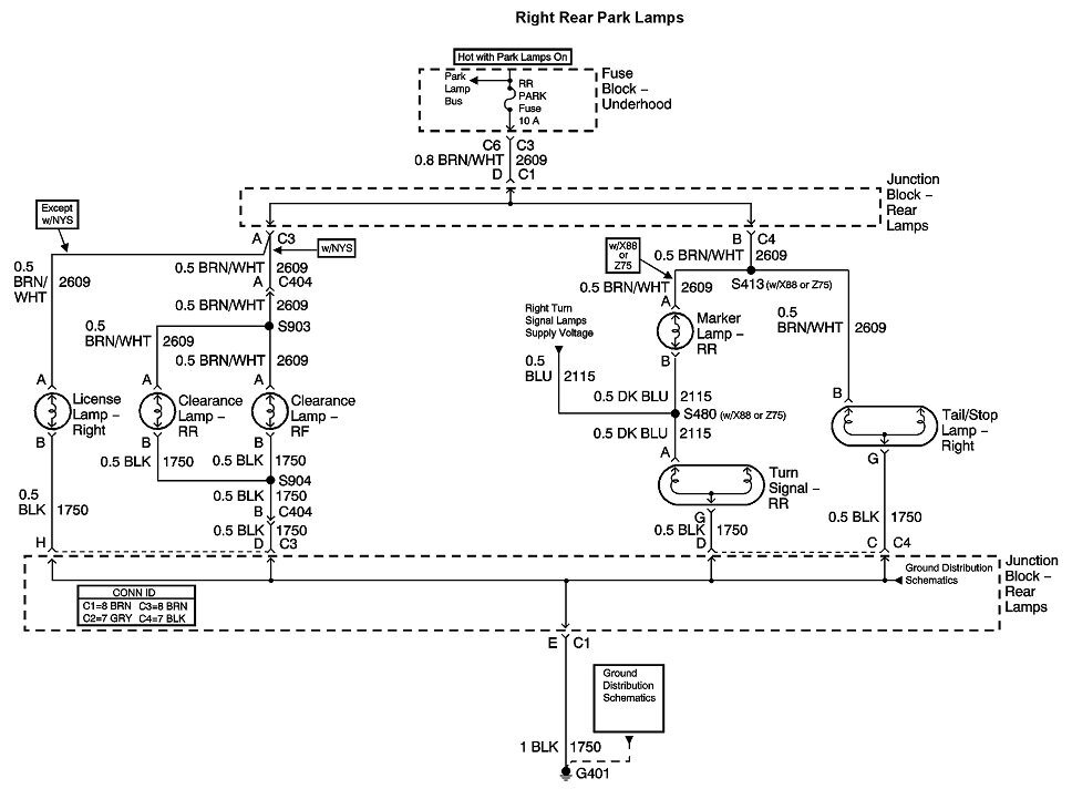
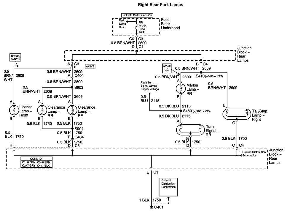
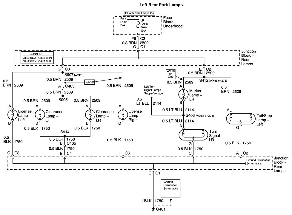
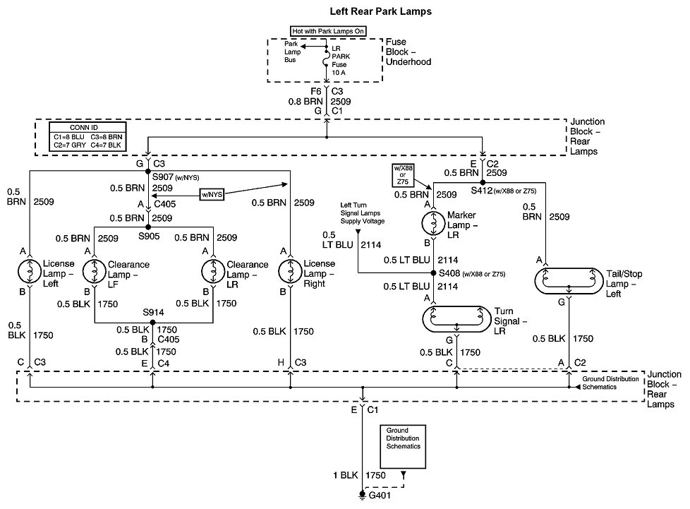
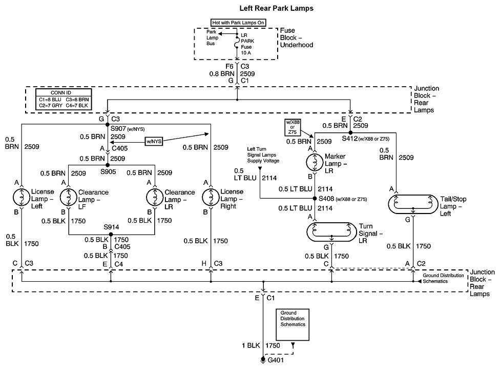
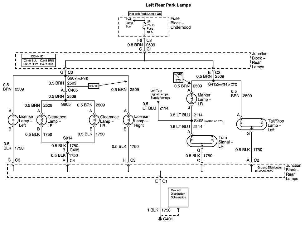
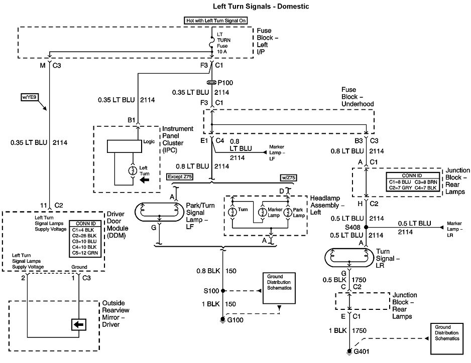
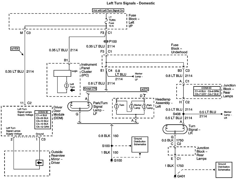
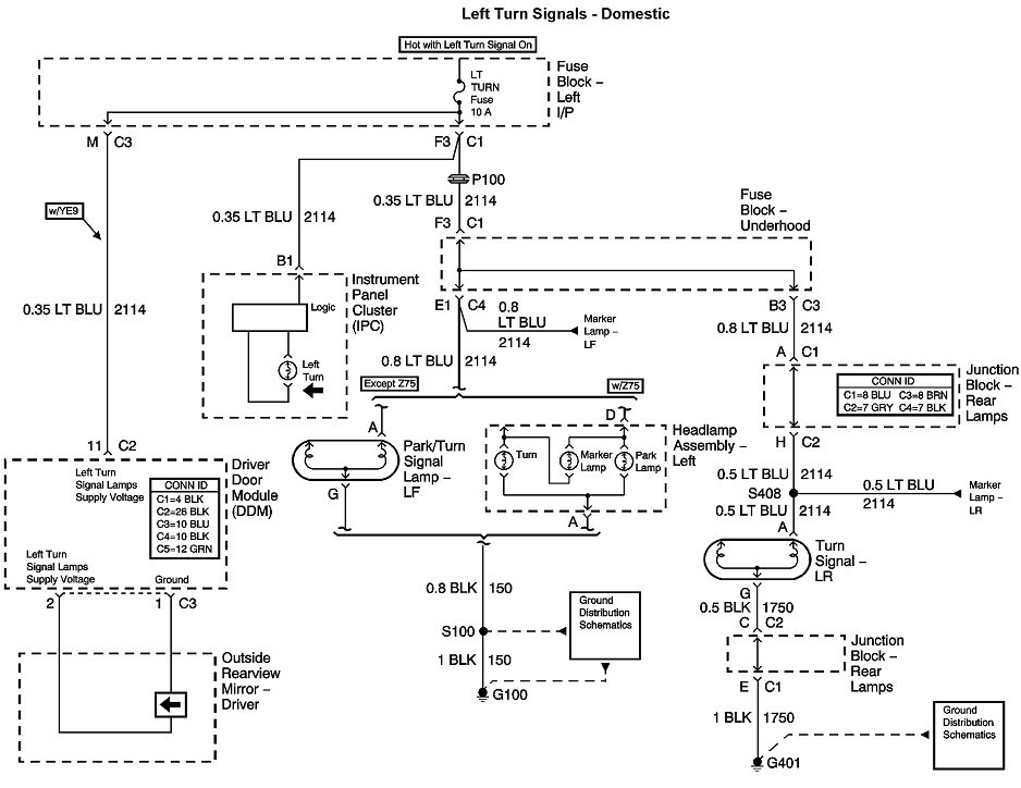
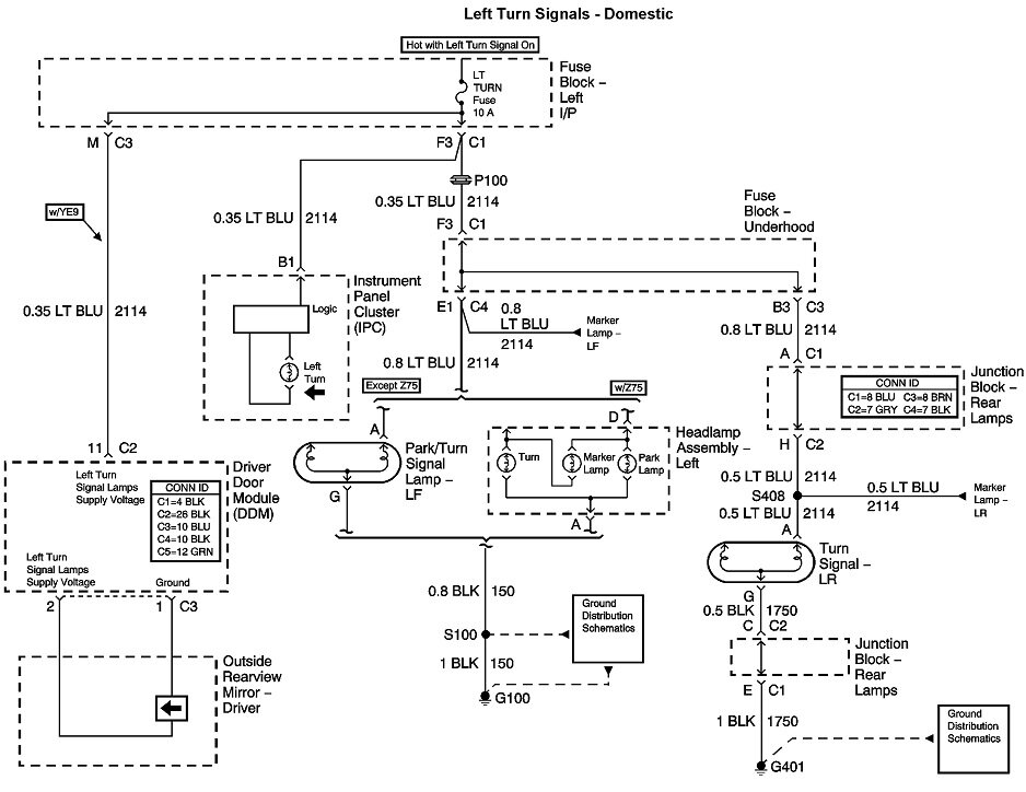
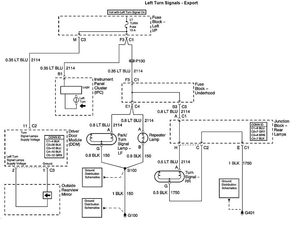
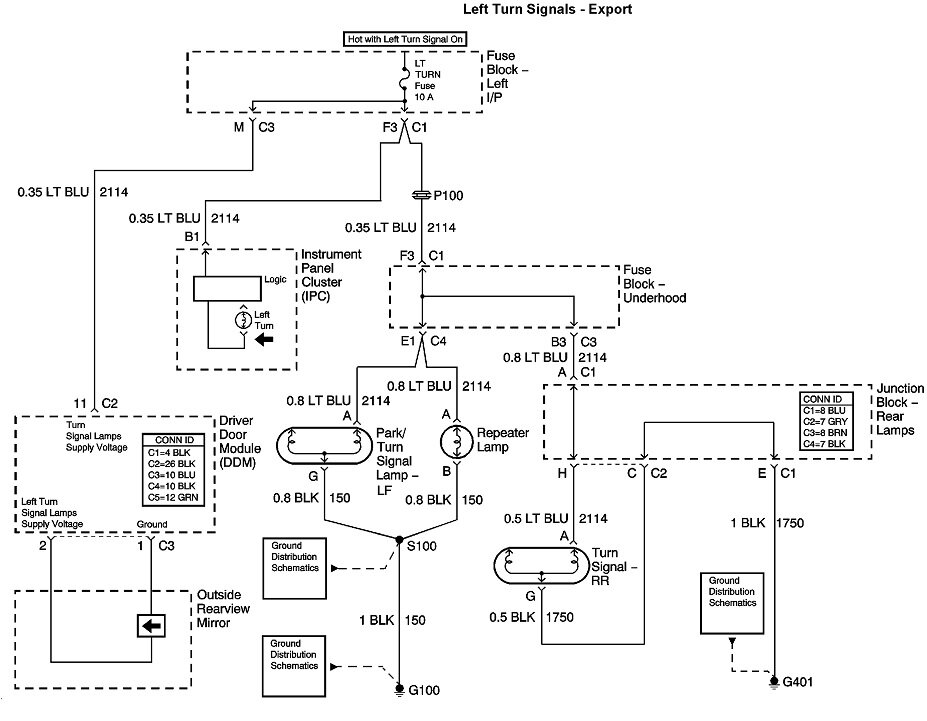
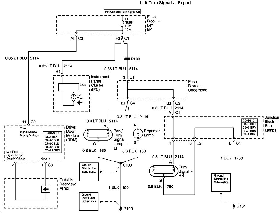
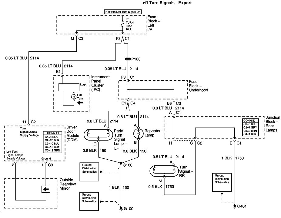
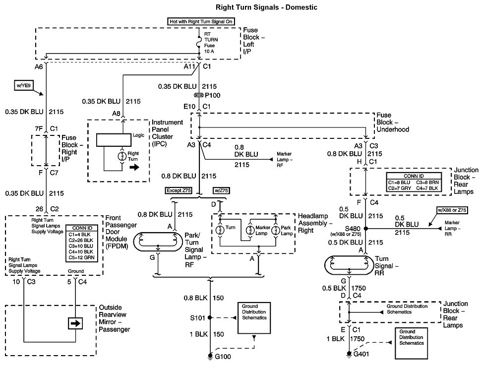
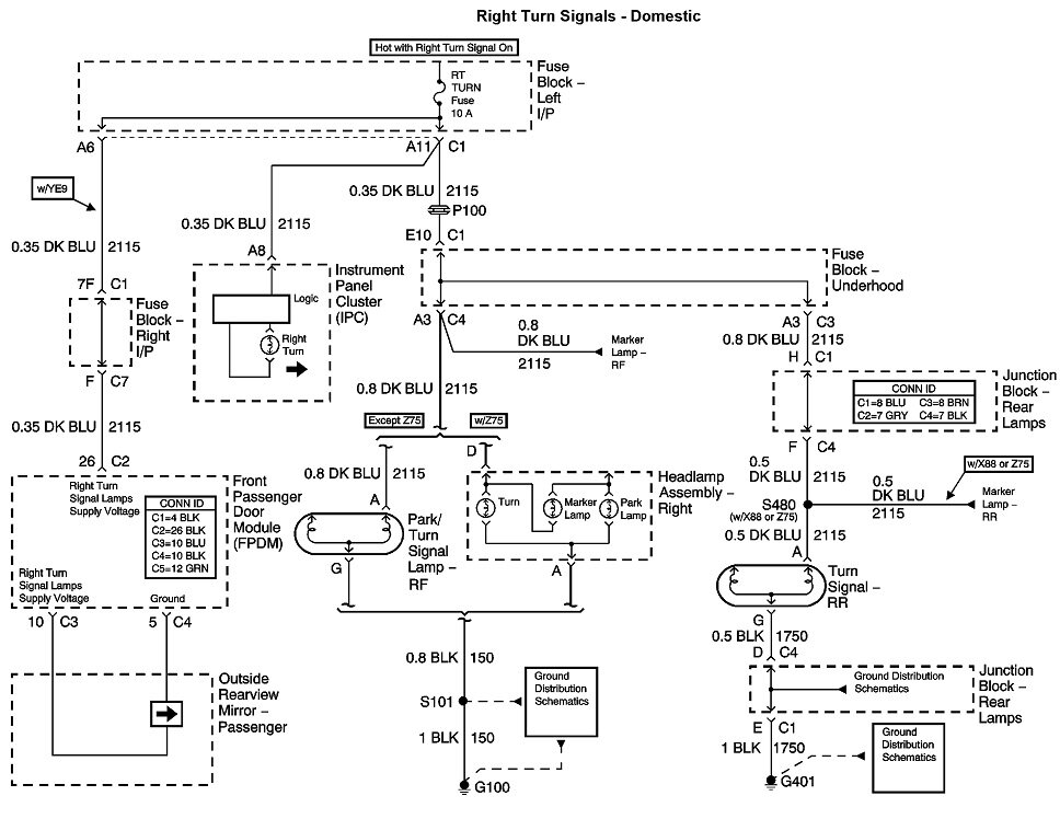
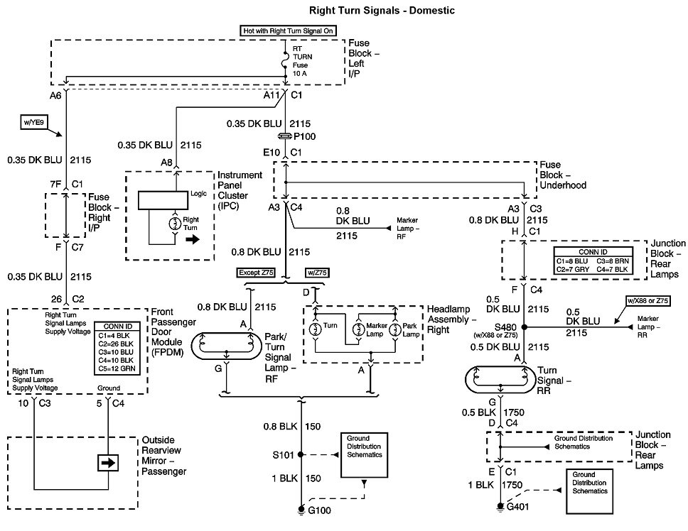
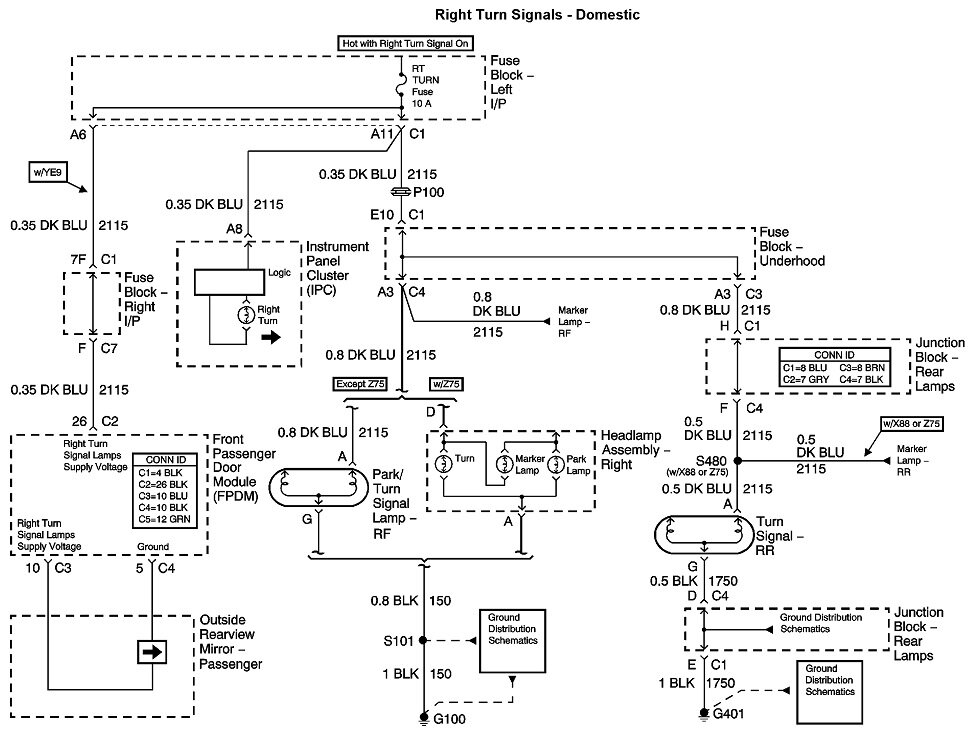
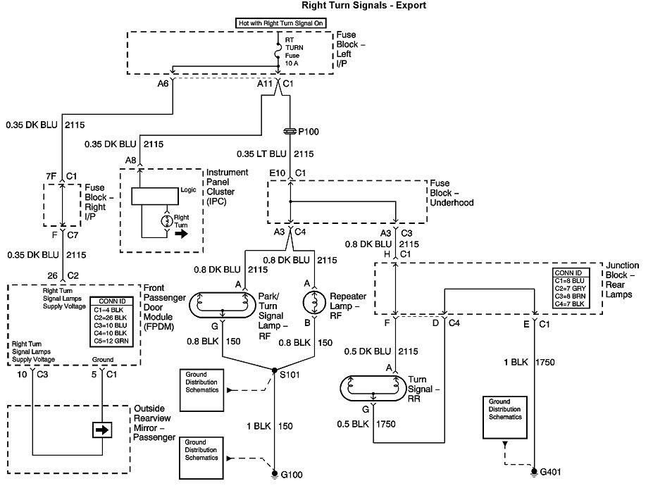
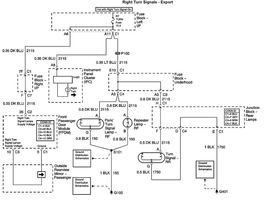
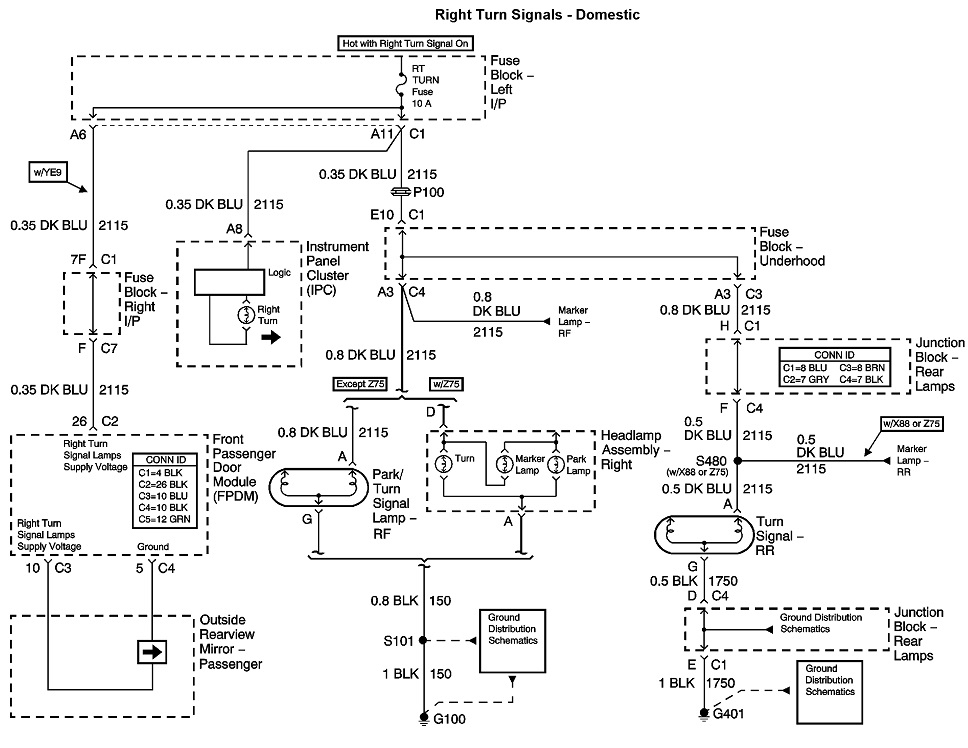
The blinkers flash very fast. As if there is a bulb out or bad. But if you turn the headlight switch from auto to off it begins to flash at normal rate. But both lights in rear try to blink left and right. I have changed the brake light switch / the rear circuit board / the headlight switch/ transmission position switch. Don’t know what to do or look for now!









