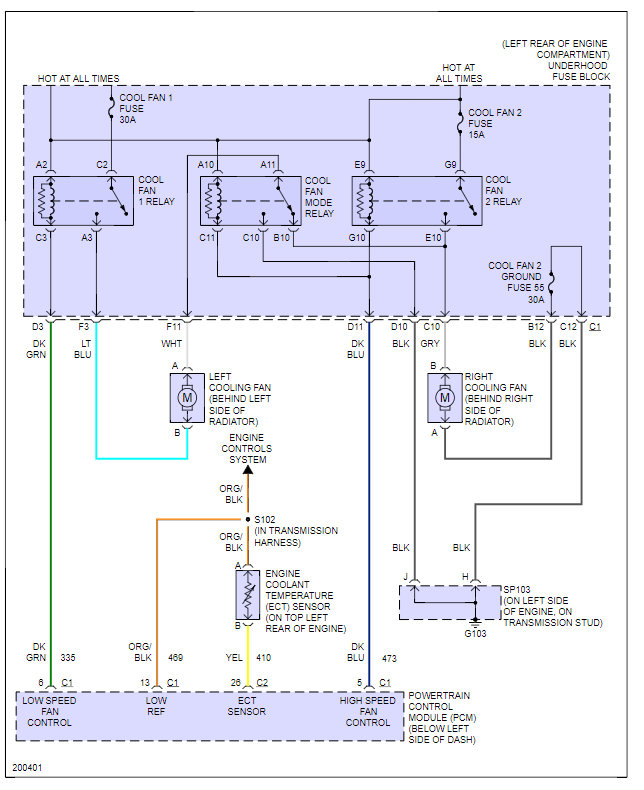
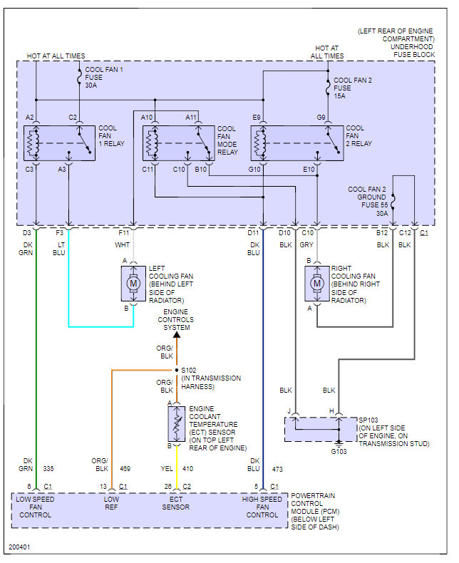
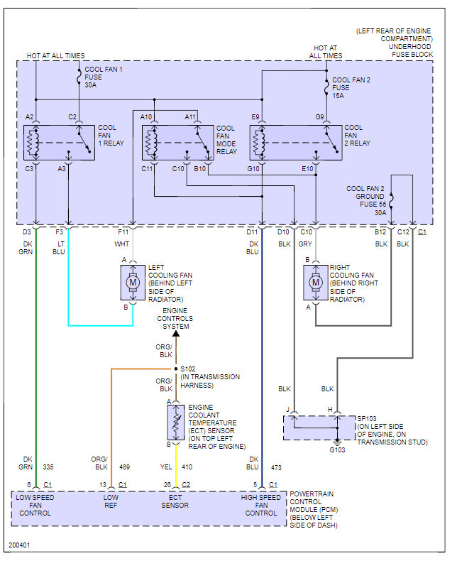
Wednesday, September 27th, 2017 AT 2:10 PM
AC compressor locked up about a week ago and now my cooling fans will not come on. My car is getting hot. How to test? How do I test the relays or what do you think is why the cooling fans will not engage?




