HOME
ASK A QUESTION
REPAIR GUIDES
BECOME A MEMBER
LOG IN
Login with Facebook
OR
Remember me
NOT A MEMBER?
FORGOT PASSWORD?
CONTACT US
PRIVACY POLICY
TERMS AND CONDITIONS
☰
Home
Chevrolet
Cobalt
Body
Door
Lock
Switch
Electric door locks
JACK HINDS
MEMBER
2007 CHEVROLET COBALT
2.4L
6 CYL
2WD
AUTOMATIC
110,000 MILES
All four door locks constantly switch up and down every five to ten seconds while driving. Pulled door lock fuse to stop.
Tuesday, April 24th, 2018 AT 2:31 PM
1 Reply
ASEMASTER6371
MECHANIC
52,796 POSTS
Good morning
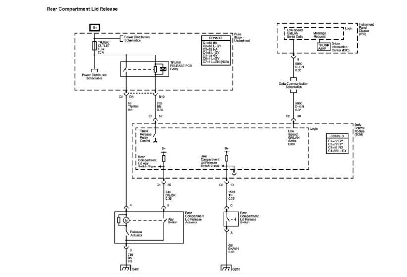
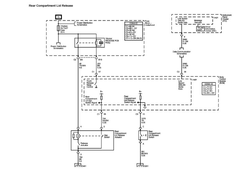
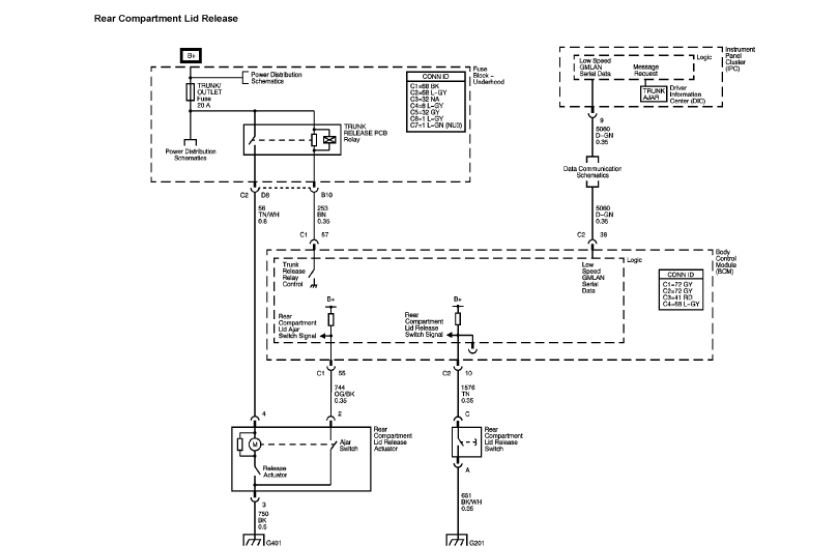
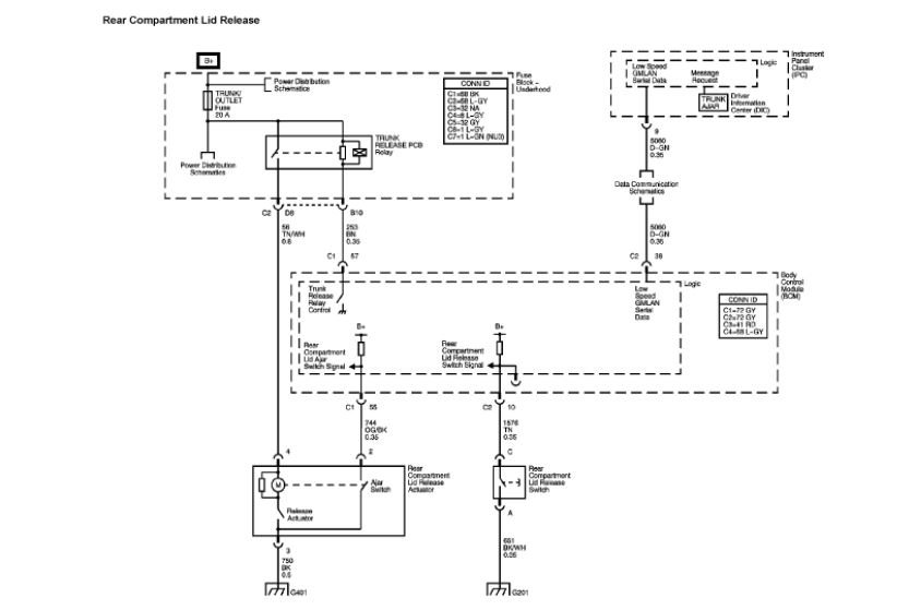
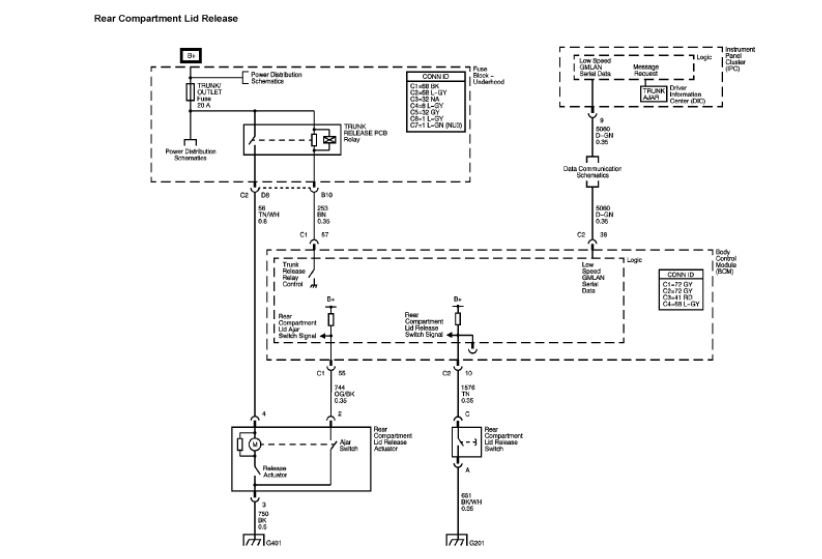
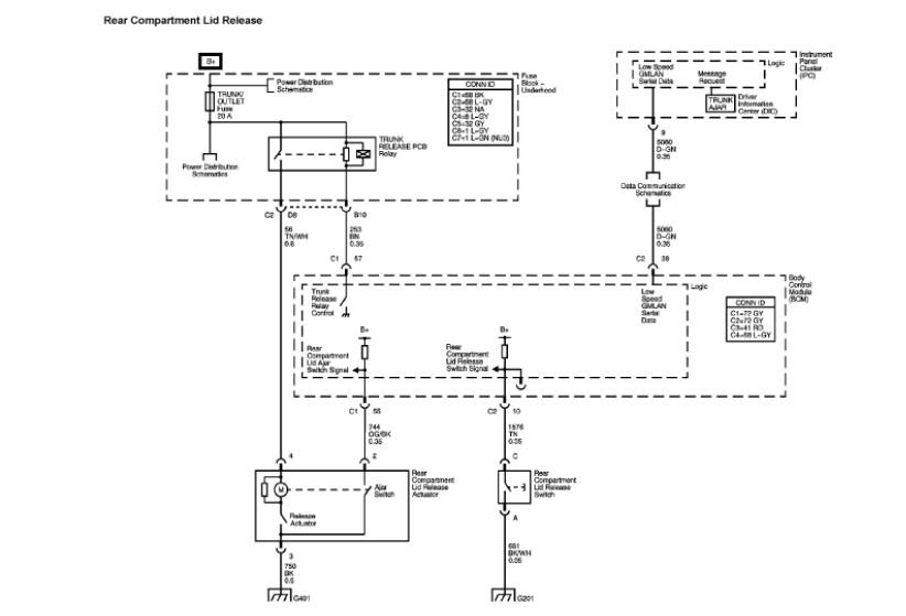
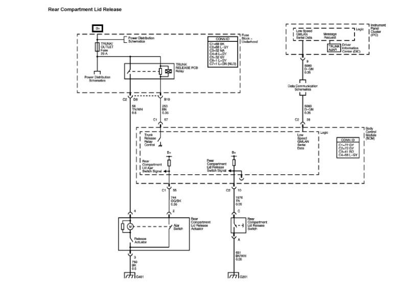
Okay, the body control module controls the operation of the locks. It is very possible that the module is the issue.
You need a advanced scan tool that can read live data on the body control module.
I attached a wire diagram for the system for you to view.
Roy
Image (Click to make bigger)
Was this
answer
helpful?
Yes
No
Thursday, April 26th, 2018 AT 5:07 AM
Please
login
or
register
to post a reply.
Related Door Lock Switch Content
Power Locks Do Not Stay Locked
2006 Chevy Cobalt. For A Year Or More I Locked My Doors Manually, No Problem. Recently A Passenger Hit My Power Door Lock Button On The...
Asked by
JacquelineMinarick
·
5 ANSWERS
2006
CHEVROLET COBALT
2005 Chevy Cobalt Door Locks
Electrical Problem 2005 Chevy Cobalt 80,000 Miles Hi I Have Had Problems On And Off For The Last Couple Years With My Door Locks...
Asked by
Jenny887
·
1 ANSWER
2005
CHEVROLET COBALT
Power Door Lock Not Working Properly?
When I Push Either The Drivers Door Or Passenger Door Power Door Lock Switch To Unlock The Car Doors Nothing Happens. But When I Push The...
Asked by
l8ndad
·
1 ANSWER
4 IMAGES
2008
CHEVROLET COBALT
Power Locking Stopped Working
Hello, Can You Please Tell Why Would The Power Locking Would Stop Working And Would Not Lock Or Unlock When Press But It Will Do It On The...
Asked by
Malik Walker
·
1 ANSWER
4 IMAGES
2008
CHEVROLET COBALT
Power Door Locks Not Working With Door Buttons Or Fob
The Power Door Locks Will Not Work With The Door Buttons Or The Fob. If Unlocked When Shifting Into Drive They Will Lock, When Put Into...
Asked by
m.j.c.
·
9 ANSWERS
2008
CHEVROLET COBALT
VIEW MORE
Ask a Car Question. It's Free!
Door Panel Removal
How to Use a Test Light
Fix a Door That Will Not Close