Air conditioner not working

Tiny
IBRAHIM33
  • MEMBER
  • 2001 MERCEDES BENZ S320
  • 6 CYL
  • AUTOMATIC
  • 550 MILES
Hot air and no electric for compressor. A/C compressor has no power going to it
Thursday, August 1st, 2019 AT 9:33 AM

1 Reply

Tiny
KEN L
  • MASTER CERTIFIED MECHANIC
  • 55,322 POSTS
Hello

The first thing we need to do is check to see if the system has a charge we can do that by following this guide

https://youtu.be/uZrQCGwXfek

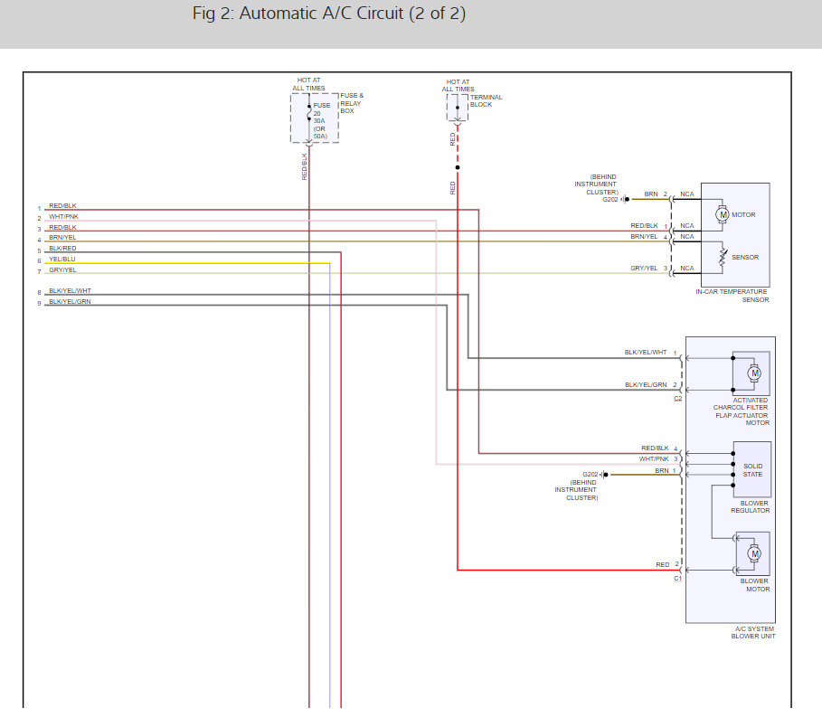
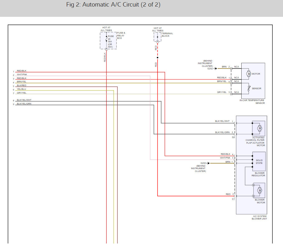
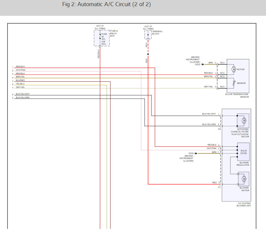
If the charge is okay we need to check the system fuses here is a guide to help with that and the air conditioner wiring diagrams so you can see how the system works and which fuses to check

https://www.2carpros.com/articles/how-to-check-a-car-fuse

Check out the diagrams (Below). Please let us know what you find. We are interested to see what it is.
Was this
answer
helpful?
Yes
No
Friday, August 2nd, 2019 AT 1:27 PM

Please login or register to post a reply.