No start, got new crank position sensor, new coil?

Tiny
DOWNINTHEFRONTROW
  • MEMBER
  • 1996 DODGE RAM
  • 5.2L
  • V8
  • 2WD
  • AUTOMATIC
  • 170,000 MILES
I have a no start, got new crank position sensor, new coil. It would start then die until warmed up then ran fine. Now I turn ignition on and I get power at coil for 1-2 seconds then I hear a click and no power, nothing. As a test, can I run a 12v wire from battery hot straight to coil? Will I damage anything?
Monday, September 9th, 2024 AT 9:50 AM

12 Replies

Tiny
KEN L
  • MASTER CERTIFIED MECHANIC
  • 55,350 POSTS
You can run 12 volts to the coil + side and be okay for testing. I can tell you the ASD relay can cause this issue. Here is the location so you can swap it out to see if it makes a difference. Also this video can help.

https://youtu.be/lXLJbuAZ4CE?si=qiihmSfOPIEjZN-y

Check out the images (below). Please let us know what happens.
Was this
answer
helpful?
Yes
No
+1
Thursday, September 12th, 2024 AT 8:50 AM
Tiny
DOWNINTHEFRONTROW
  • MEMBER
  • 10 POSTS
  • 1996 DODGE RAM
  • 5.2L
  • V8
  • 2WD
  • AUTOMATIC
  • 170,000 MILES
It was broken into and stripped key ignition so I start with a screwdriver but it started and would die unless I high revved it till warmed up then it ran fine. I replaced crank position sensor, air intake valve sensor and then I removed/cleaned O2 sensors, the upstream was dented from thieves with a quickie saw attempted to steal cat and exhaust sys. Then a short in harness. Now I get fire at coil when key is turned for 1-2 seconds then a click and no more fire and won't start. ASD? The black plastic collar with all wires that plug in under the steering wheel just spins and seems to make no difference as to drivability when it was running. I get 1 second of fire at distributor then click! Will it damage my PCM or other parts if I run a wire straight from battery to coil for fire? Must that ignition and collar part be replaced? Also, the 5v service wire, is that like a closed loop ground to all sensors? And if opened anyplace will cause problems all over?
Was this
answer
helpful?
Yes
No
Friday, September 13th, 2024 AT 5:39 PM (Merged)
Tiny
KEN L
  • MASTER CERTIFIED MECHANIC
  • 55,350 POSTS
It sounds like the security system is engaged, can I ask if the security light is flashing when you crank the engine over? If so, this is the case, did you replace the infrared sensor ring that goes around the ignition key? This is what senses the key chip. Can you please shoot a quick video with your phone so I can hear the noise? That way I can tell for sure what's going on. You can upload it here with your response. Check out the images (below). Let us know how it goes.
Was this
answer
helpful?
Yes
No
+1
Friday, September 13th, 2024 AT 6:07 PM
Tiny
DOWNINTHEFRONTROW
  • MEMBER
  • 10 POSTS
I used a screwdriver to start it, that's the way it was when I bought it and started and drove fine(except for hard cold starts) until I started removing wiring to a factory h/d ac condenser unit and electric trailer brake wiring. I believe it's a relay that goes to the ASD or something that's shouting pwr off from time to coil.
Was this
answer
helpful?
Yes
No
Friday, September 20th, 2024 AT 11:42 AM
Tiny
KEN L
  • MASTER CERTIFIED MECHANIC
  • 55,350 POSTS
When you try to start the engine is the security light flashing?
Was this
answer
helpful?
Yes
No
Friday, September 20th, 2024 AT 1:50 PM
Tiny
DOWNINTHEFRONTROW
  • MEMBER
  • 10 POSTS
I get no service lights when ign is turned on or turned over. Van has/had a pro air sys. And a elec. Trailor brake installed when new. I am removing/disconnecting these. So I have secondary relays fuses wired directly inside fusebox(tipm) is that what it's called? Tipm? Heres pertinent wiring info needed.
All wires to obd2 wrapped in steering and tore out. Van still ran ok once warmed up. Last month when I got it it wouldn't start, start & die, not stay running cold, I would have to rev continually until warm then it ran fine all day. So I decided to fix it and remove rewiring obd2 port. From battery + go's 2 relays mounted just above battery on firewall then to starter coil. It turns over strong. Look at pics, i've got 7 wires hanging under dash I need to identify.#1- blk/tan. #2-blk/prp #3- blk/wht #4- pnk/prp
#5-pnk #6- lt grn/wht, and last is yellow, I know it is the brake switch wire, what color wire does it go to? I know! It's a beast. All the heavy duty wiring to ac unit in rear I am yanking out or bypassing! I broke down for the manual that arrives in days
Was this
answer
helpful?
Yes
No
Monday, September 23rd, 2024 AT 10:11 AM
Tiny
KEN L
  • MASTER CERTIFIED MECHANIC
  • 55,350 POSTS
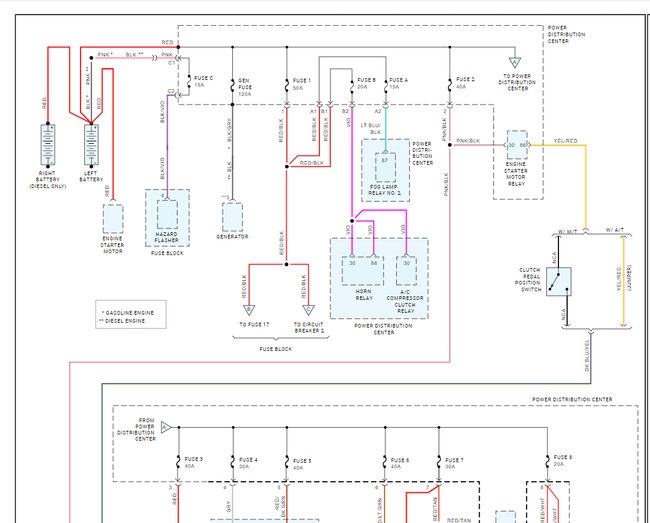
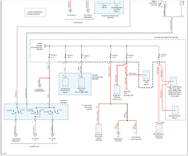
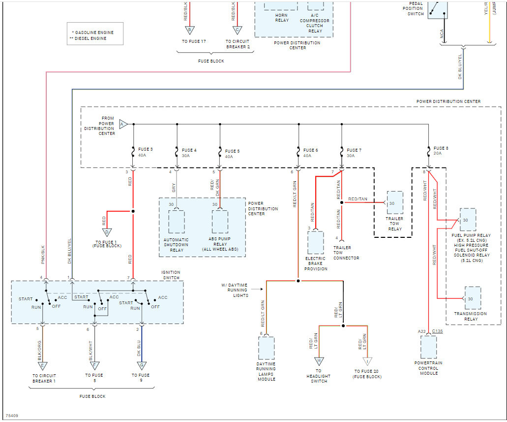
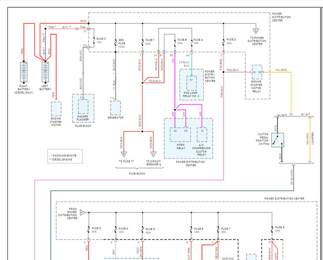
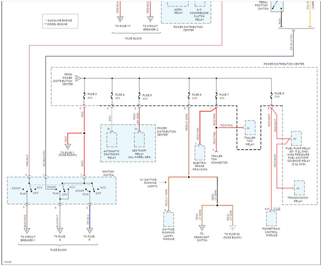
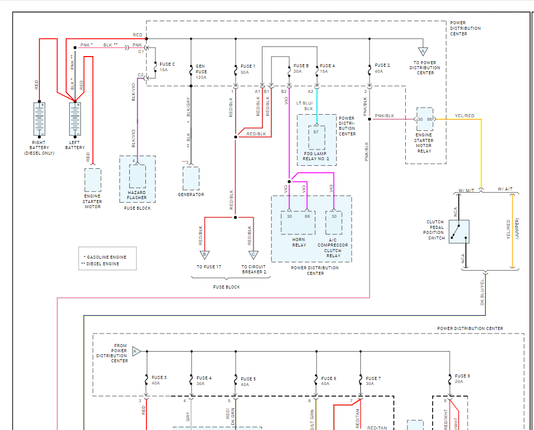
I don't see the images? Here are the wiring diagrams for the OBD2 data connector. Make sure to check fuse #17 which powers the connector. Check out the images (below). Please let us know what happens.
Was this
answer
helpful?
Yes
No
+1
Monday, September 23rd, 2024 AT 1:15 PM
Tiny
DOWNINTHEFRONTROW
  • MEMBER
  • 10 POSTS
The switch in Pic is dash switch to AC blower fan speed switch.
Was this
answer
helpful?
Yes
No
Tuesday, September 24th, 2024 AT 10:58 AM
Tiny
DOWNINTHEFRONTROW
  • MEMBER
  • 10 POSTS
The 2 relays are above battery are for power elec brake and 2nd AC condenser behind couch in rear of van, also I have a solid yellow wire from brake switch that is dead w/o brake and hot when brake is applied, where/what color wire does it go to and theres a blk/wht wire with a plastic clip on end(see it in pic) and I can not find where it go's!. This is the most confusing mess I've worked on. Does dodge color code wires systems? Example: all brown or brown stripped wires are lighting, all red or red stripped are power, all green or green stripped are AC, all orange or orange stripped are brake system ect ect. Thanks to anyone still trying to follow and help me. Mechanics are glutens :) thanks guys
Was this
answer
helpful?
Yes
No
Tuesday, September 24th, 2024 AT 11:17 AM
Tiny
DOWNINTHEFRONTROW
  • MEMBER
  • 10 POSTS
In Pic is 2 fused 20amp and a relay under driver side of dash from engine compartment to rear elec brake sys and rear AC unit. Also see in pic there's a OBD1 port (i think it is) with wires hooked up, but I dont want to do anything but see what's hot and not, 2 are constantly hot others are not. Thanks if your still helping me. These things cause brain tumors I think. I dream of bundles of colors of wire all tangled and knotted! What a mess.
Was this
answer
helpful?
Yes
No
Tuesday, September 24th, 2024 AT 11:29 AM
Tiny
DOWNINTHEFRONTROW
  • MEMBER
  • 10 POSTS
I will take a video when I get out to job. Thank you for any and all help. What is the best way to confirm power past starter? To test relay on alternator? Isn't there a starter relay? I'm braindamaged! I should be so far past that test but I'm not. So, confused I may dye my hair blue and pull it out.
Was this
answer
helpful?
Yes
No
Tuesday, September 24th, 2024 AT 11:40 AM
Tiny
KEN L
  • MASTER CERTIFIED MECHANIC
  • 55,350 POSTS
Lol, yep wiring can be fun :/ If you have a test light that is the best way to get through a wiring problem like this one.

https://www.2carpros.com/articles/how-to-use-a-test-light-circuit-tester

Just check for power along the wiring diagram and fuses, this one is for main power, we can take it one step at a time. Check out the images (below). Let us know how it goes

Was this
answer
helpful?
Yes
No
Thursday, September 26th, 2024 AT 11:06 AM

Please login or register to post a reply.