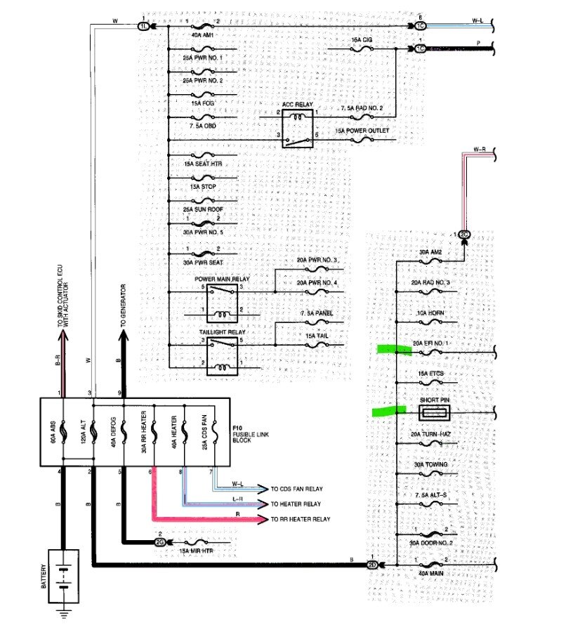
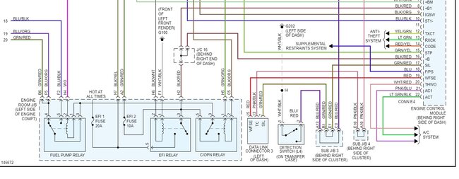
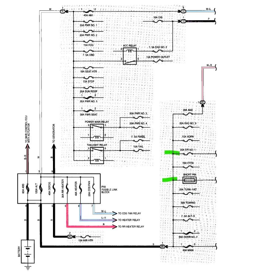
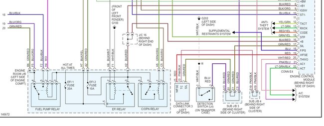
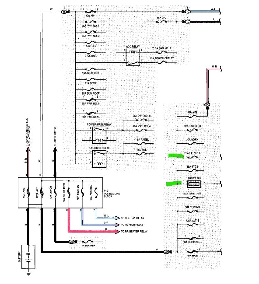
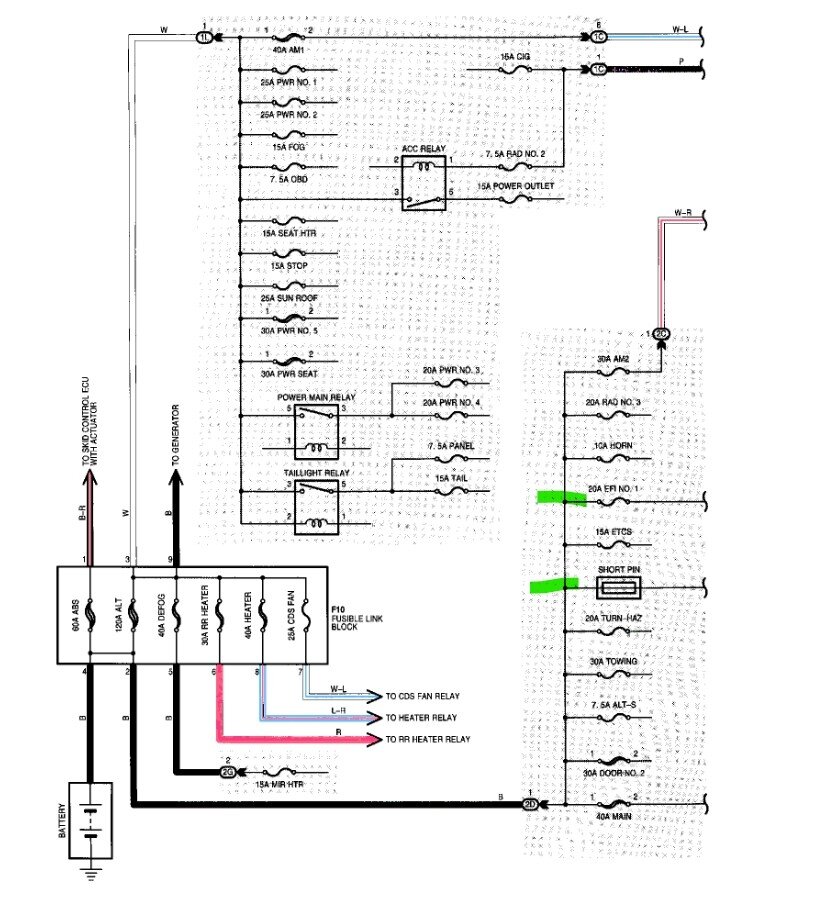
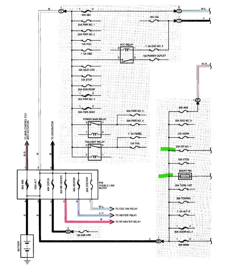
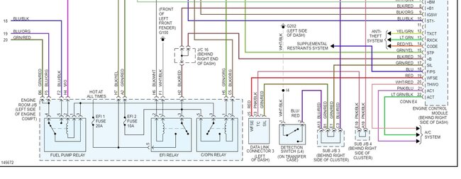
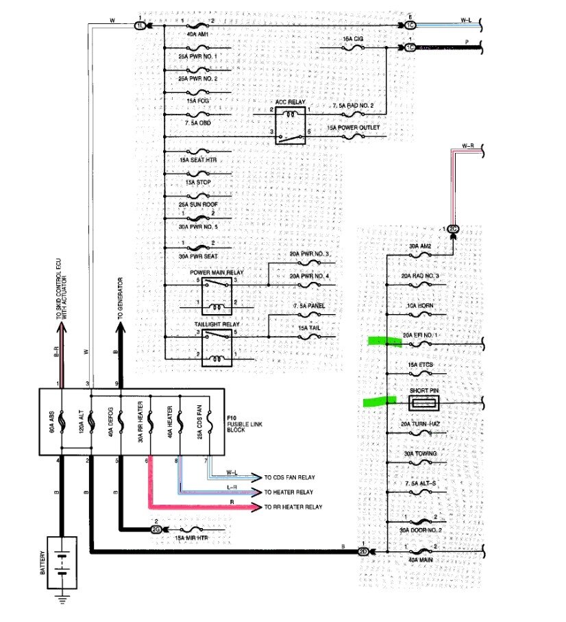
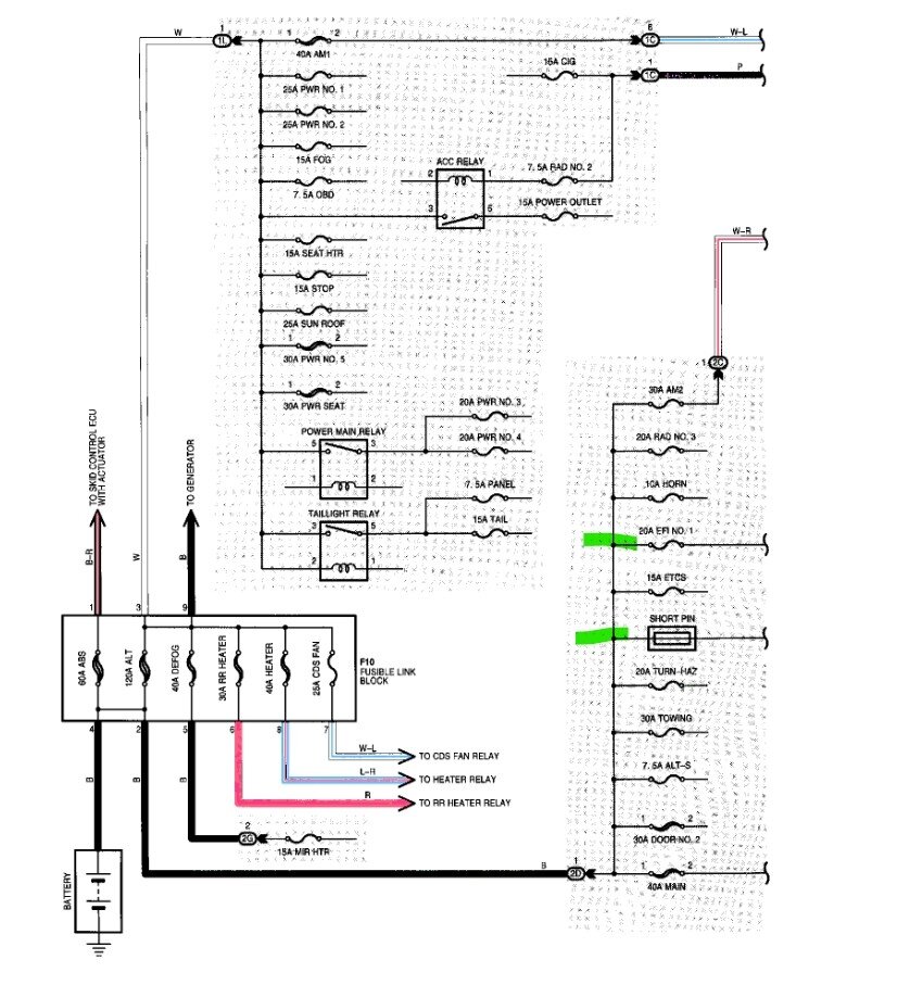
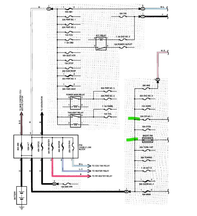
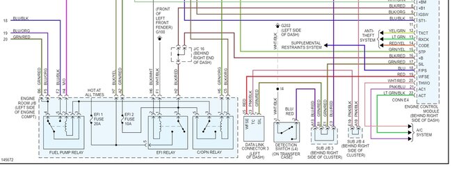
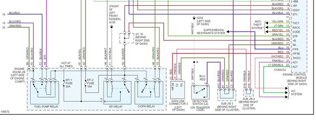
No power to the EFI number two fuse?

Tiny
REDMANX
  • MEMBER
  • 2001 TOYOTA SEQUOIA
  • 4.7L
  • V8
  • AUTOMATIC
  • 247,674 MILES
All the other fuses have power. Fuse #22 ECU-B only has power on one side.
Friday, January 27th, 2023 AT 1:29 PM

1 Reply

Tiny
STEVE W.
  • MECHANIC
  • 15,671 POSTS
Okay, the ECU B having power to one side indicates the fuse is bad, even if it looks okay. As for the EFI #2 fuse, it receives power from the ECM 1 fuse through the EFI relay. I suspect that the control signal that turns that relay on gets its power through the ECU and fuse B. I would start by determining what the issue with ECU fuse B and see if that allows the relay to activate and get the EFI 2 fuse to power up.
With the power on just one blade, I would start there.
Was this
answer
helpful?
Yes
No
Saturday, January 28th, 2023 AT 6:08 AM

Please login or register to post a reply.