ECU replacement

Tiny
MICHELLE RIGBY
  • MEMBER
  • 2007 HOLDEN CAPRICE
  • 6.0L
  • V8
  • 2WD
  • AUTOMATIC
  • 200,000 MILES
Hi, can you advise what checks I should do when replacing a blown ECU on the vehicle listed above WM Gen 4 with a factory reset ECU.

Should I be doing any checks on the wiring or other areas to ensure that the replacement part does not short out, as I am unsure as how it shorted out in the first instance?

any assistance would be grateful.
Saturday, March 12th, 2022 AT 6:08 PM

2 Replies

Tiny
BORIS K
  • MECHANIC
  • 836 POSTS
Hello,

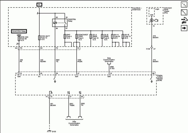
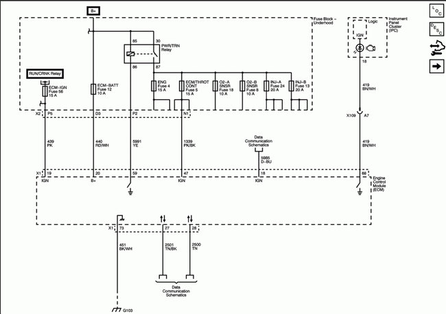
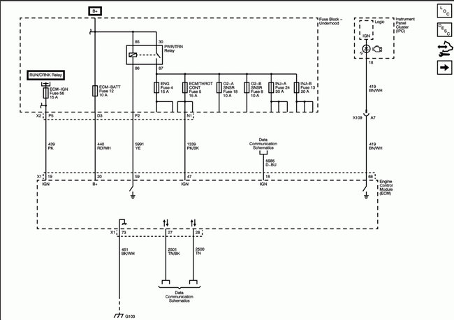
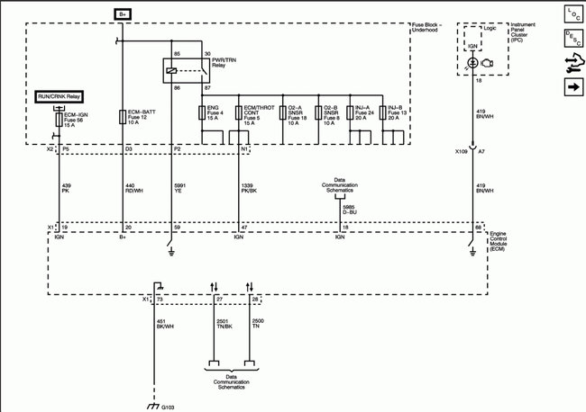
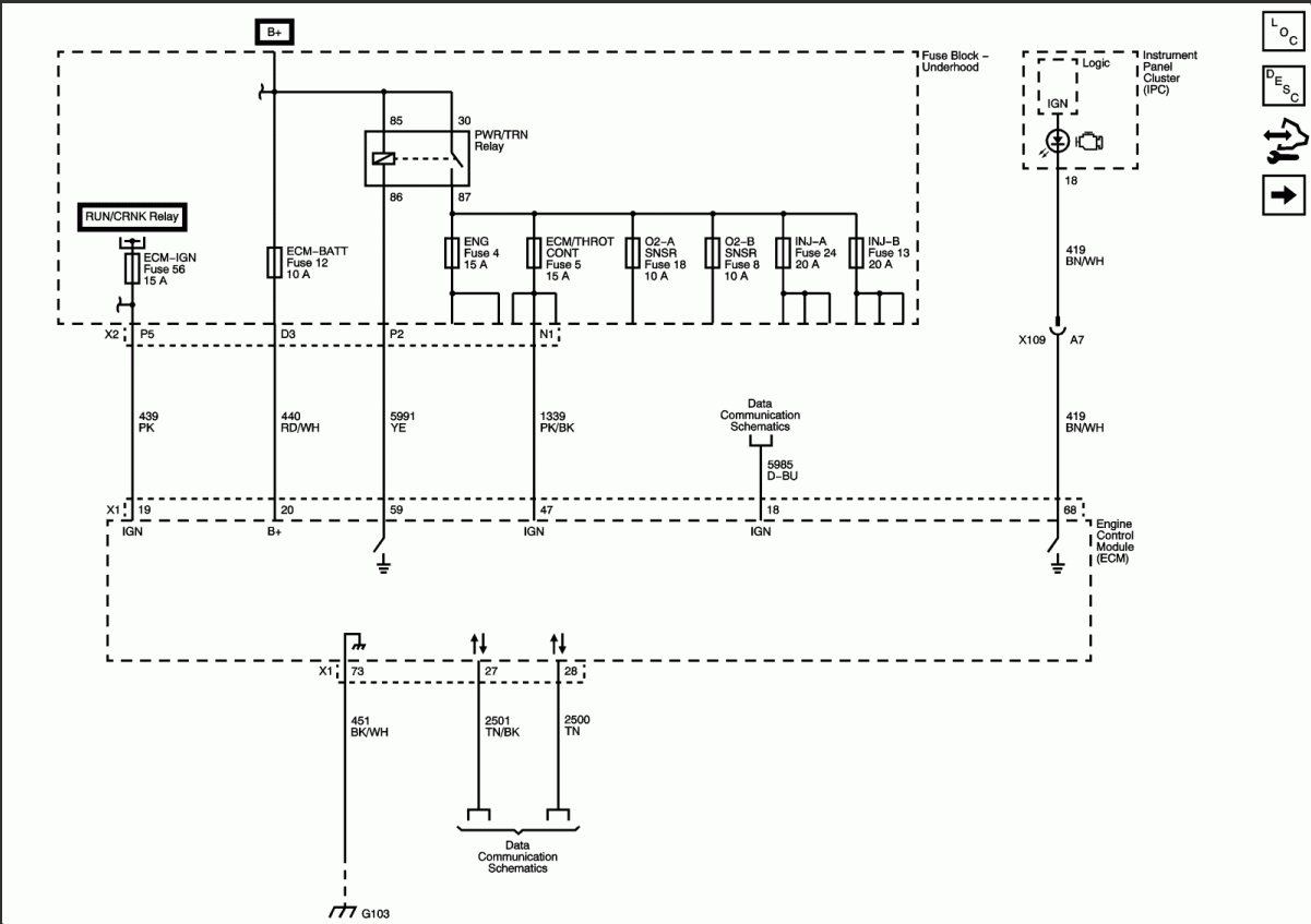
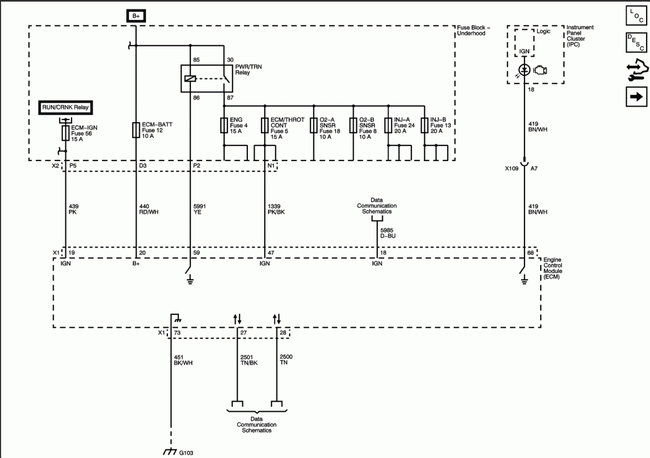
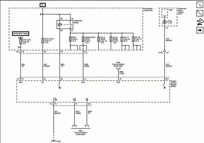
Below is the pin out for the ECM.
Ensure that pins 19 and 18 have ignition, 12V supply.
Pin 47, pink/black wire, will only have ignition in once the ECM is plugged in.
Pin 20, red/white wire, should have permanent 12V.
Ensure that pin 73, black/white wire, has a good ground connection.
Check for high resistance between pin 73 and a good chassis ground.
You should see less than 5 ohm.
Also check that this wire has no more than 0.3V on it, so no short to voltage.
Using a test light connected to 12V supply and use pin 73 as a ground and check that the test light illuminates bright.
These checks can be done using a multi meter or test light

How to use either:
https://www.2carpros.com/articles/how-to-use-a-voltmeter
and
https://www.2carpros.com/articles/how-to-use-a-test-light-circuit-tester

Please keep in mind that the replacement ECM will have to be programmed using suitable equipment such as TECH2

Please let us know how you get along

Cheers, Boris
Was this
answer
helpful?
Yes
No
+1
Sunday, March 13th, 2022 AT 12:52 AM
Tiny
MICHELLE RIGBY
  • MEMBER
  • 2 POSTS
Thanks for your response. We are yet to utilize your advice but will let you know how it goes.
Was this
answer
helpful?
Yes
No
Tuesday, May 3rd, 2022 AT 10:47 AM

Please login or register to post a reply.