Monday, February 6th, 2017 AT 8:29 PM
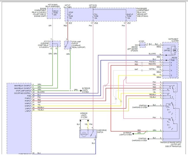
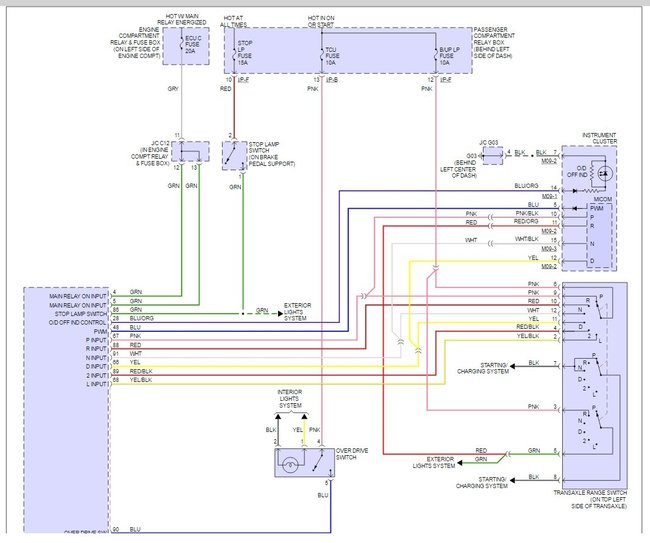
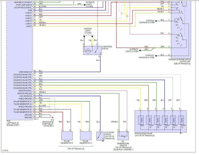
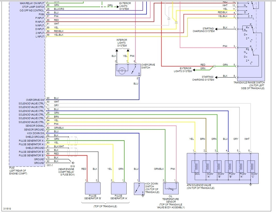
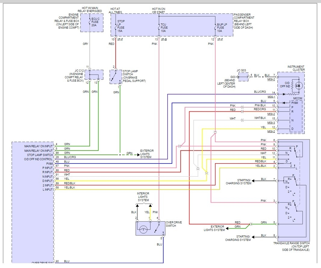
After taking a exit off of interstate, the check engine light illuminated. Went and had it scanned at local Autozone and was told it was "vehicle/transmission speed sensor". I replaced both the input and output sensors located on transmission. After maybe sixty miles, check engine light illuminates again. This time I go have it hooked up to a computer scanner. While driving the car down the road the ECM is showing that I am going zero mph. Is it the ABS wheel speed sensor that sends that information to the ECM or does someone know which sensor sends that information?




