E-brake not engaging?

Tiny
JGHOWARD
  • MEMBER
  • 2018 CHEVROLET EQUINOX
  • 4 CYL
  • AUTOMATIC
  • 90,000 MILES
I had to have my brake booster and ABS module replaced. I picked my vehicle up from the mechanic and discovered the e-brake was not engaging. Indicator lights are not appearing in the dash to show its active or has been released. I have no emergency brakes!

What could be wrong? Could the repairs to the other two components have caused this issue? Can I fix this myself?
Sunday, December 8th, 2024 AT 4:46 AM

7 Replies

Tiny
STEVE W.
  • MECHANIC
  • 15,613 POSTS
It depends on which way they replaced those parts, if they replaced only the solenoid pack on the ABS module and didn't disconnect the lines to replace the booster so they didn't need to bleed the brakes it shouldn't have any effect. However, they likely put the car in service mode to enable the repairs and forgot to reset the E-Brake when they finished. Unless you have a bi-directional scan to that can put the vehicle in service mode and reset the brakes then there is no way to DIY a repair. I would simply take it back and have them do the reset. It shouldn't take very long and should have been done if they had used service mode.
Was this
answer
helpful?
Yes
No
+1
Sunday, December 8th, 2024 AT 8:20 AM
Tiny
JGHOWARD
  • MEMBER
  • 4 POSTS
Thanks. Set to take it back Monday.
Was this
answer
helpful?
Yes
No
Sunday, December 8th, 2024 AT 10:35 AM
Tiny
STEVE W.
  • MECHANIC
  • 15,613 POSTS
You are welcome. It's one of the things that makes it harder for owners to repair their own vehicles.
Was this
answer
helpful?
Yes
No
Sunday, December 8th, 2024 AT 12:05 PM
Tiny
JGHOWARD
  • MEMBER
  • 4 POSTS
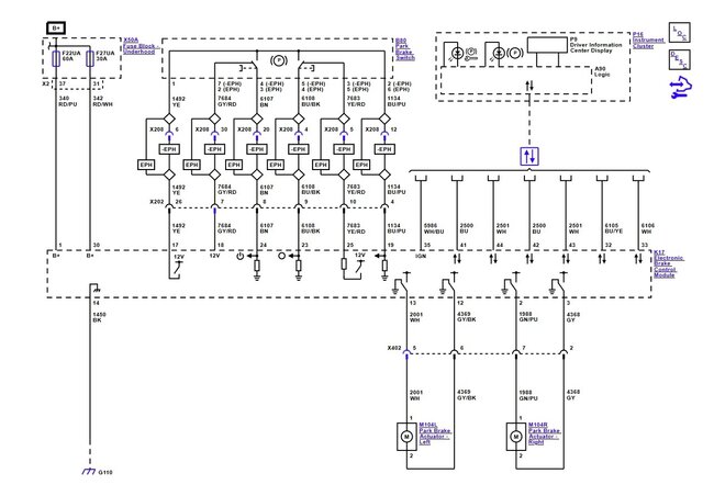
I bought an OBD II. Here are the codes. Seems they caused the problem during the repair. I hope he doesn't try to charge me labor to correct it.
Was this
answer
helpful?
Yes
No
Sunday, December 8th, 2024 AT 6:36 PM
Tiny
STEVE W.
  • MECHANIC
  • 15,613 POSTS
Possibly a bent pin or bad EBCM. The codes indicate a couple of problems but the brake code is a history code so it will take some testing with a bi-directional tool and doing the reset to see what is going on.
Was this
answer
helpful?
Yes
No
Sunday, December 8th, 2024 AT 8:35 PM
Tiny
JGHOWARD
  • MEMBER
  • 4 POSTS
So this issue is not related or caused by the replacement of the booster, pump and ABS module?
Was this
answer
helpful?
Yes
No
Monday, December 9th, 2024 AT 2:07 AM
Tiny
STEVE W.
  • MECHANIC
  • 15,613 POSTS
It could have been from the module if they replaced the entire unit. They would have put it into service mode and then may have forgotten the reset. It's also possible that it is something else, but because they did that work and it may simply be a missed step I would have them look at it to see if that is the case. It's also possible that the replacement module has a problem but without testing it there isn't any way to tell for sure.
Was this
answer
helpful?
Yes
No
Monday, December 9th, 2024 AT 7:29 AM

Please login or register to post a reply.