My climate control display not working?

Tiny
BODYMAN2
  • MEMBER
  • 1998 PONTIAC GRAND PRIX
  • 3.8L
  • V6
  • 2WD
  • AUTOMATIC
  • 154,000 MILES
My climate control display not working?
Wednesday, August 17th, 2022 AT 1:58 AM

1 Reply

Tiny
KEN L
  • MASTER CERTIFIED MECHANIC
  • 55,420 POSTS
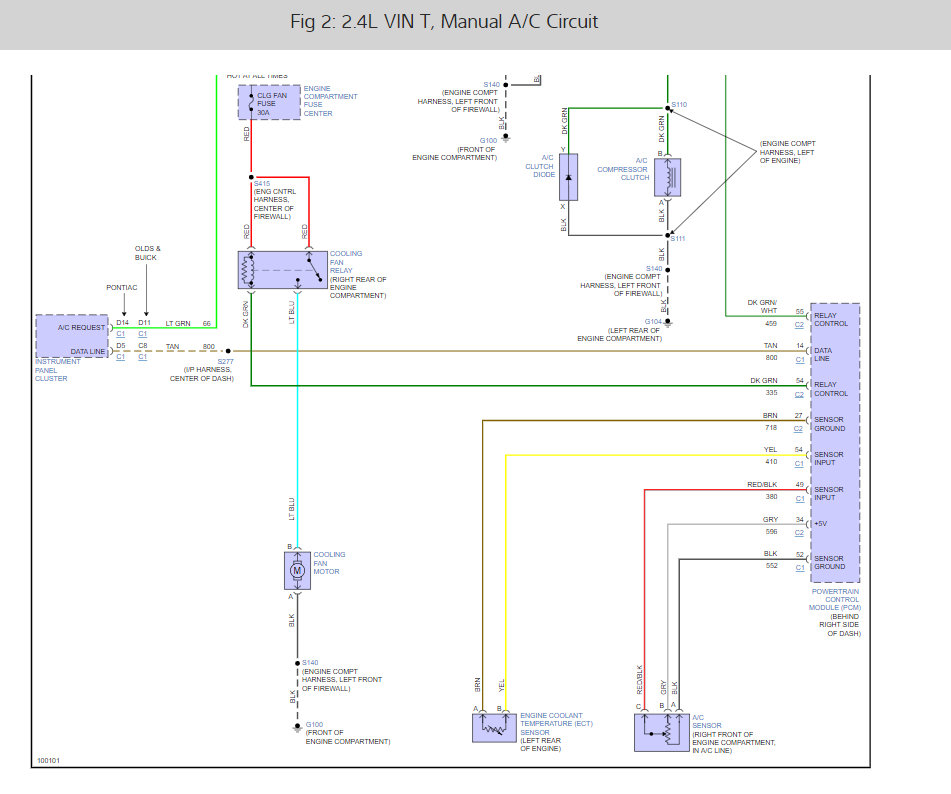
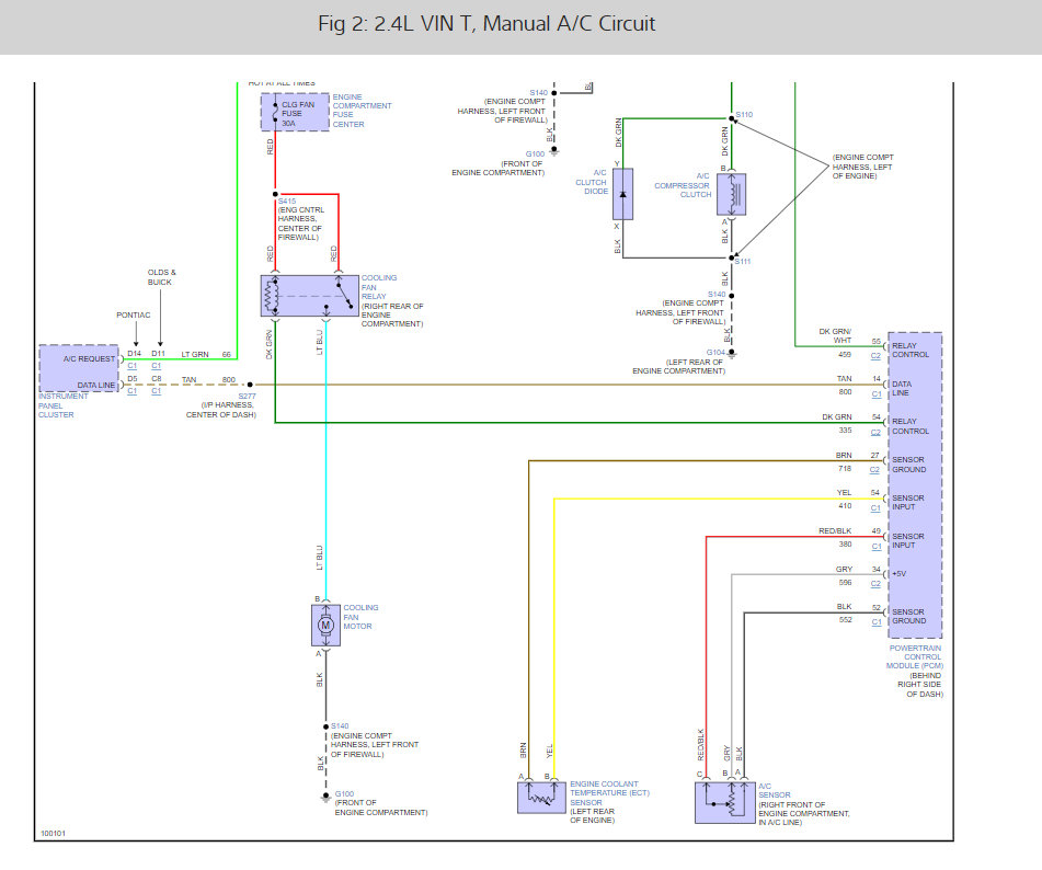
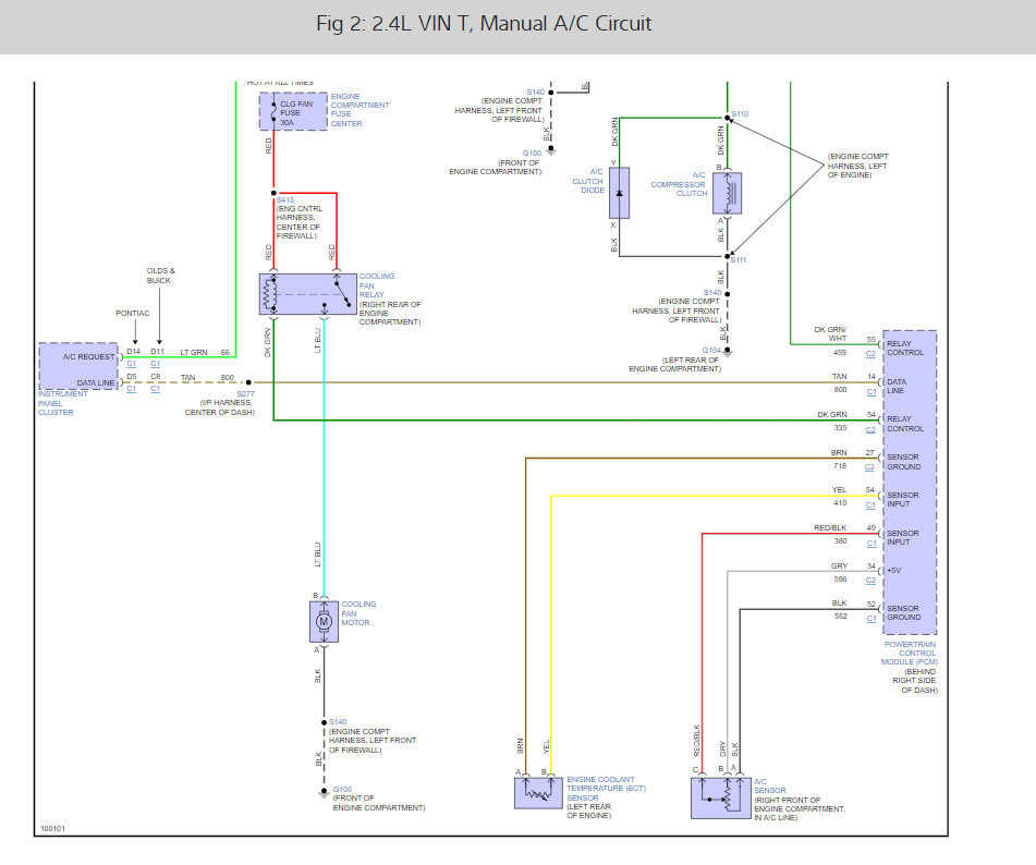
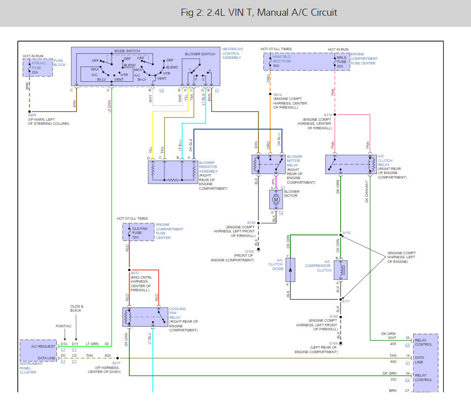
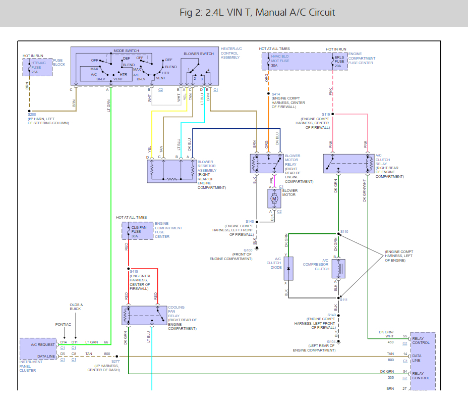
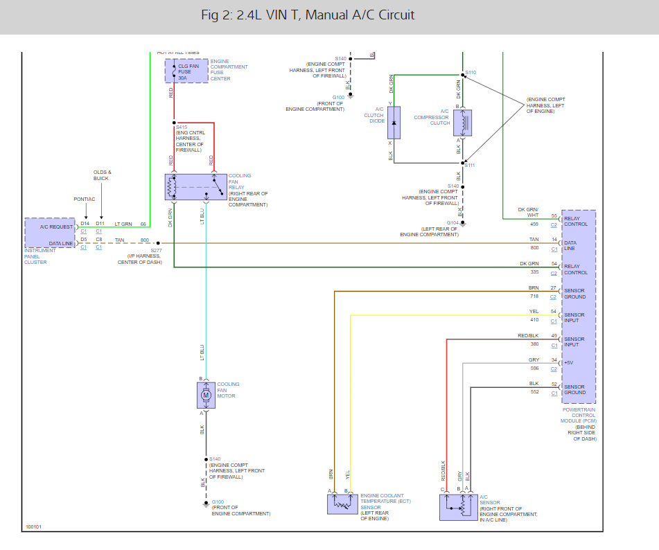
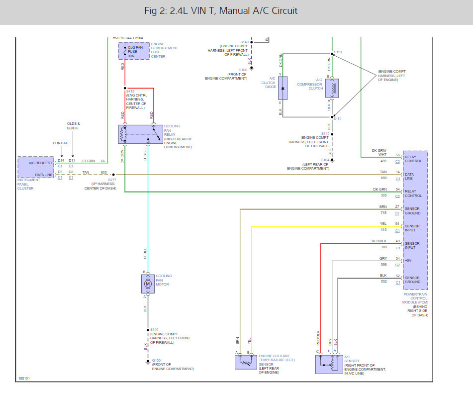
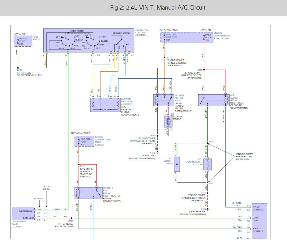
It could be the HVAC controller is out. To be sure let's check the fuses that work the system which are shown in the images below. Also, I included a guide to help check the fuses and the fuse locations as well:

https://www.2carpros.com/articles/how-to-check-a-car-fuse

Here are the HVAC wiring diagrams so you can see how the system works and the fuses. If everything is okay replace the HVAC module. Check out the diagrams (below). Please let us know what you find.
Was this
answer
helpful?
Yes
No
Wednesday, August 17th, 2022 AT 11:54 AM

Please login or register to post a reply.