Why is my dual climate control display not working?

Tiny
BODYMAN2
  • MEMBER
  • 1998 PONTIAC GRAND PRIX
  • 3.8L
  • 6 CYL
  • 2WD
  • AUTOMATIC
  • 154,000 MILES
Dual climate control display not working.
Monday, August 29th, 2022 AT 5:13 AM

1 Reply

Tiny
KEN L
  • MASTER CERTIFIED MECHANIC
  • 55,420 POSTS
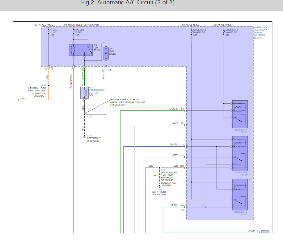
It could be the control panel that is out, but we should check the power fuse (DIC/HVAC and HVAC HIGH) first.

Here is a guide to help you with the HVAC wiring diagrams below so you can see how the system works:

https://www.2carpros.com/articles/how-to-check-a-car-fuse

Check out the diagrams (below). Let us know what happens and please upload pictures or videos of the problem.
Was this
answer
helpful?
Yes
No
-1
Monday, August 29th, 2022 AT 12:05 PM

Please login or register to post a reply.