HOME
ASK A QUESTION
REPAIR GUIDES
BECOME A MEMBER
LOG IN
Login with Facebook
OR
Remember me
NOT A MEMBER?
FORGOT PASSWORD?
CONTACT US
PRIVACY POLICY
TERMS AND CONDITIONS
☰
Home
Chevrolet
Silverado
Exterior Light
Headlight
Not Working
High Beam Headlight are not working, DRL module?
JEREMIAH HARRISON
MEMBER
1998 CHEVROLET SILVERADO
5.7L
V8
2WD
AUTOMATIC
300,000 MILES
High beam headlights not working.
Wednesday, May 24th, 2023 AT 10:21 AM
1 Reply
KEN L
MASTER CERTIFIED MECHANIC
55,322 POSTS
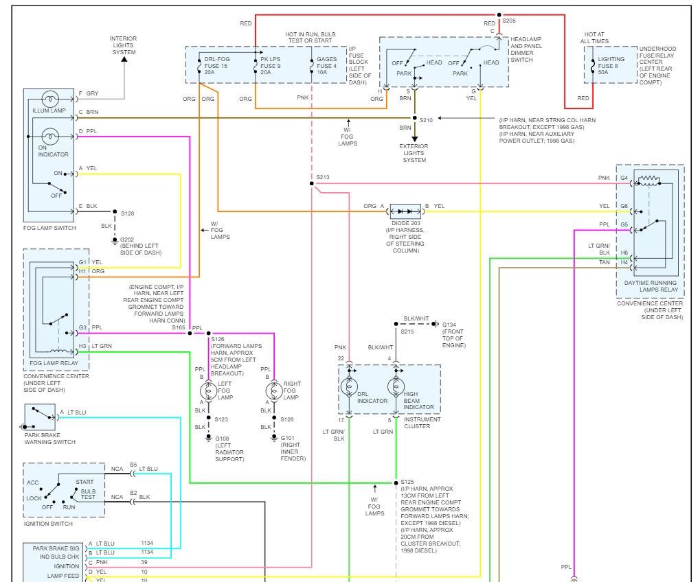
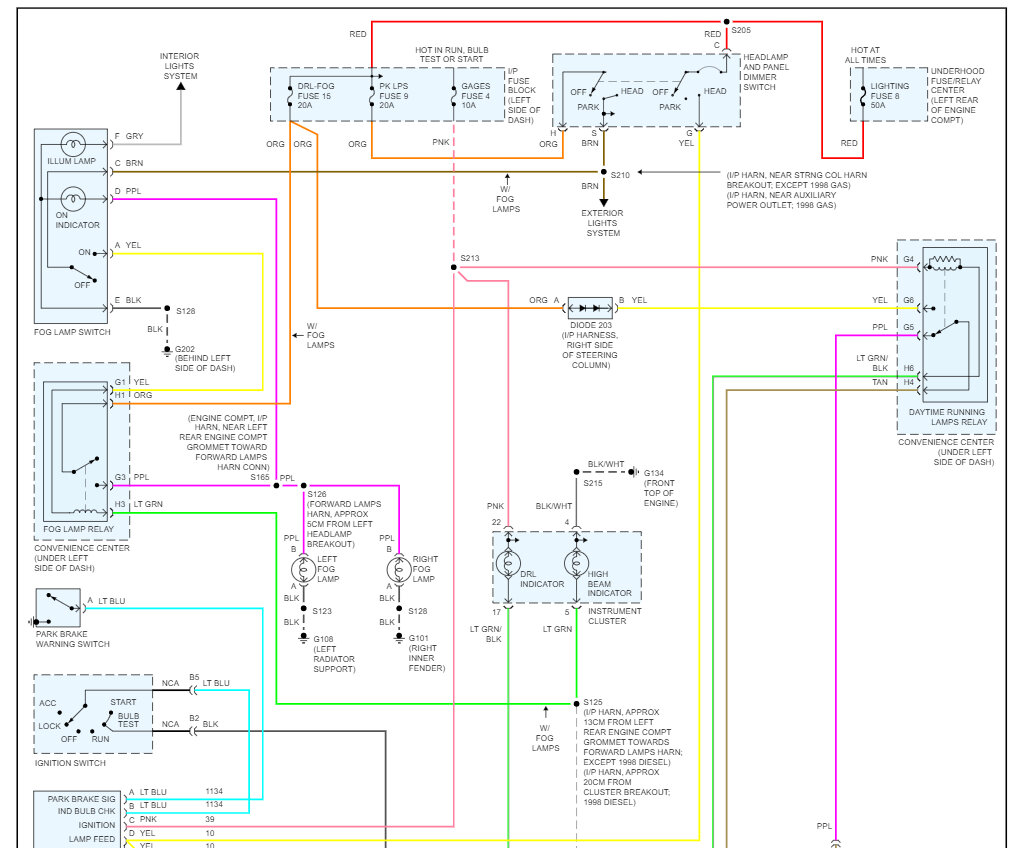
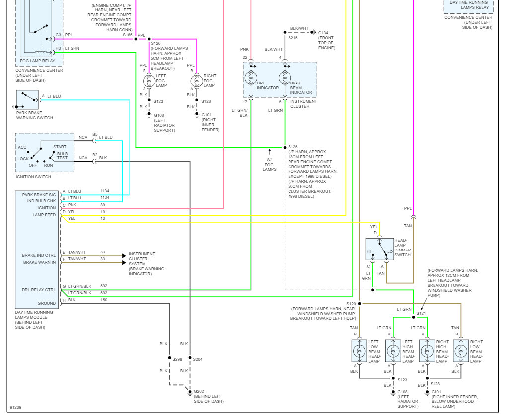
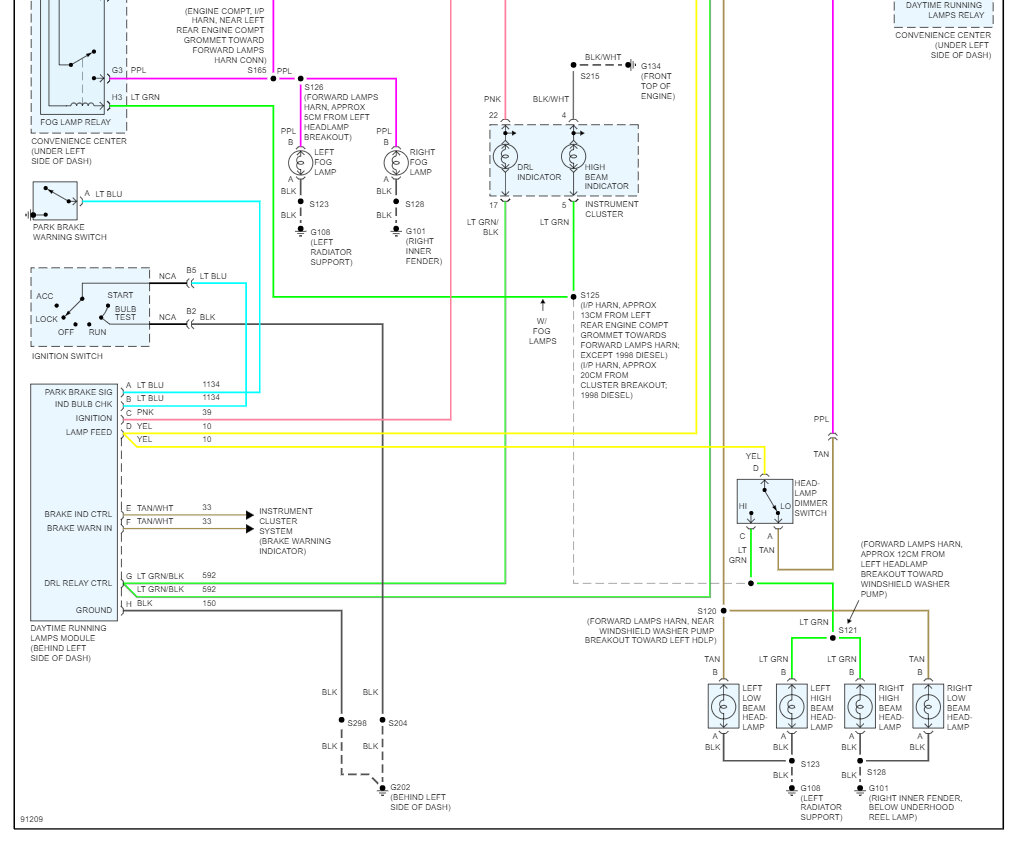
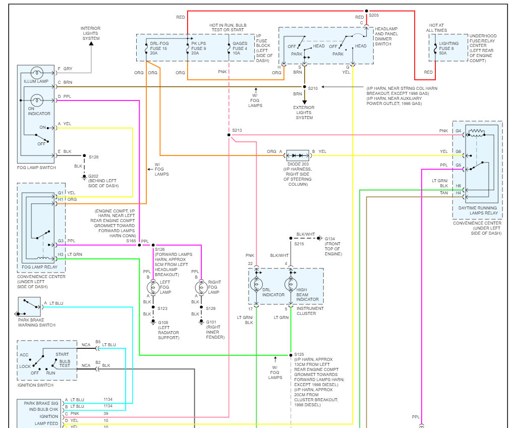
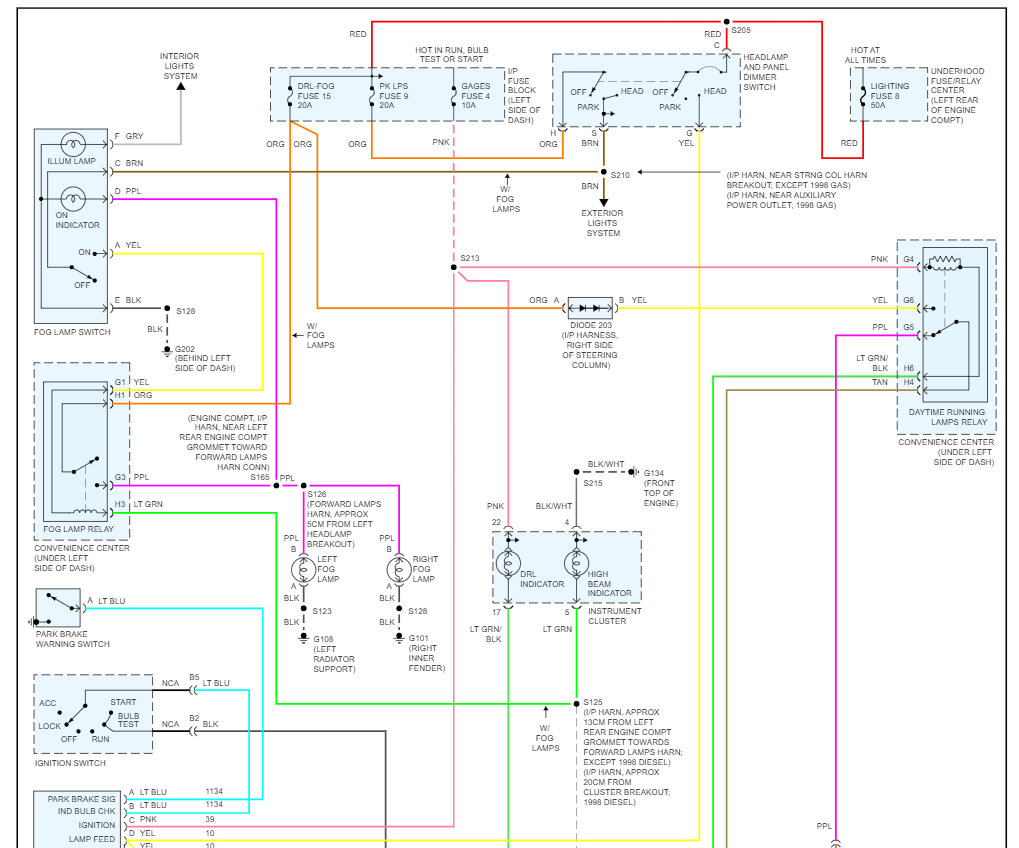
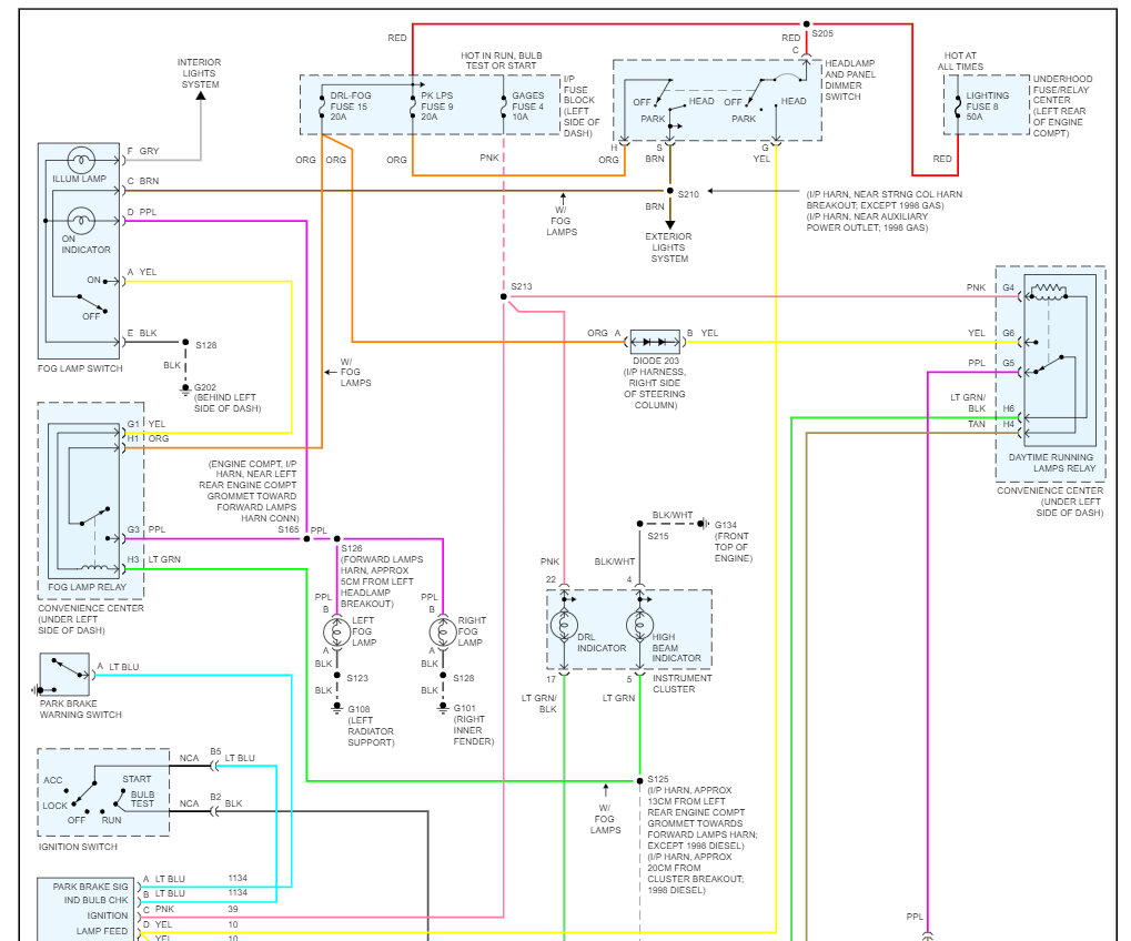
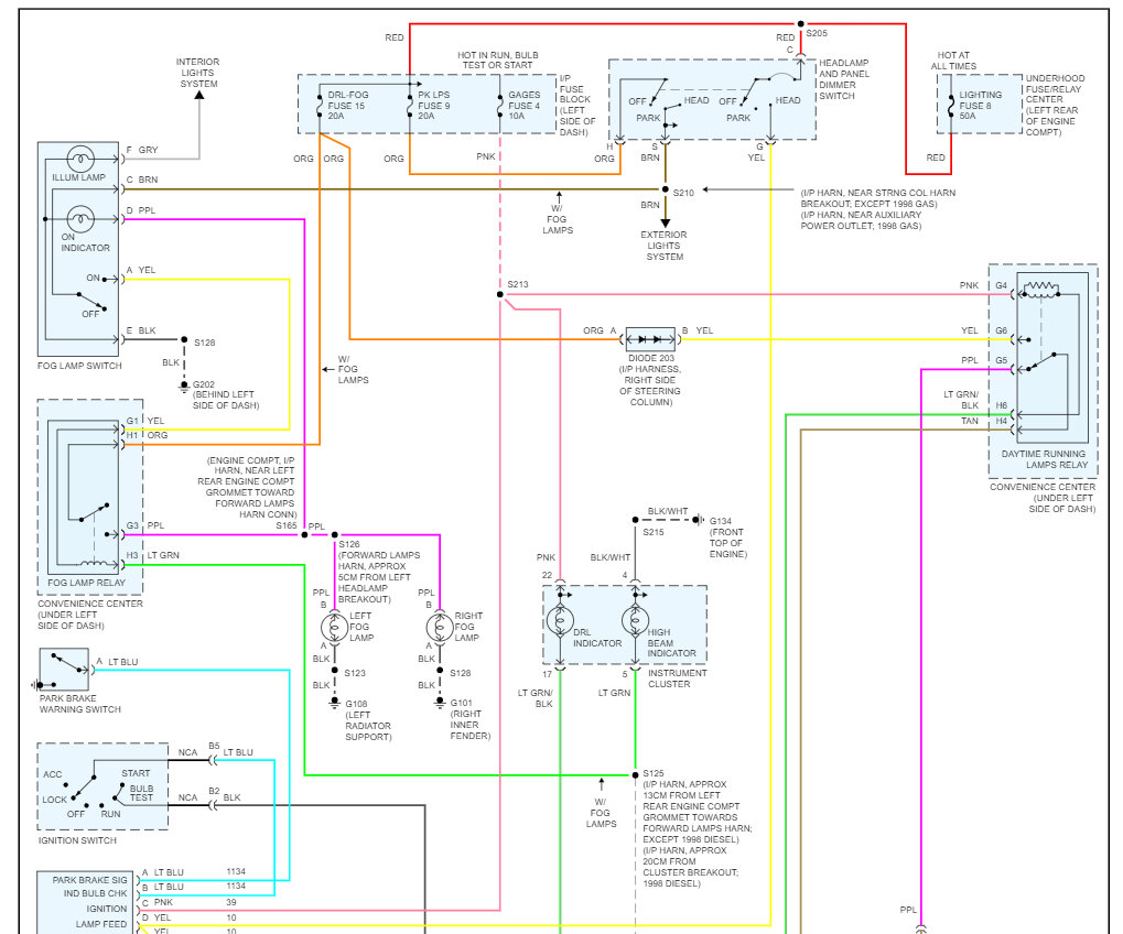
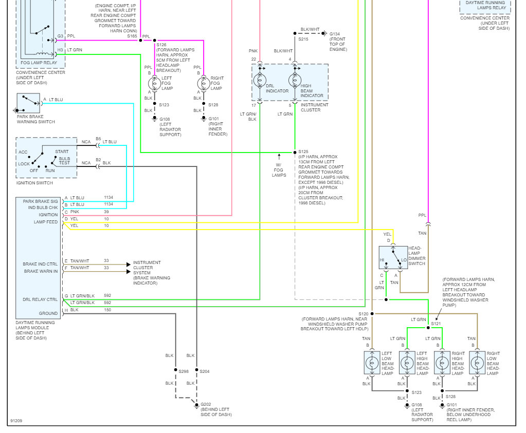
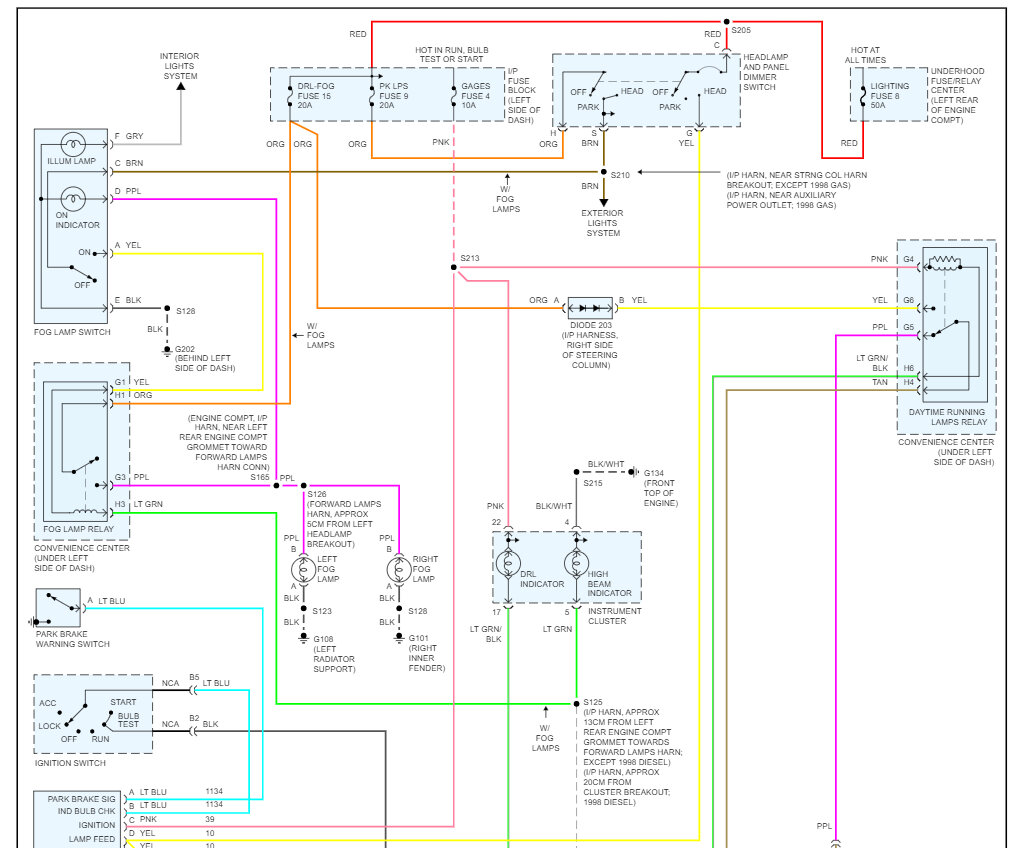
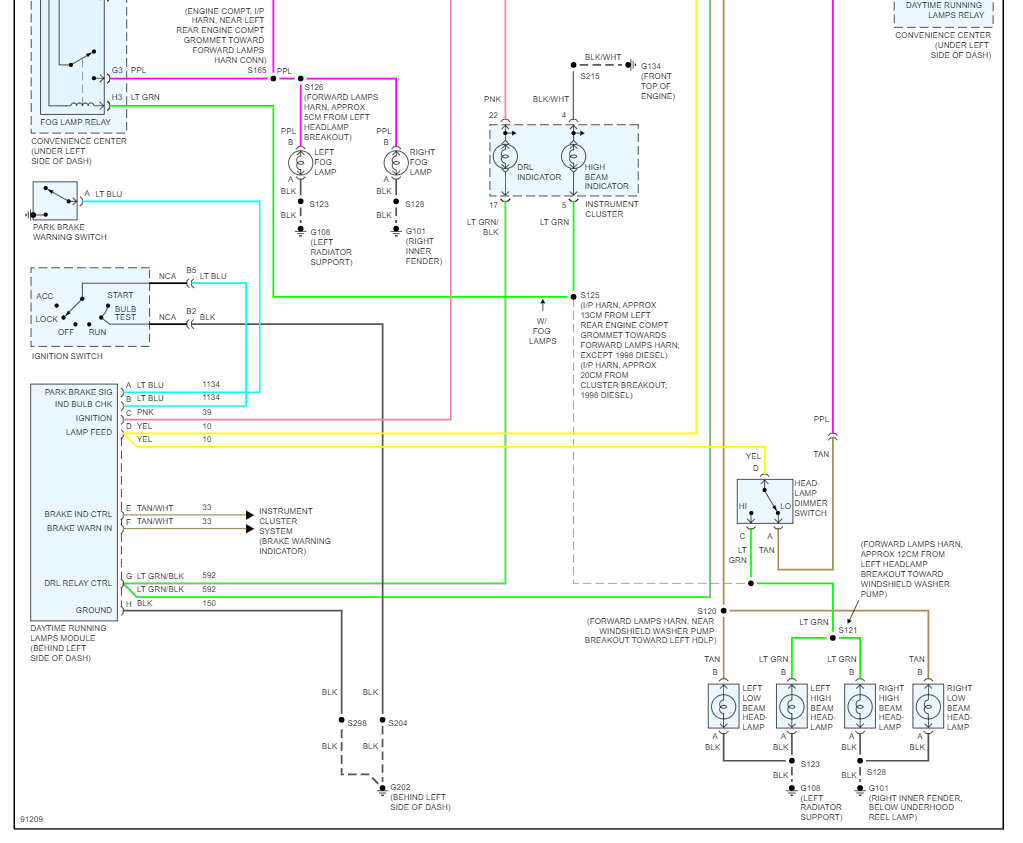
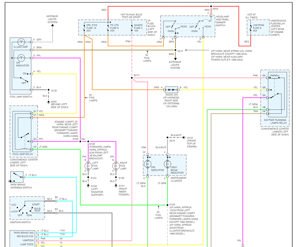
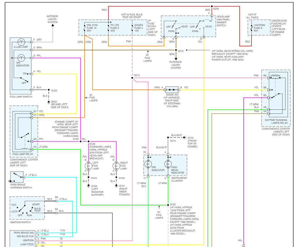
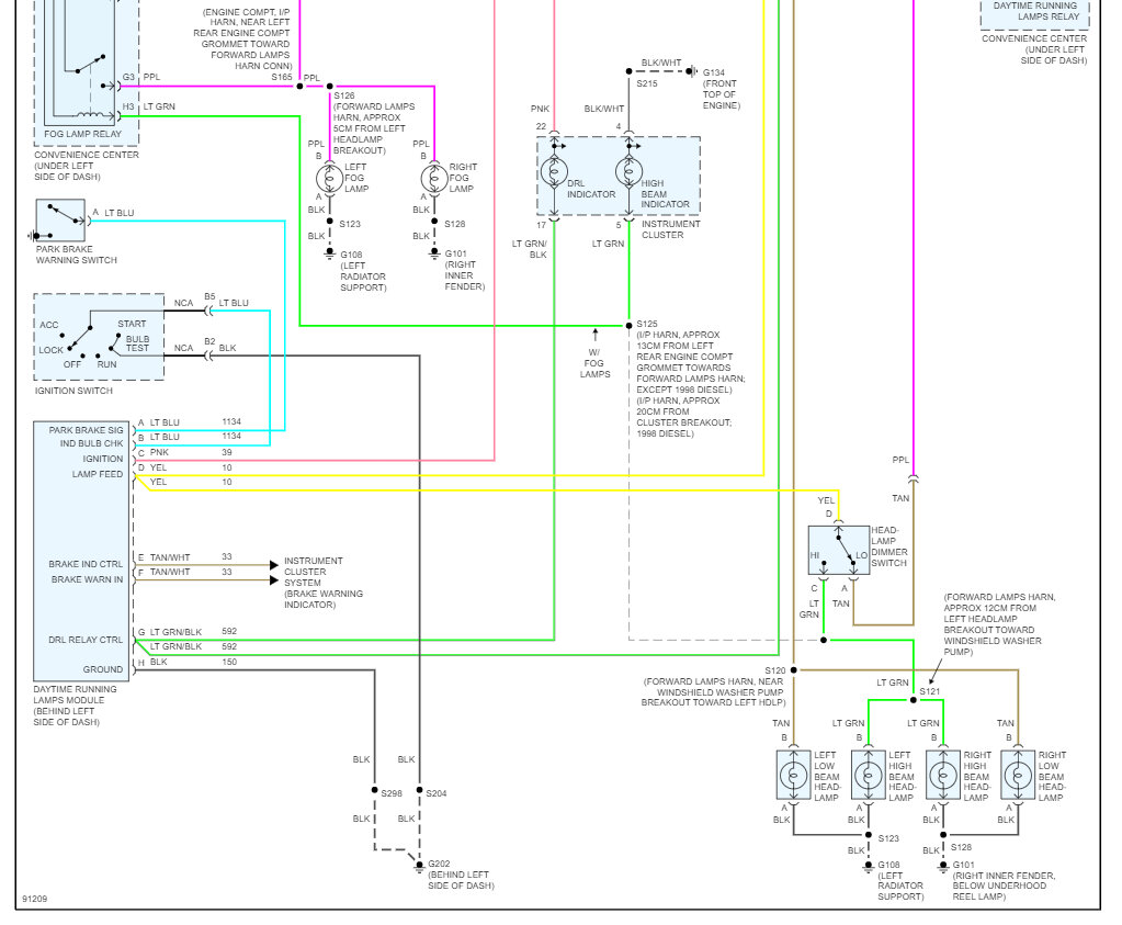
Yes, it could be the DRL module here are the headlight wiring diagrams and a guide to help you check for power so you can see where you lose power from.
https://www.2carpros.com/articles/how-to-use-a-test-light-circuit-tester
Check out the images (below). Please let us know what happens.
Images (Click to make bigger)
Was this
answer
helpful?
Yes
No
Thursday, May 25th, 2023 AT 9:13 AM
Please
login
or
register
to post a reply.
Related Headlight Not Working Content
Headlights Not Working
This Is Not A Question But A Answer For Headlight Problems On A 1998 Chevy K1500 Silverado. If You Have Daytime Running Lights But When...
Asked by
carlcasy
·
39 ANSWERS
8 IMAGES
1998
CHEVROLET SILVERADO
Headlights
My 2003 Silverado Low Beam Automatic Headlights Wont Come On, It Dosent Seem To Be The Low Beam Relay Whats The Problem
Asked by
scott590
·
1 ANSWER
1 IMAGE
2003
CHEVROLET SILVERADO
Headlights Won't Come On
Chevy, 2007 1500p/u, 130,000, V8. The Headlights Won't Come On When The Switch Is Turned. The Daytime Running Lights Seem To Work Fine...
Asked by
Donnerman28
·
5 ANSWERS
17 IMAGES
CHEVROLET SILVERADO
Low Beams Dont Work?
My Low Beam Head Lights Don't Work, Both Suddenly Stopped. Checked All Fuses And Relays And They Are Good, The Switch Is Good Because...
Asked by
tjbanshee
·
1 ANSWER
2 IMAGES
2003
CHEVROLET SILVERADO
2002 Chevy Silverado Headlights At Dark
When Turning On The Ignition Before Daylight Or After Dark, My Headlights Don't Come On, Instead My Parking Lights Come On And An...
Asked by
JamesWallaceJimini
·
5 ANSWERS
2002
CHEVROLET SILVERADO
VIEW MORE
Ask a Car Question. It's Free!
Headlight Dim or Dull
Have a Dim Headlight? - Try Replacing This!
How to Use a Test Light