Codes P1723, P0225, P1151 and P0325

Tiny
DAVID DAVO ESSIEN
  • MEMBER
  • 2004 KIA AMANTI
  • 3.7L
  • V6
  • TURBO
  • 2WD
  • AUTOMATIC
  • 10,500 MILES
Sport light on dashboard and ESP. Car is driving a single gear only and vibrates the whole car badly when shift to reverse gear. Code p1723, p0225, p1151 and p0325. Problem occurred after engine was removed.
Thursday, September 2nd, 2021 AT 12:44 AM

9 Replies

Tiny
JACOBANDNICKOLAS
  • MECHANIC
  • 110,194 POSTS
Hi,

You have a couple of different areas of concern. The 1723 deals with the transmission control relay system. The 325 is related to the knock sensor, and the other ones are related to the accelerator position sensor.

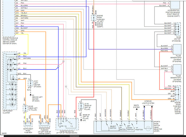
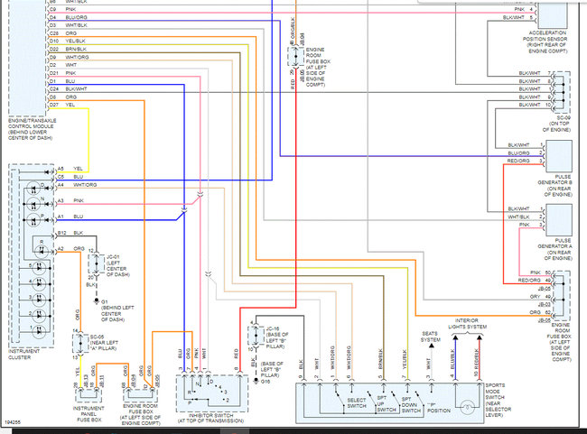
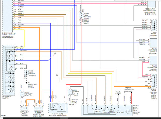
Since it won't shift, let's start with the 1723. First, I attached the wiring schematic below for the transmission circuits. I had to cut the pic in half to make them readable, but I did overlap them so you can follow from one to the next.

First, check the ATM fuse I believe in the under hood fuse box. The schematic indicates it is in the vehicle, but when I check the fuse box, it shows it in the under hood fuse box. In addition to checking the fuse, confirm there is power to and from it. Here is a link you may find helpful:

https://www.2carpros.com/articles/how-to-check-a-car-fuse

If that checks good, locate the ATM relay under the dash on the driver's side. Here is a link that explains how to test a relay.

If the relay tests good, check the connection for damage, corrosion, or a loose pin.

Pic 3 below shows the fuse in the under hood fuse box.

Let me know what you find or if you have other questions.

Take care,

Joe

See pics below.

Was this
answer
helpful?
Yes
No
Thursday, September 2nd, 2021 AT 7:49 PM
Tiny
DAVID DAVO ESSIEN
  • MEMBER
  • 152 POSTS
Thank you so much for your prompt response. I will check on this and get back to you as soon as possible. But the customer just told me he has travelled. I will call him to know if he is back or not. Thanks for your help.
Was this
answer
helpful?
Yes
No
Friday, September 3rd, 2021 AT 8:40 AM
Tiny
JACOBANDNICKOLAS
  • MECHANIC
  • 110,194 POSTS
Hi,

That's fine. Let me know when you find out.

Take care,

Joe
Was this
answer
helpful?
Yes
No
Friday, September 3rd, 2021 AT 9:00 PM
Tiny
JACOBANDNICKOLAS
  • MECHANIC
  • 110,194 POSTS
I just realized that I never included the link for testing a relay, Sorry about that. Here it is:

https://www.2carpros.com/articles/how-to-check-an-electrical-relay-and-wiring-control-circuit

Have you made any progress yet? I'm interested in knowing.

Joe
Was this
answer
helpful?
Yes
No
Saturday, September 4th, 2021 AT 8:39 PM
Tiny
DAVID DAVO ESSIEN
  • MEMBER
  • 152 POSTS
Good morning sir. I'm sorry it took long to reply to this email. The man told me he is not still back.
Was this
answer
helpful?
Yes
No
Tuesday, November 2nd, 2021 AT 10:11 AM
Tiny
JACOBANDNICKOLAS
  • MECHANIC
  • 110,194 POSTS
Hi,

No problem whatsoever. Let me know what you find when he returns.

Take care,

Joe
Was this
answer
helpful?
Yes
No
Tuesday, November 2nd, 2021 AT 5:03 PM
Tiny
DAVID DAVO ESSIEN
  • MEMBER
  • 152 POSTS
For a certainty you are a pro. The man called me today and when I checked the fuse in the engine bay it was blown and cleared the code as well using a friend's programming machine the gear changed. Thank you, sir, for your assistance.

I have another challenge and a major one.
A fellow mechanic called me to come and fix a car problem for him that he has not been fixed by several engineer including himself.
The car is Hyundai Elantra GLS 2005 with an automatic transmission. Symptom of the car: It stalls when brake pedal is depress on motion and only when. The car is hot and in gear but when on neutral on the brake is depressed the car will not stall.
Was this
answer
helpful?
Yes
No
Saturday, November 20th, 2021 AT 11:07 AM
Tiny
JACOBANDNICKOLAS
  • MECHANIC
  • 110,194 POSTS
David,

First, you are very welcome. I'm really glad to hear it has been taken care of.

I do need to ask you a favor. We try to keep the threads specific to one topic. That way, it is more helpful to others. For that reason, could you possibly copy your new question and post it on a new thread? Here is the link to get you to the page:

https://www.2carpros.com/questions/new

I hope you understand. And again, I'm glad to hear Amanti is fixed.

Also, send me as much as you can on the new one. Anything you can think of that will help me diagnose the issue is appreciated.

Take good care of yourself,

Joe
Was this
answer
helpful?
Yes
No
+1
Sunday, November 21st, 2021 AT 5:52 PM
Tiny
DAVID DAVO ESSIEN
  • MEMBER
  • 152 POSTS
Okay, I will. Thank you.
Was this
answer
helpful?
Yes
No
Friday, November 26th, 2021 AT 8:04 AM

Please login or register to post a reply.