Driver side rear passenger window will not roll up

Tiny
TMCINTOSH11
  • MEMBER
  • 2002 FORD F-150
  • 5.4L
  • V8
  • 4WD
  • AUTOMATIC
  • 277,842 MILES
Hi, I have a super-crew truck which is four doors and a while back the rear driver side window would not roll up, it would roll down perfectly but not back up. A lot of people have told me it is the regulator but that is down my list because for one the regulator makes absolutely no noise trying to roll it up. Also, I noticed that if the accessory is on with a door open and the inside lights are on the lights do not flicker if I try to roll it up, they do if I try to roll it down or any other window. So I am thinking a switch or a connection, and if it's a switch which one would it be? The driver door or the passenger door with the window problem?
Thanks guys hope to hear from you soon!
Monday, August 27th, 2018 AT 1:23 PM

3 Replies

Tiny
KEN L
  • MASTER CERTIFIED MECHANIC
  • 55,297 POSTS
Hello,

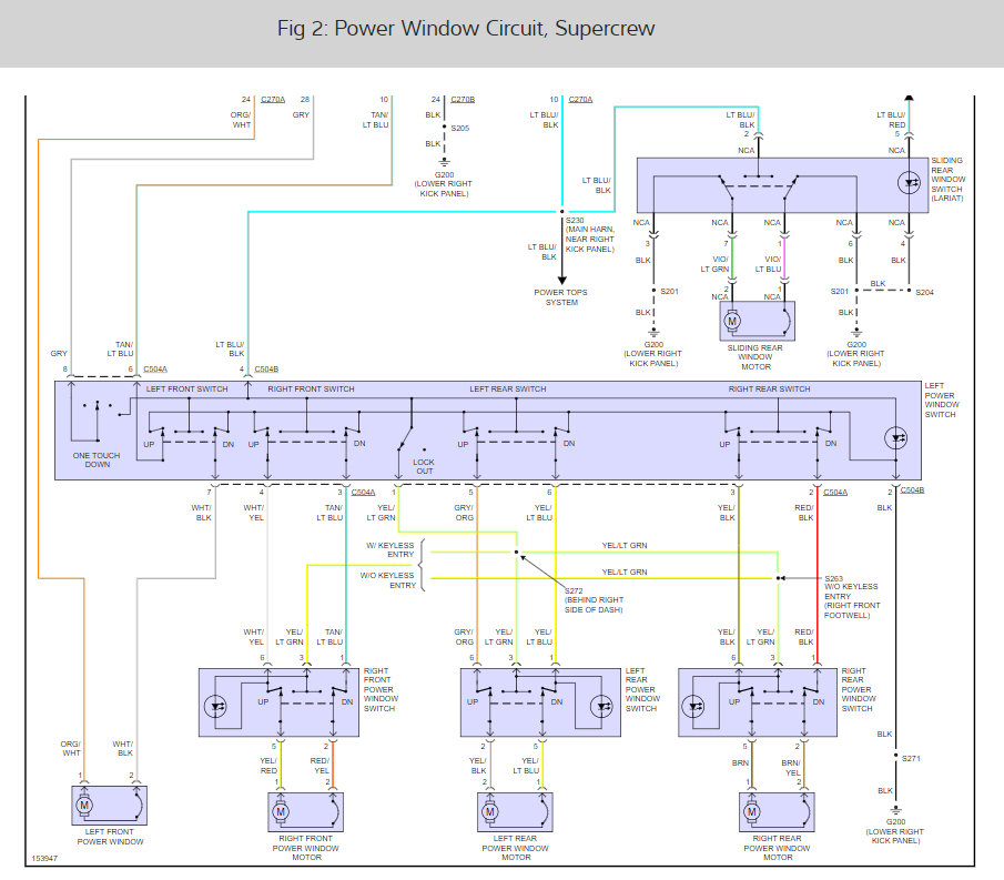
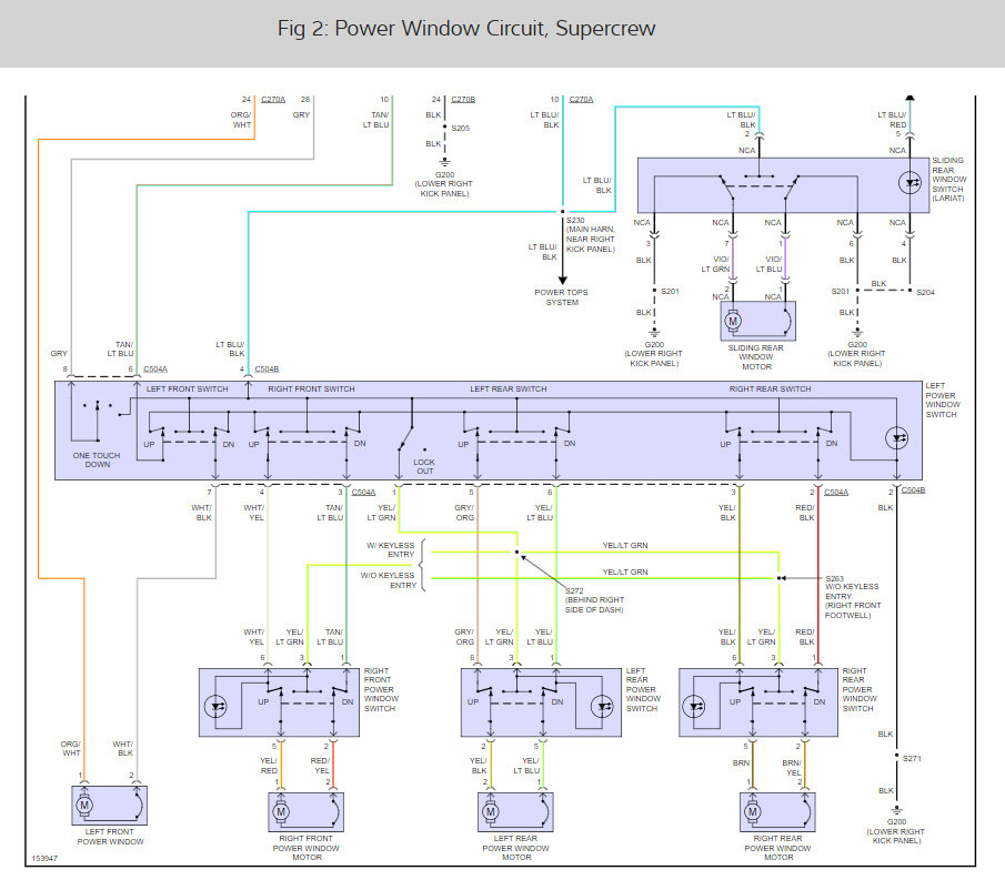
It does sounds like the switch or the window motor. But to be sure here is the window wiring diagrams below and a guide to help you test for power at the switch:

https://www.2carpros.com/articles/electric-window-repair

and if you need to replace the motor.

https://www.2carpros.com/articles/how-to-check-and-replace-a-electric-power-window-motor

When doing the motor be careful the unit is spring loaded and when you remove the motor it will take off on you so be ready to hold it.

Check out the diagrams (below). Please let us know what you find.

Cheers, Ken
Was this
answer
helpful?
Yes
No
Wednesday, August 29th, 2018 AT 11:28 AM
Tiny
TMCINTOSH11
  • MEMBER
  • 176 POSTS
Thanks ken, I am going to get to work on it this weekend and hopefully it is not the motor. I will let you know what I find out.
Was this
answer
helpful?
Yes
No
Wednesday, August 29th, 2018 AT 9:36 PM
Tiny
KEN L
  • MASTER CERTIFIED MECHANIC
  • 55,297 POSTS
Sounds good, let us know. ;)
Was this
answer
helpful?
Yes
No
Thursday, August 30th, 2018 AT 10:08 AM

Please login or register to post a reply.