HOME
ASK A QUESTION
REPAIR GUIDES
BECOME A MEMBER
LOG IN
Login with Facebook
OR
Remember me
NOT A MEMBER?
FORGOT PASSWORD?
CONTACT US
PRIVACY POLICY
TERMS AND CONDITIONS
☰
Home
Ford
F-150
Body
Window
Fuse
Window fuse?
WDD106
MEMBER
2001 FORD F-150
V8
2WD
AUTOMATIC
155,000 MILES
Where is the location of the fuse for the power windows?
Thursday, February 24th, 2011 AT 1:37 AM
1 Reply
KEN L
MASTER CERTIFIED MECHANIC
55,297 POSTS
Hello,
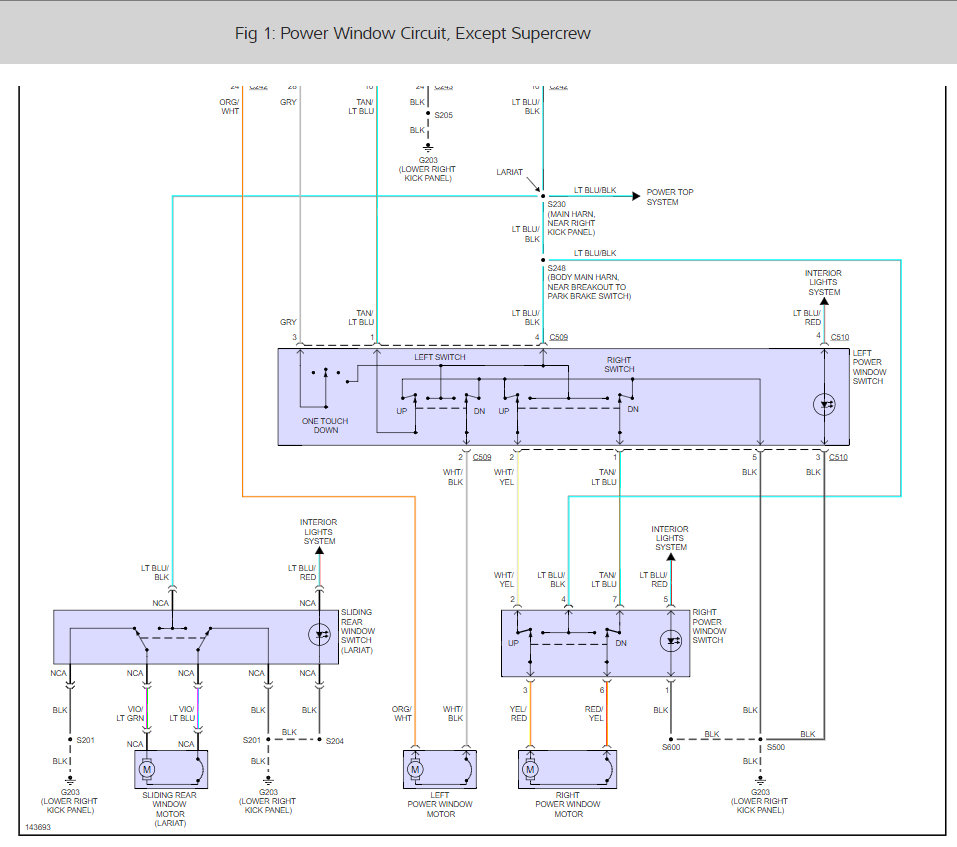
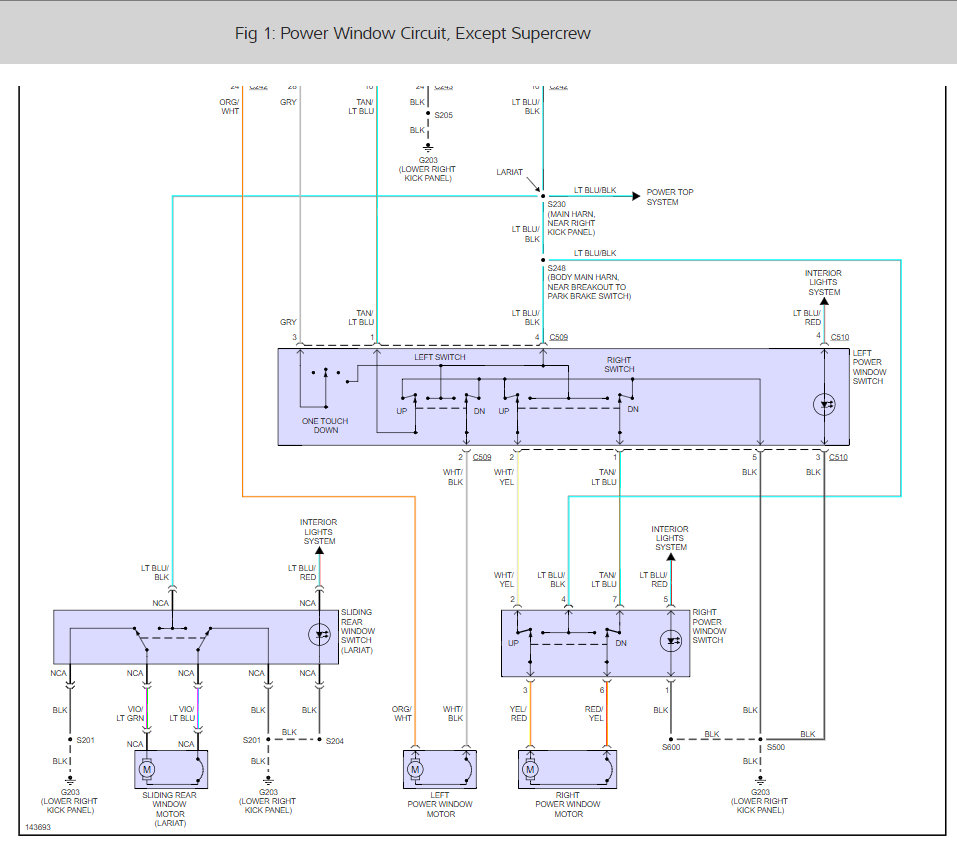
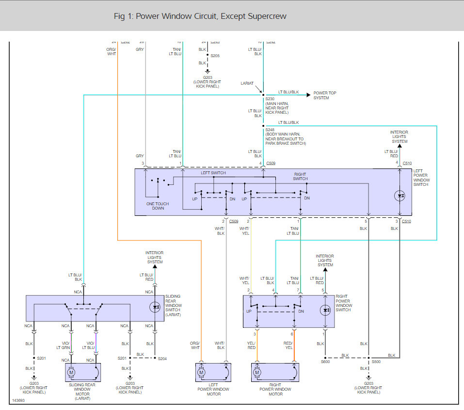
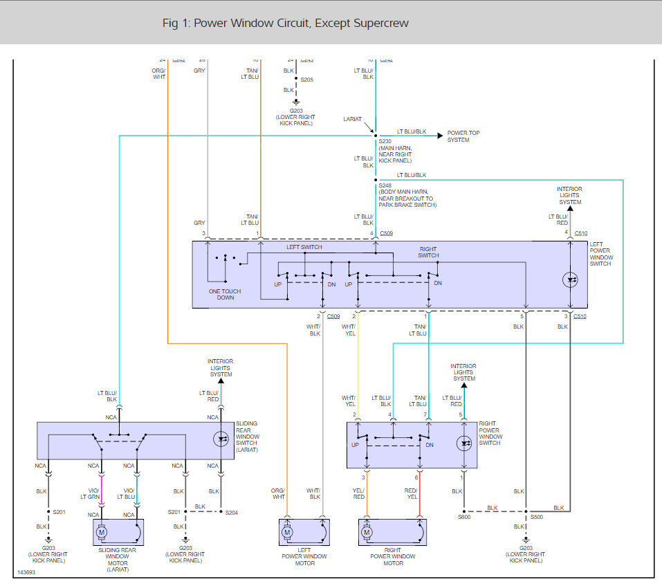
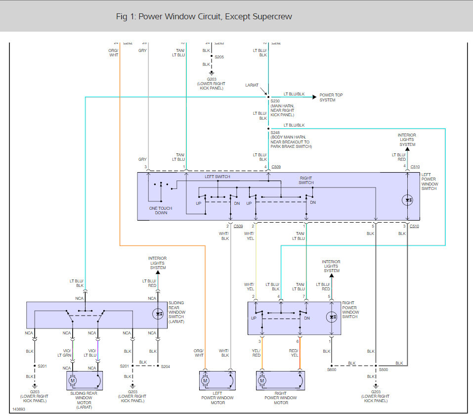
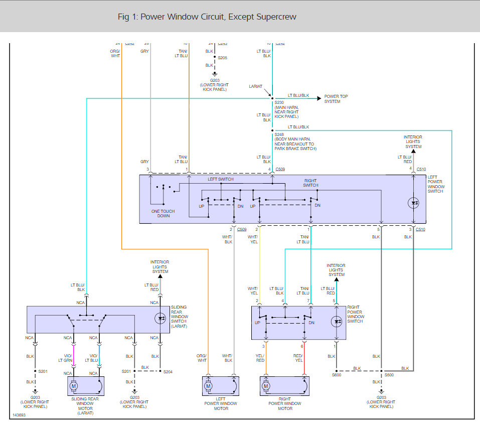
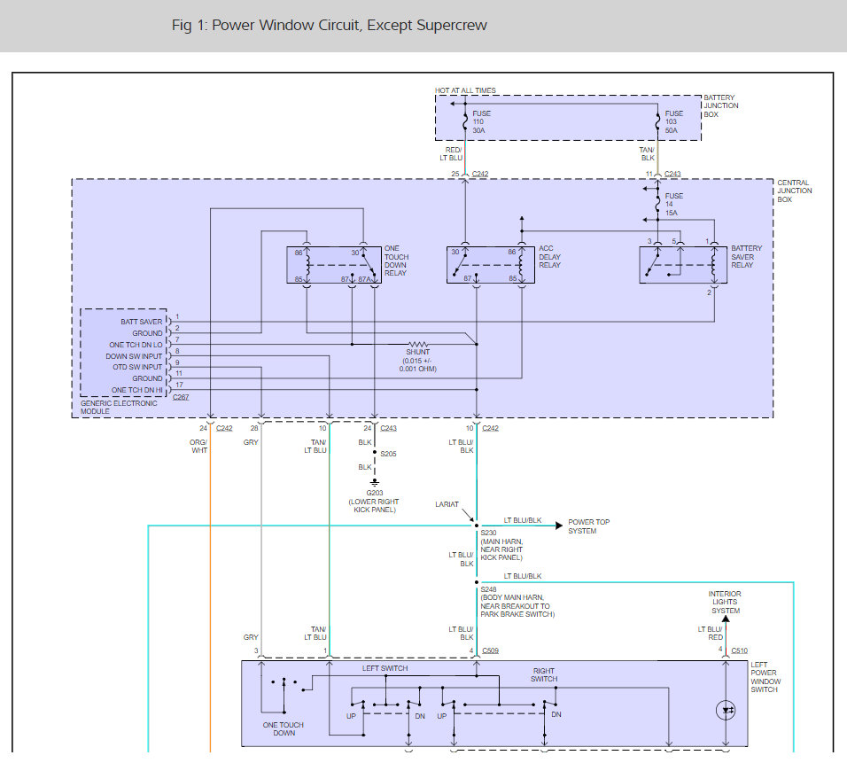
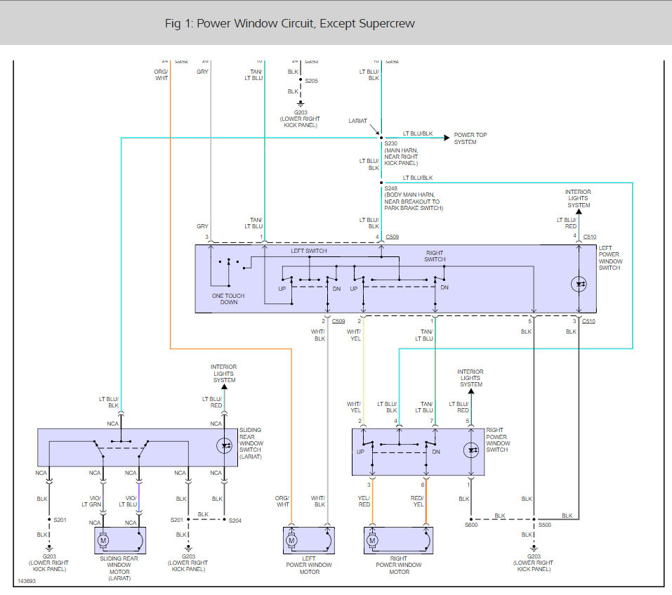
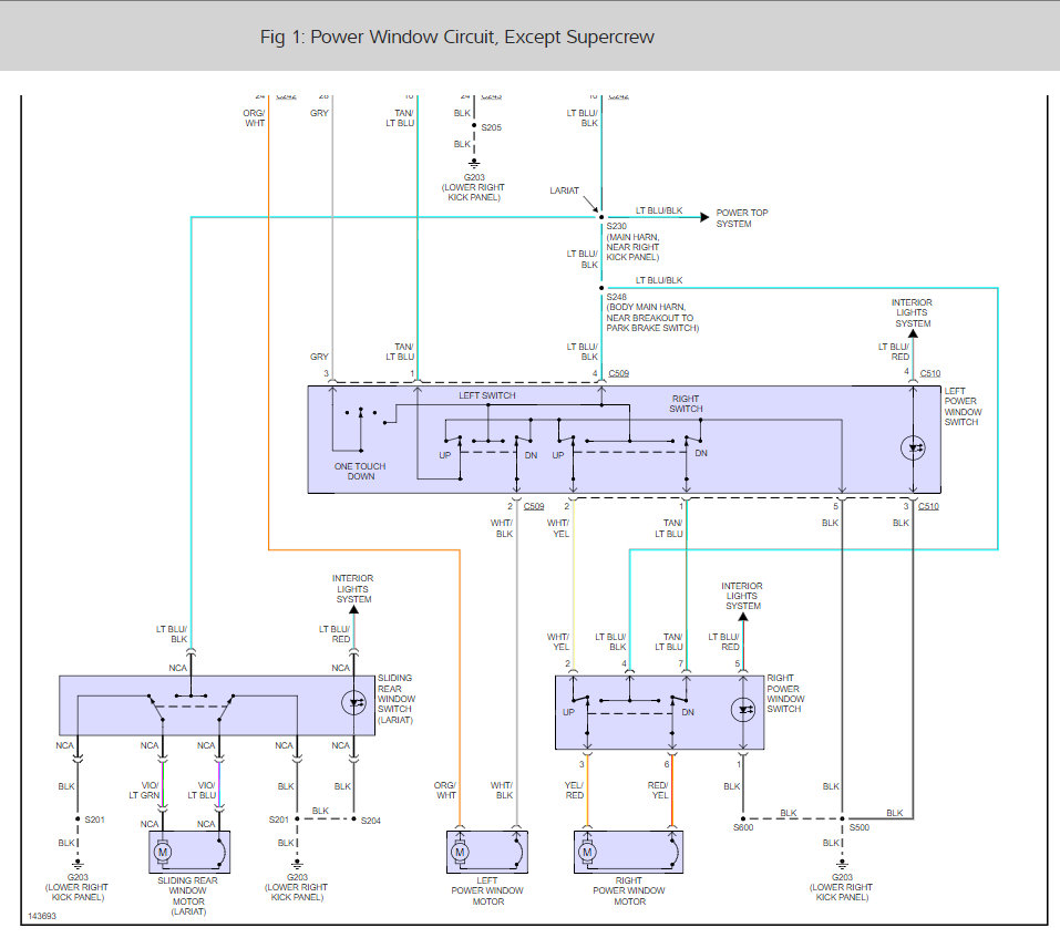
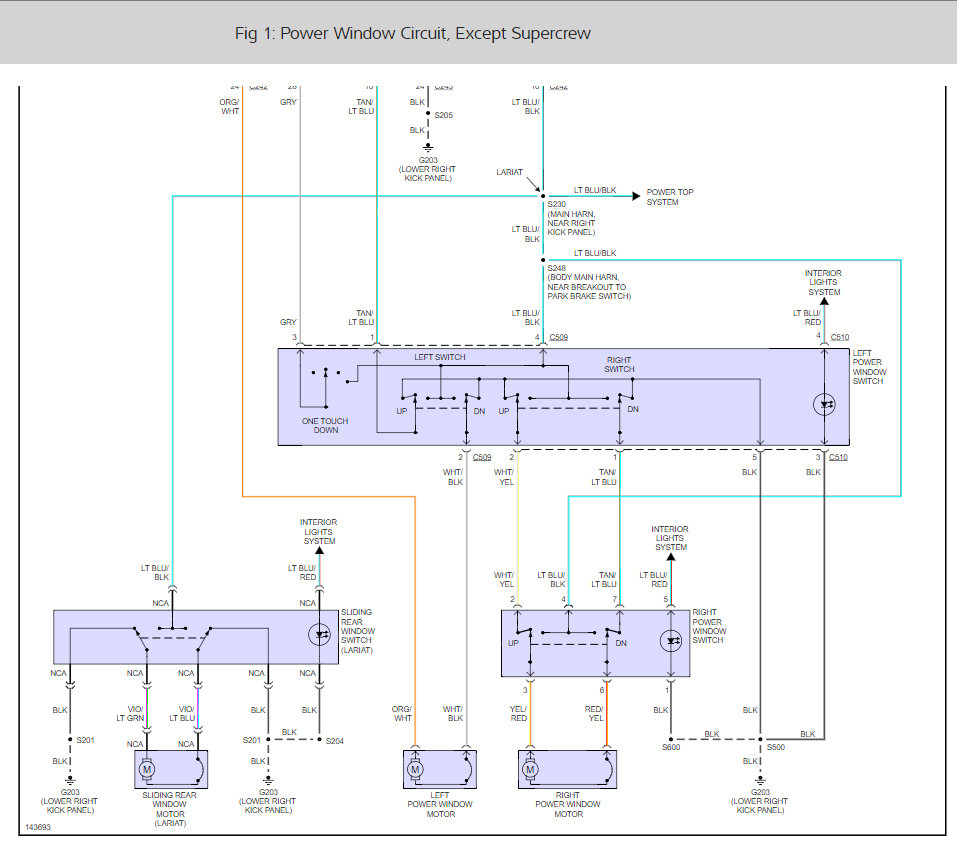
The fuse #103 and #110 is under the hood in the PDC. Here is a few guides and some diagrams (Below) to help you get the problem fixed.
https://www.2carpros.com/articles/how-to-check-a-car-fuse
and
https://www.2carpros.com/articles/how-to-use-a-test-light-circuit-tester
Please let us know what happens so it will help others.
Cheers, Ken
Images (Click to make bigger)
Was this
answer
helpful?
Yes
No
-2
Saturday, August 19th, 2017 AT 2:05 PM
Please
login
or
register
to post a reply.
Related Window Fuse Content
Replace Window
Will A Driver Side Front Window From A 2001 F150 Two Door Fit My 2001 F150 Four Door Truck?
Asked by
Wayne Wallace
·
3 ANSWERS
2001
FORD F-150
2001 Ford F150 Power Windows
The Right Side Window Will Not Go Up. I Checked With Test Light. To Go Down One Wire Has Power And Motor Works. To Go Up Both Wires Have...
Asked by
CBarbe
·
1 ANSWER
2001
FORD F-150
Windows Not Working
Drivers Side Window And Two Back Windows Wont Work. The Only One That Works Is The Passenger Side Front. When You Press The Window Button...
Asked by
dale pike
·
73 ANSWERS
13 IMAGES
2011
FORD F-150
1997 Ford F150 Driver's Power Window Won't Go Down (...
Hello. Driver's Window Won't Go Down Except In One Touch Down (express Down) Mode - Regular Down Doesn't Work. Master Switch Works Fine...
Asked by
emitflesti
·
3 ANSWERS
1997
FORD F-150
Power Windows Not Working
Electrical Problem V8 Two Wheel Drive Automatic 71500 Miles Power Windows Stop Working, Driver & Passenger Side
Asked by
j787482
·
3 ANSWERS
3 IMAGES
1998
FORD F-150
VIEW MORE
Ask a Car Question. It's Free!
How to Use a Test Light
Window Switch Replacement and Test
Door Panel Removal