Monday, June 22nd, 2020 AT 10:47 PM
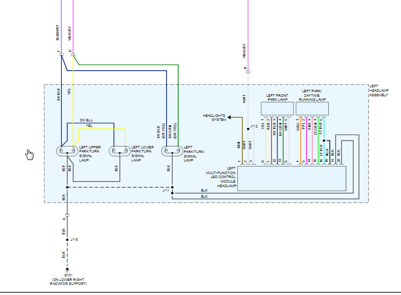
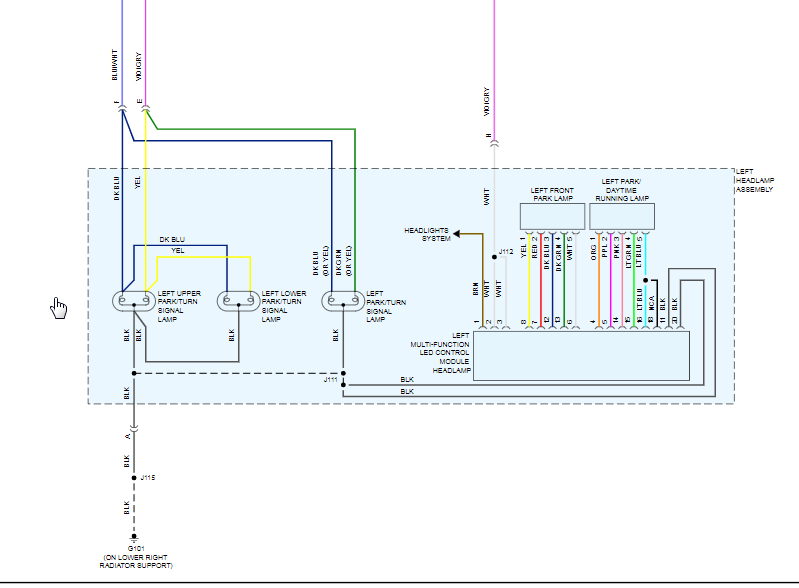
My left front lights aren’t working. (Daytime running lights, High/Low beams) and I’m getting a left front turn indicator fault causing my blinker to blink fast. I looked at the fuse locations and it shows that all the headlights are on the same fuse. Bulbs seem to be in good condition. All of this happened at the same time. A few months back my left front low beam stopped working and then started working again after a day or two.


