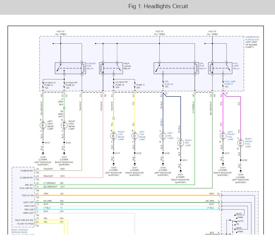
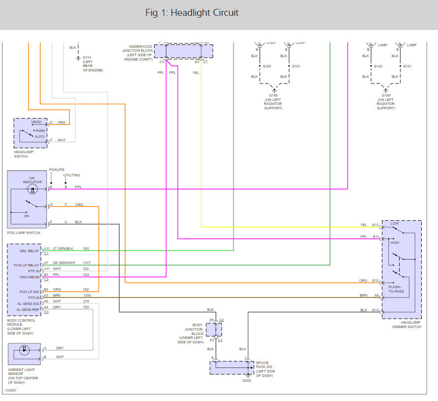
Probably the DRL(daytime running light relay) Could be one of 2, new or old style, new style is in the underhood fuse block near the radiator as seen below:

Old style is in the convenience center on the left side of the firewall. as seen below:

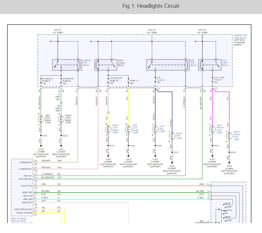
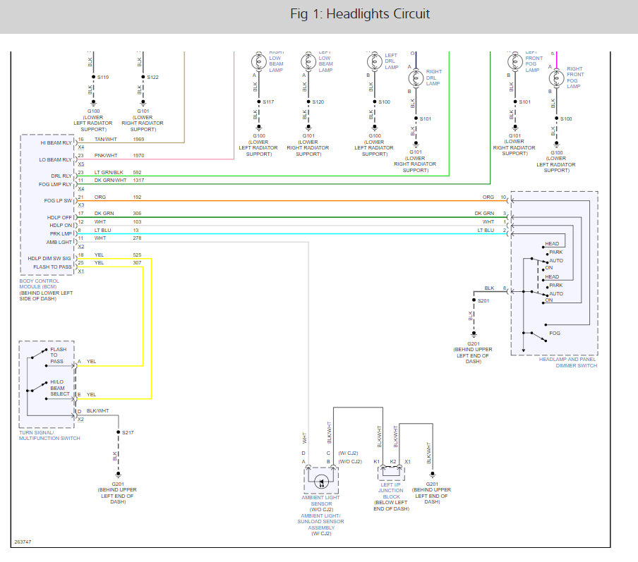
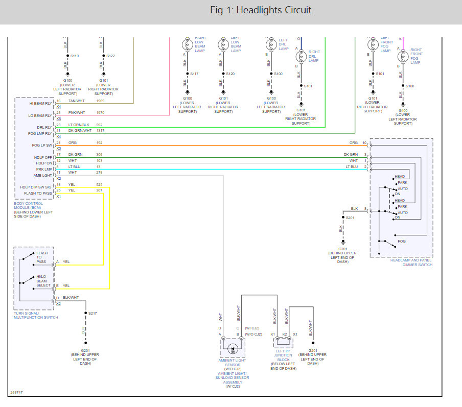
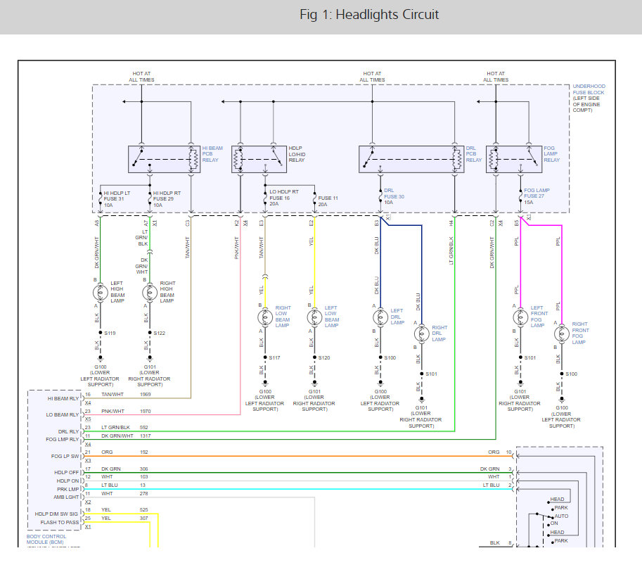
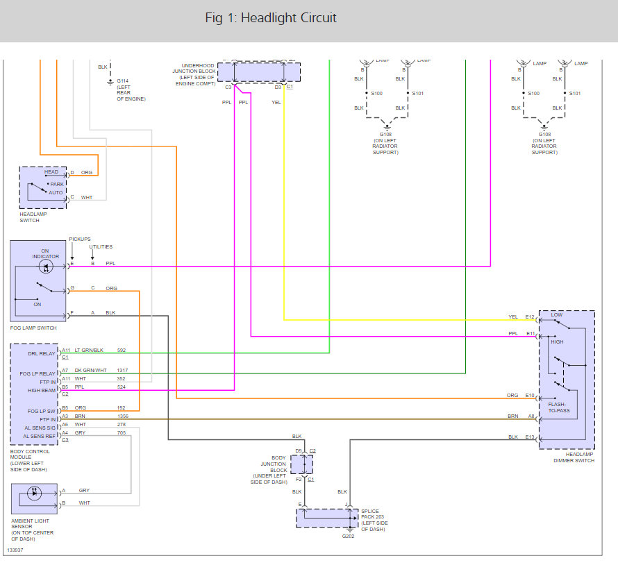
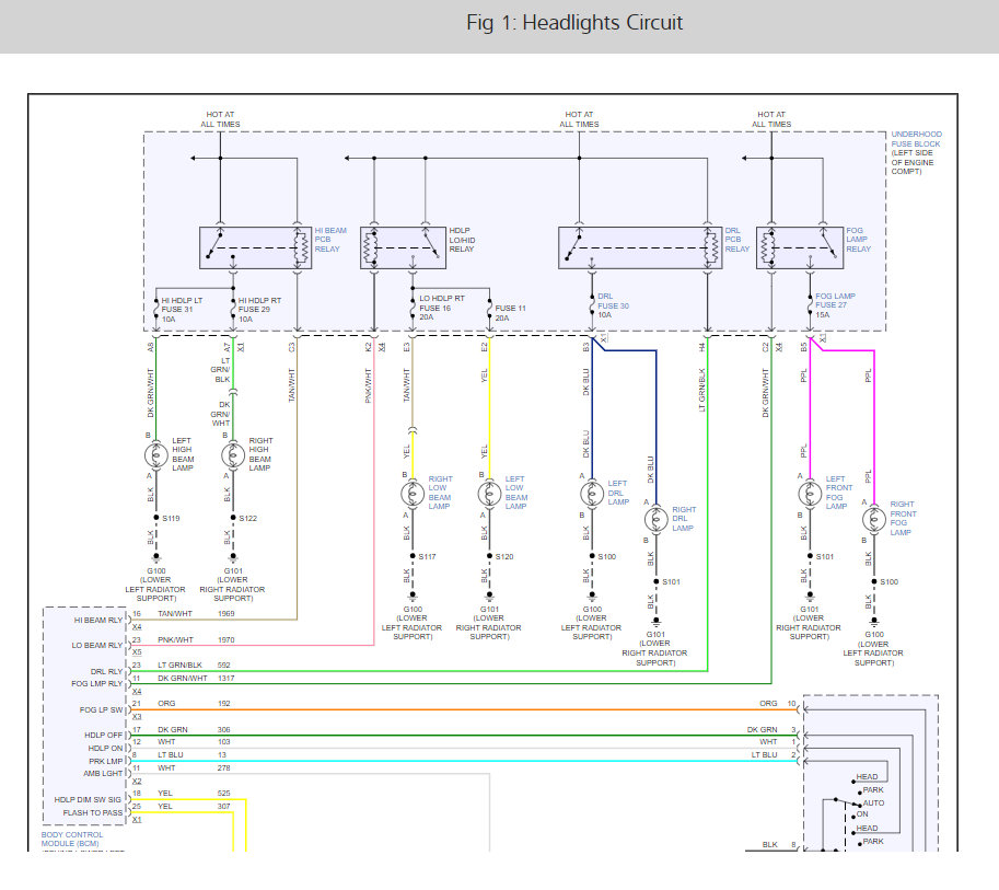
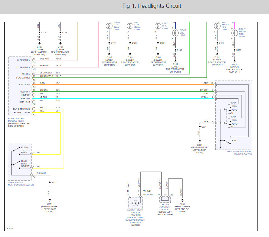
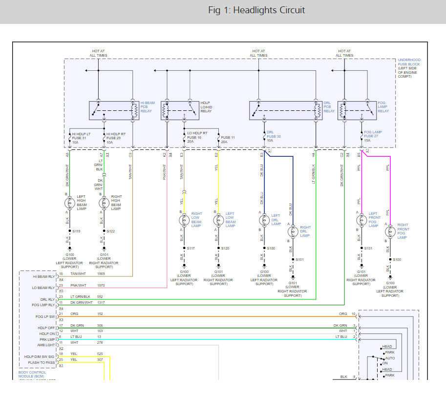
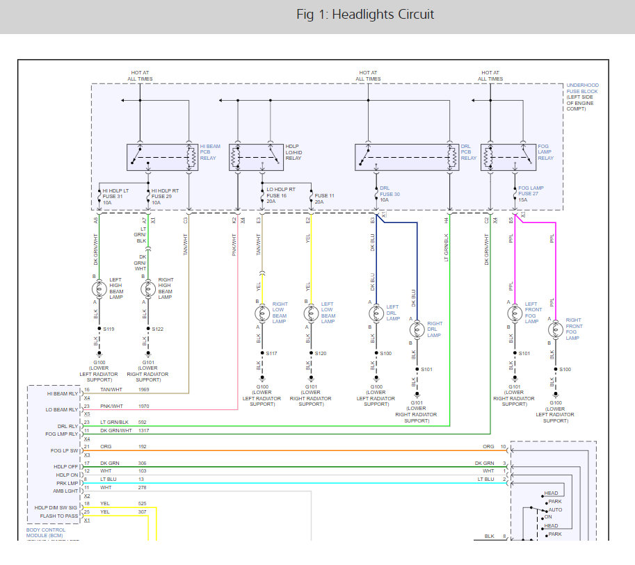
Check out the DRL wiring diagrams (Below). Please let us know what happens.
Cheers
Images (Click to make bigger)
Wednesday, December 18th, 2019 AT 10:43 AM
(Merged)