Thursday, January 28th, 2021 AT 3:04 PM
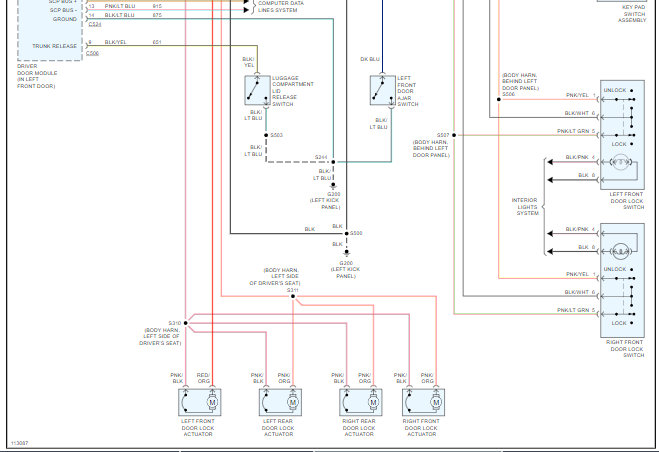
My wife has this vehicle and one day all the electrical components associated with the driver's door stopped working. The key fobs no longer work, cannot make any seat adjustments, nothing on the door itself works. After doing some research, I found that the driver's door module may be bad, although a mechanic friend suggested I check the wiring for voltage. Without knowing which wires are supposed to be hot and weather it's supposed to be 5 or 12 or? Volts, it seems like a waste of time to open the door panel up. All fuses are good and relays work and have even been switched around (compatible with other areas like turn signal, wipers, etc.). Any help would be greatly appreciated !










