Window will not roll up or down on driver side

1998 PLYMOUTH GRAND VOYAGER
196,814 MILES • 3.3L • 4 CYL • 2WD • AUTOMATIC
Avatar
HOLLI J BENNETT
  • MEMBER
  • 1 POST
Can’t find the fuse box to check fuse for the driver side window. Help!
May 27, 2021 at 4:34 PM
Repair Safety Notice: This information is for general instructional purposes only. Vehicle repair can be dangerous. Verify all information, follow manufacturer service procedures, use proper tools and safety equipment, and consult a qualified repair shop when needed.
Advertisement
Avatar
KASEKENNY
  • CAR REPAIR CONTRIBUTOR
  • 18,907 POSTS
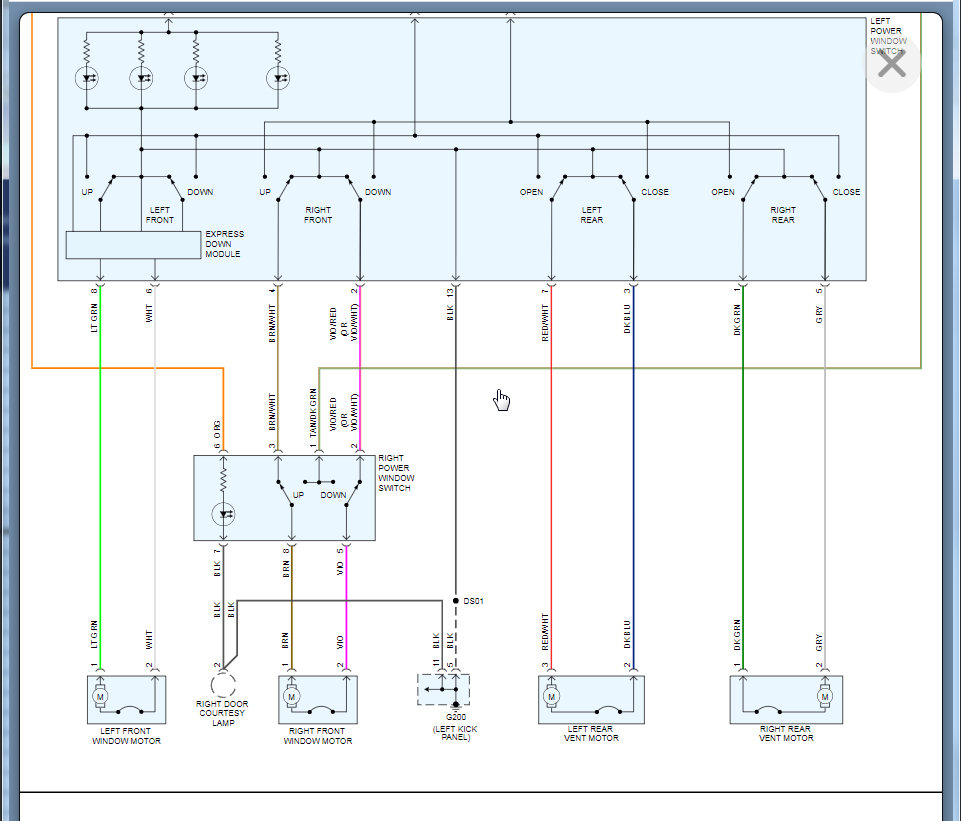
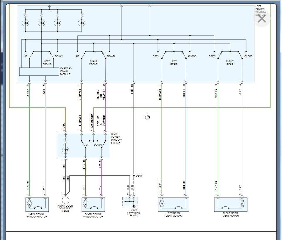
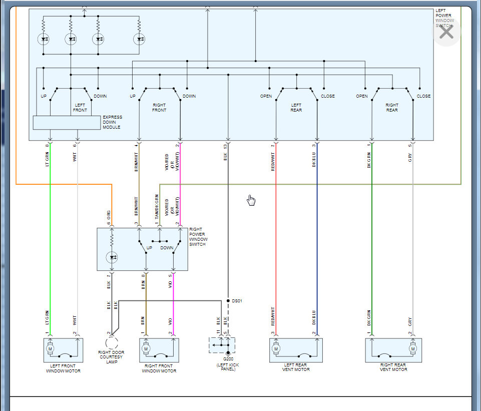
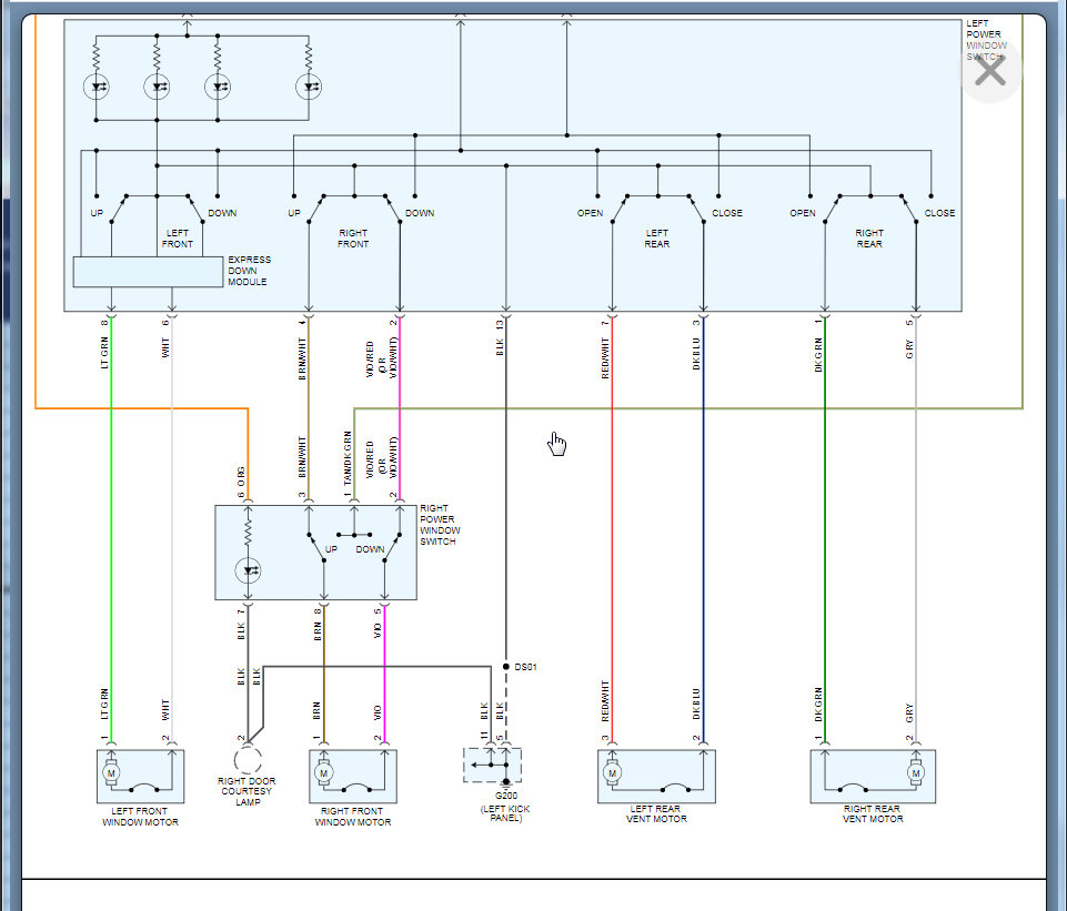
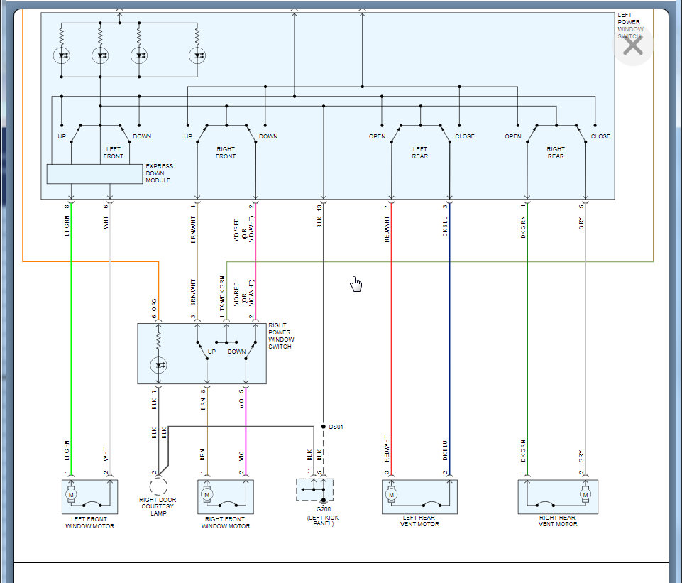
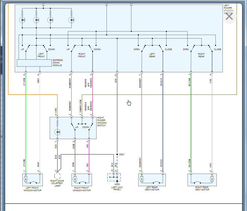
This is the junction block that is behind the left side dash. Fuse 8 and 9 is for the window switch that if they are not operating then it would not work but the passenger side would most likely not work either as the power is run through the master switch.

However, let's check the fuse and then we will need to check power coming out of the switch if the fuses are okay.

https://www.2carpros.com/articles/how-to-check-wiring

I included the wiring diagram and the location of the junction block.

Please let us know what you find on this. Thanks
May 28, 2021 at 5:27 PM
Advertisement