Saturday, June 27th, 2020 AT 3:27 AM
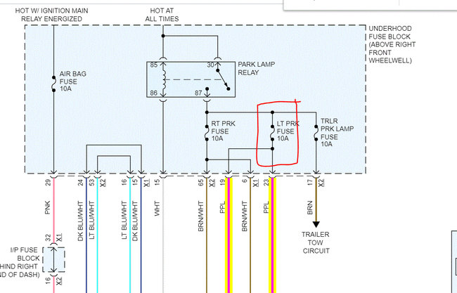
Only the led strip on the taillight is not working, the turn blinker and the brake light it's working fine. I also notice that the led strip on the driver head light doesn't turn on all the time.



