Driver side sound problems

Tiny
KTURK
  • MEMBER
  • 2016 CHEVROLET COLORADO
  • 3.6L
  • V6
  • 2WD
  • AUTOMATIC
  • 54,000 MILES
Just bought the truck listed above used. I realized that my blinkers are not making noise. My key in ignition does not chime. And music doesn't play out of my door speaker or tweeter up top. I took door speaker out thinking it was the problem but new speaker didn't work either. I'm hoping just a fuse or something is disconnected.
Saturday, March 27th, 2021 AT 4:53 PM

4 Replies

Tiny
JACOBANDNICKOLAS
  • MECHANIC
  • 110,192 POSTS
Hi,

If the radio is turning on, it isn't a fuse. As far as the chimes and blinker indicator, they come through the speakers as well, so that is why you are not hearing them.

Because of the model year, here is what I need you to do. The computer (audio system) needs to be scanned for diagnostic trouble codes. What needs to be done is a can-scan. Can stands for controller area network. Basically, all modules/computers are tied together via a few wires. By scanning the can-bus, it will identify any issues within any of the modules.

If you look at the first pic below, I highlighted codes related to the radio just so you can see I'm not crazy. LOL

Now, I don't know which system you have, If you look at pic 2, it shows the options. Let me know which one you have and that way I can provide you with relevant wiring schematics. Then we can try checking for possible issues. However, the can scan would be your best bet at this point.

Here is a video showing how it is done:

https://youtu.be/InIlnsjOVFA

Let me know if you have the scan done. Also, let me know which system you have.

Take care,
Joe

See pics below
Was this
answer
helpful?
Yes
No
Saturday, March 27th, 2021 AT 9:04 PM
Tiny
KTURK
  • MEMBER
  • 3 POSTS
So just trying to trouble shoot. Do you think getting a new radio would help my issue? I was planning on putting in a aftermarket radio anyways. And I also have the radio without navigation. I would pursue getting car scanned if not. I just don't have a convenient scanner and this time.
Was this
answer
helpful?
Yes
No
Sunday, March 28th, 2021 AT 4:42 AM
Tiny
JACOBANDNICKOLAS
  • MECHANIC
  • 110,192 POSTS
Hi:
Getting a new radio may help, but we don't know for certain, the cause of the problem. You could replace the radio and have the same problem.

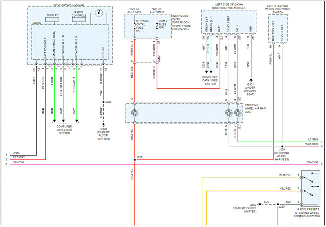
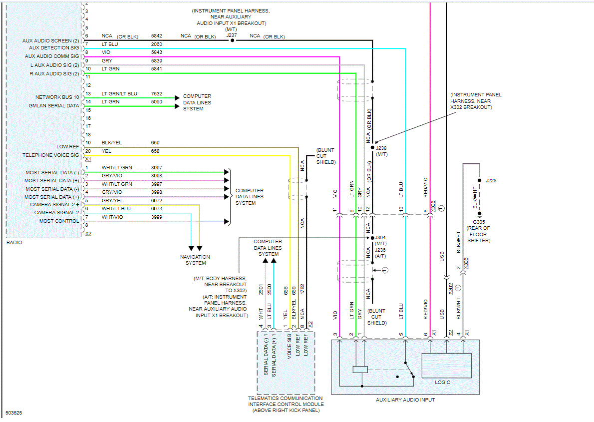
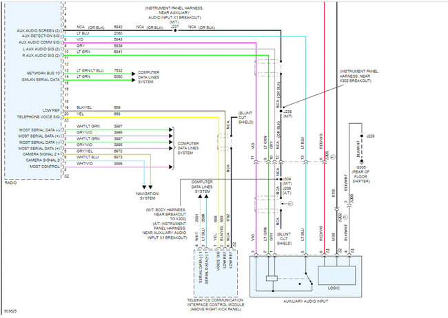
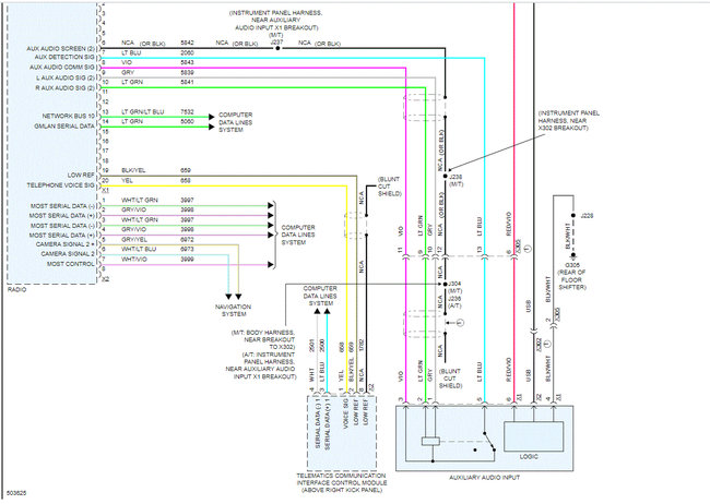
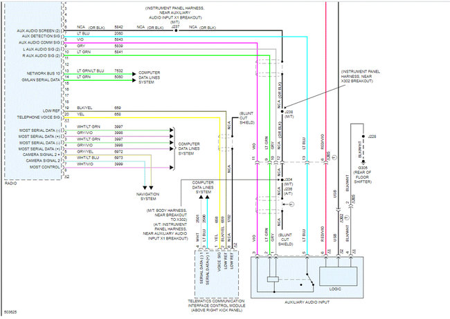
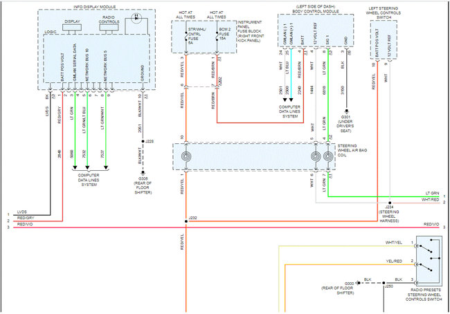
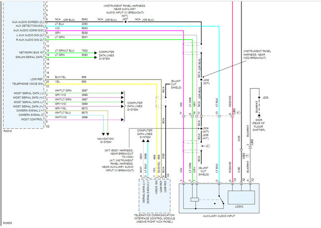
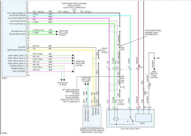
I attached the entire wiring schematic for your system. I had to cut the pics in half to make them readable, but I did overlap them so you can follow from one to the next.

Here is a link you may find helpful as well.

https://www.2carpros.com/articles/how-to-check-wiring

Let me know what you find or if you have other questions.

Take care,
Joe

See pics below
Was this
answer
helpful?
Yes
No
Sunday, March 28th, 2021 AT 7:43 PM

Please login or register to post a reply.