Tuesday, April 12th, 2022 AT 10:59 AM
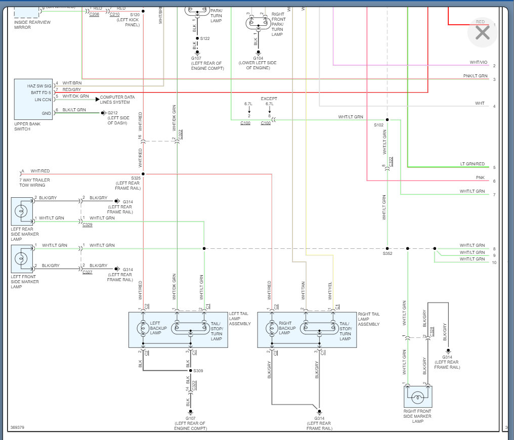
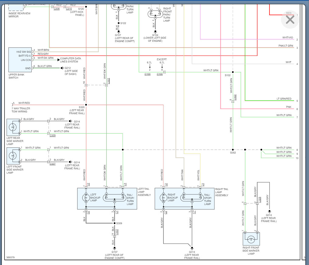
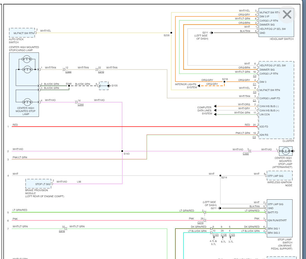
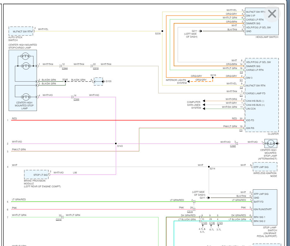
With the lights off the left turn front, mirror light and rear blink fast. When turn head lights on the front blinker stays lit and does not blink, the mirror blinks fast and the rear blinks fast but lit is a lot dimmer. Any ideas would help.




