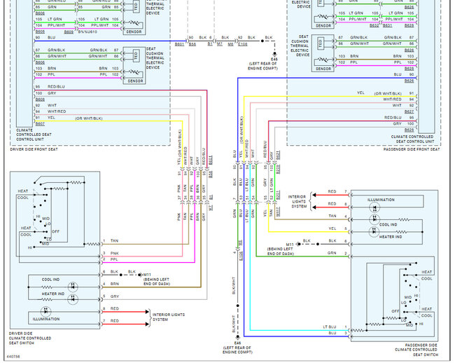
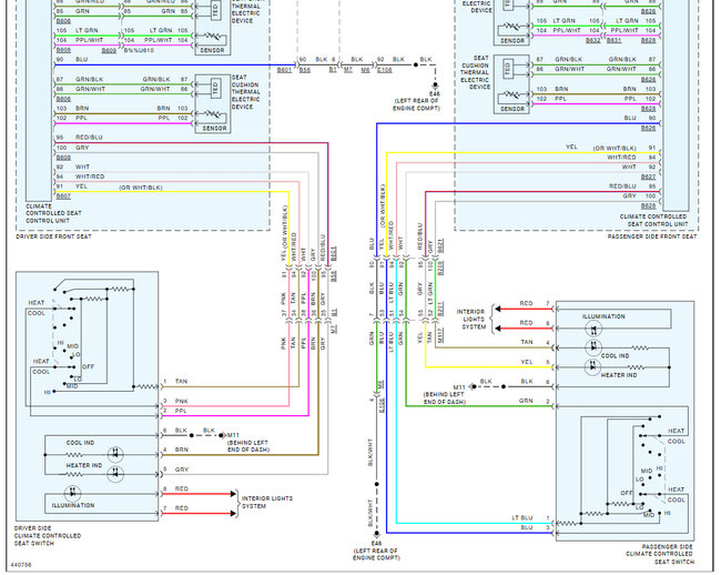
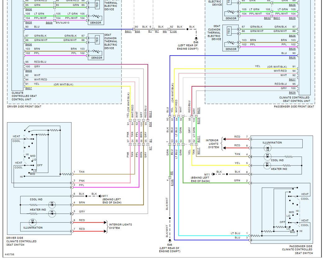
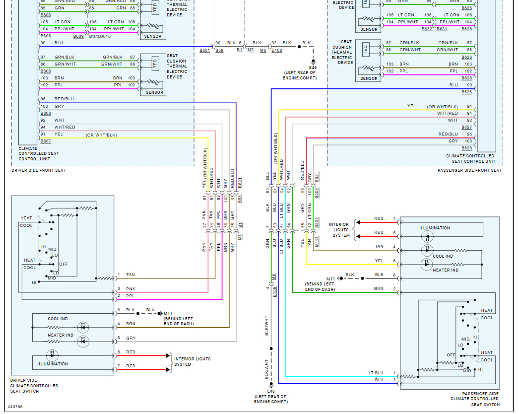
After a recent 4-hour drive, upon reaching our destination I had the windshield replaced by Safelight. All electrical components on the vehicle were functioning properly when I arrived at my destination, including, in particular, the climate control function of the driver’s side seat.
A safelight technician replaced the front windshield. Upon entering the car a short time later, I found the driver’s side climate control seat would not operate.
I’ve tried to find fuses but have not been successful, yet. What should I do next?
Many thanks, please help!
I have checked all 3 of the related 15amp fuses per your instructions from your reply to another similar situation: all 3 fuses appear to be okay.
And I’ve visually inspected the wiring, harness, coupling, etc, under the driver side seat. Everything appears intact and in good condition.
Tuesday, February 18th, 2025 AT 9:48 AM





