Cannot adjust driver side power seat

Tiny
DEDBJV2000
  • MEMBER
  • 2005 HONDA PILOT
  • 3.2L
  • V6
  • 2WD
  • AUTOMATIC
  • 160,000 MILES
How do I troubleshoot my power seat on the driver seat? I cannot adjust it in any direction.
Sunday, May 5th, 2019 AT 2:51 PM

1 Reply

Tiny
KEN L
  • MASTER CERTIFIED MECHANIC
  • 55,383 POSTS
Hello,

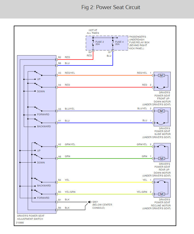
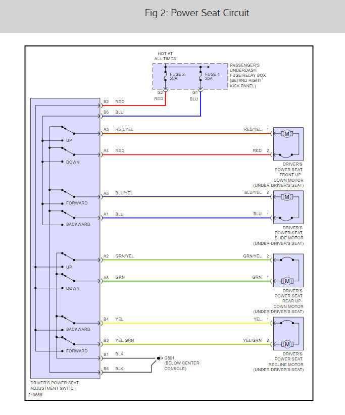
I would start by checking fuse #2 and #4 here is a guide to help check for power and the fuse locations below with the seat wiring diagrams so you can see how the system works.

https://www.2carpros.com/articles/how-to-check-a-car-fuse

Check out the diagrams (Below). Please let us know what you find. We are interested to see what it is.
Was this
answer
helpful?
Yes
No
Monday, May 6th, 2019 AT 4:20 PM

Please login or register to post a reply.