Driver side high beam not working

Tiny
TJKC258
  • MEMBER
  • 2005 CHEVROLET IMPALA
  • 3.8L
  • 6 CYL
  • 2WD
  • AUTOMATIC
  • 205,000 MILES
I’m stumped! Driver side high beam won’t work. Replaced bulb, no work, swapped bulbs with other side. Still no work on drivers side. Checked voltage at plug (no bulb) 11.74V, plug in bulb 0.00V. Any idea why voltage stops on driver side when bulb is plugged in? Passenger side has not been affected, works fine.
Friday, November 22nd, 2019 AT 2:59 PM

1 Reply

Tiny
CARADIODOC
  • MECHANIC
  • 34,490 POSTS
This stumps a lot of experienced mechanics, including one coworker who made me his best friend when he ran into this with the radiator fan motor on a Chrysler K-car. There is very high resistance in the circuit, but not a complete break. Common causes of this include a carbon track left behind inside the insulation when a fuse link wire burns open, a badly-corroded splice, and heavily-pitted or arced contacts in a switch.

Think of standing on a garden hose with your foot, and blocking it 99 percent. As long as the nozzle is closed, if you start with 12 pounds of pressure at the faucet, you'll have 12 pounds at the nozzle. That equates to having no bulb in the socket. The voltage, (electrical pressure) is turned on, but there's no current flow. The water pressure is turned on, but there's no water flow. With no flow, there's no pressure drop across the restriction, so you end up at the nozzle, (or socket), with what you started with.

It's when you complete the circuit by installing the bulb, or by opening the nozzle, that current tries to flow, and that is when some pressure, or some voltage, is dropped across the resistance, and that is when you'll see the 0 volts at the socket.

In the case of the K-car, I told him to check the voltage with a test light instead of a digital voltmeter. That's when he found 0 volts instead of 12 volts. The test light completed the circuit, and the current that tried to flow caused the drop in voltage. His was a case of a correctly-diagnosed tight fan motor, but an overlooked burned fuse link wire.

What you need to do is leave the bulb in the socket so you have the defective condition to diagnose. Now treat it just like any other dead circuit. You'll find full system voltage up to the point of the high resistance, and near 0 volts everywhere in the circuit after that resistance.

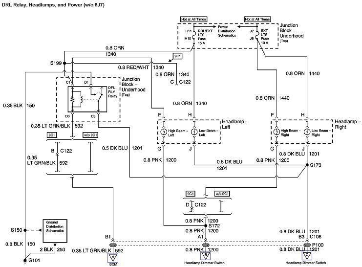
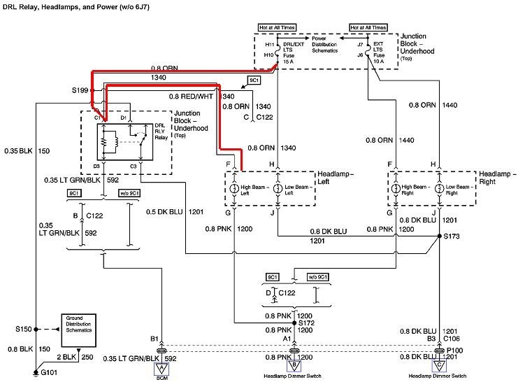
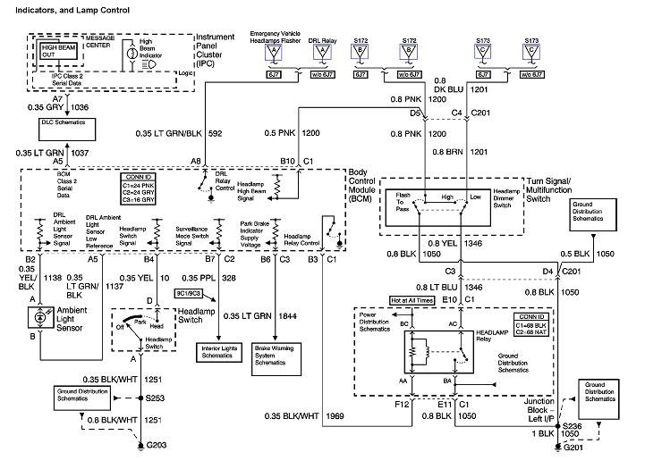
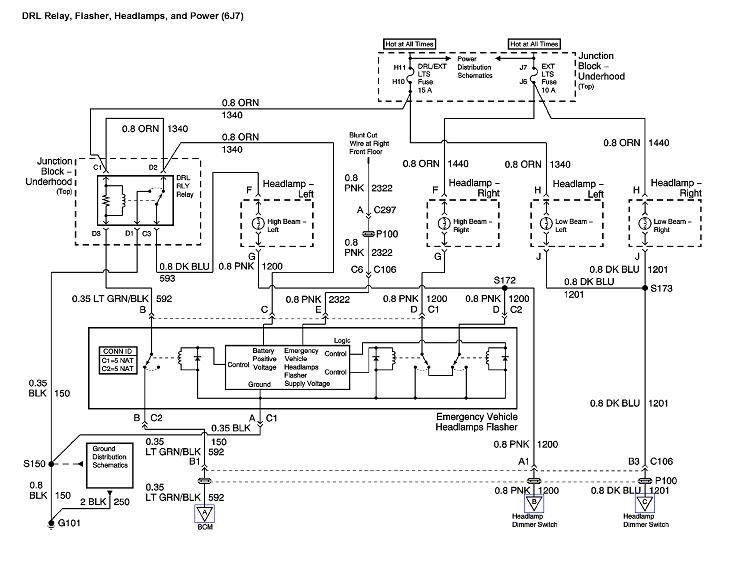
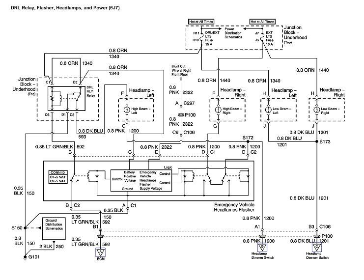
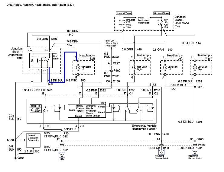
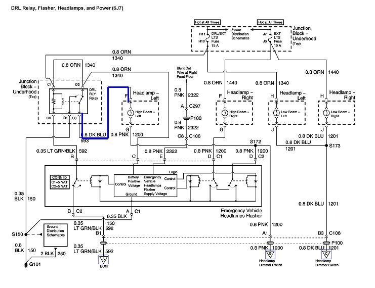
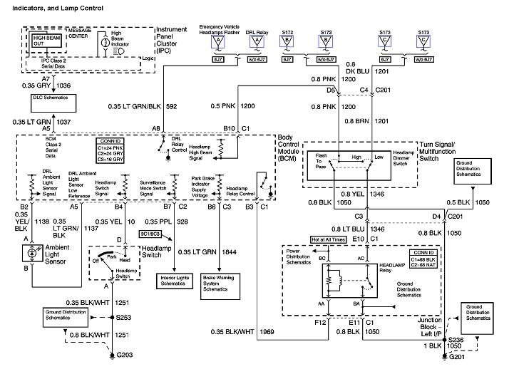
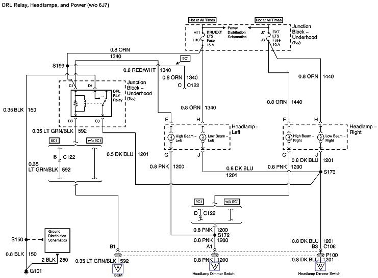
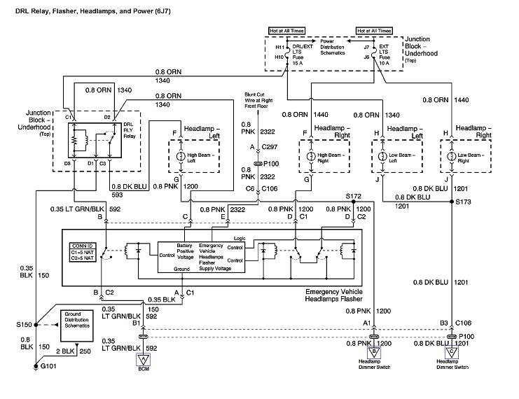
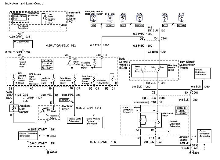
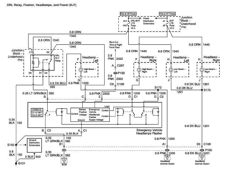
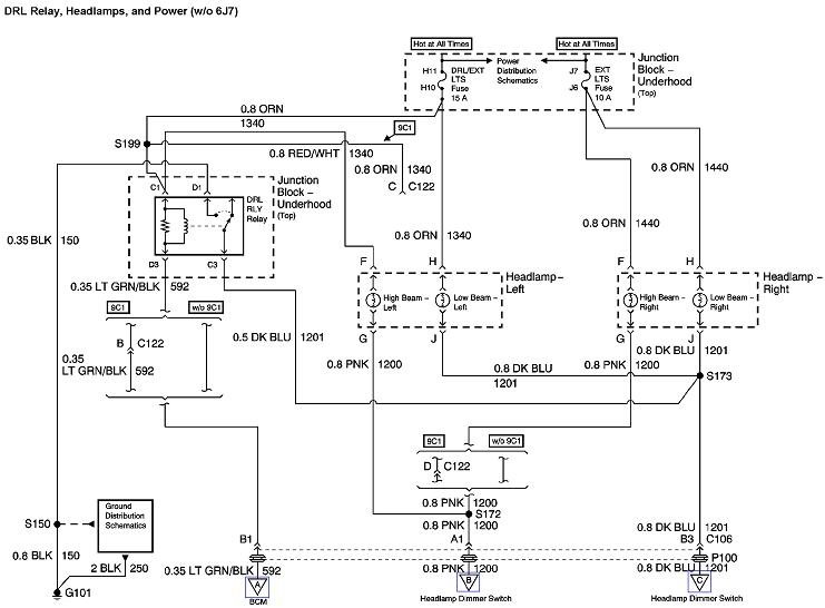
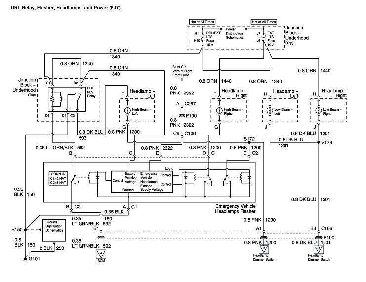
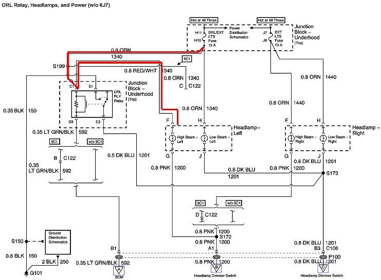
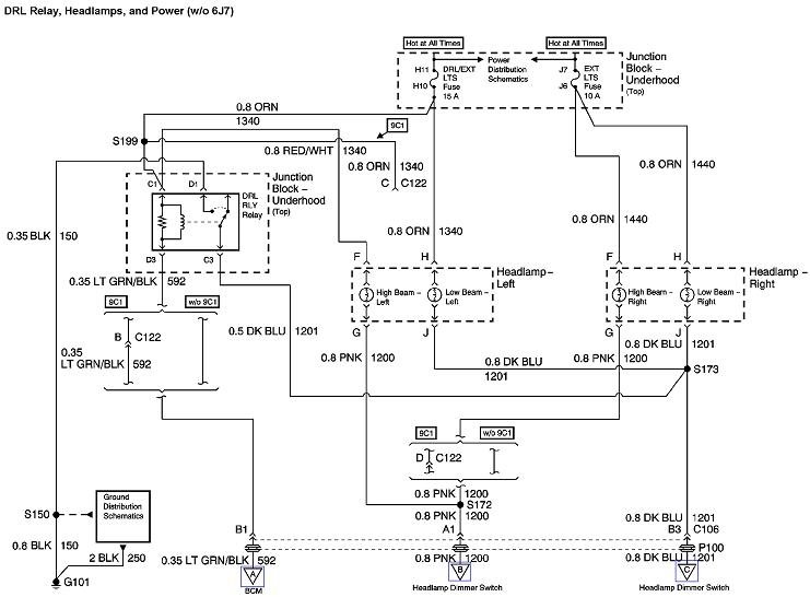
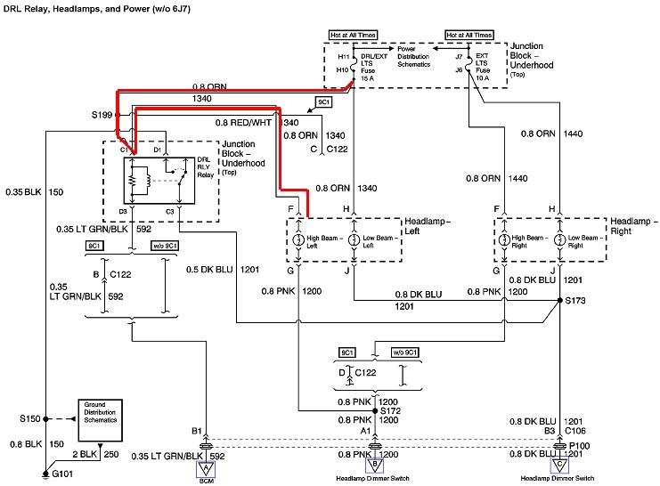
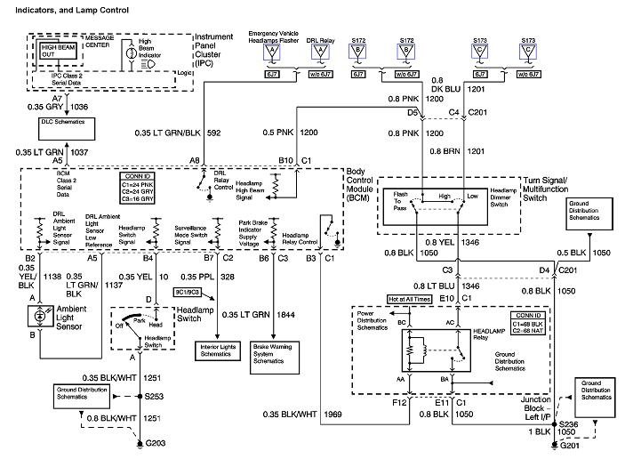
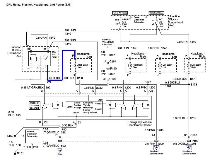
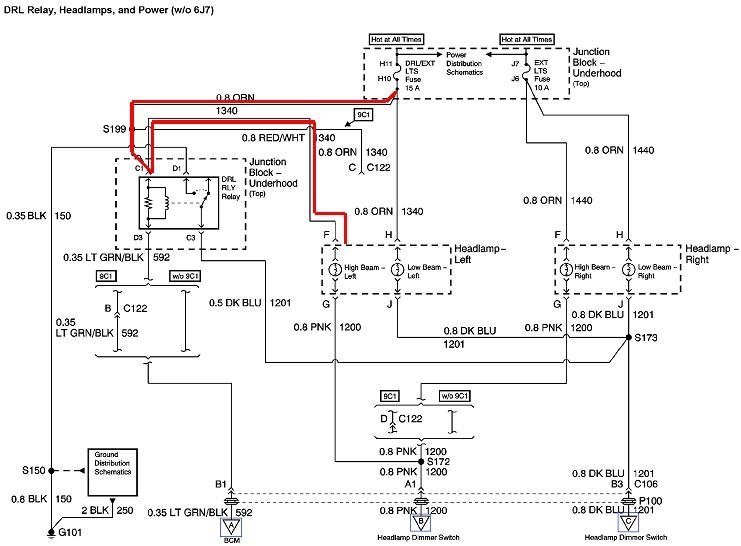
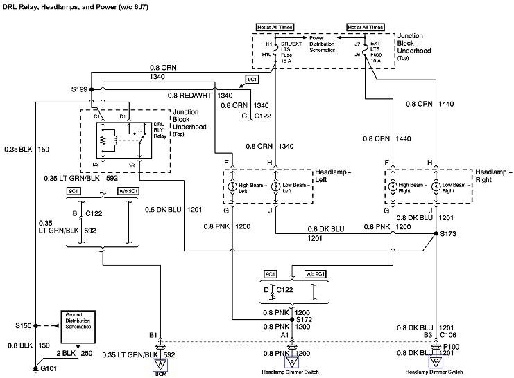
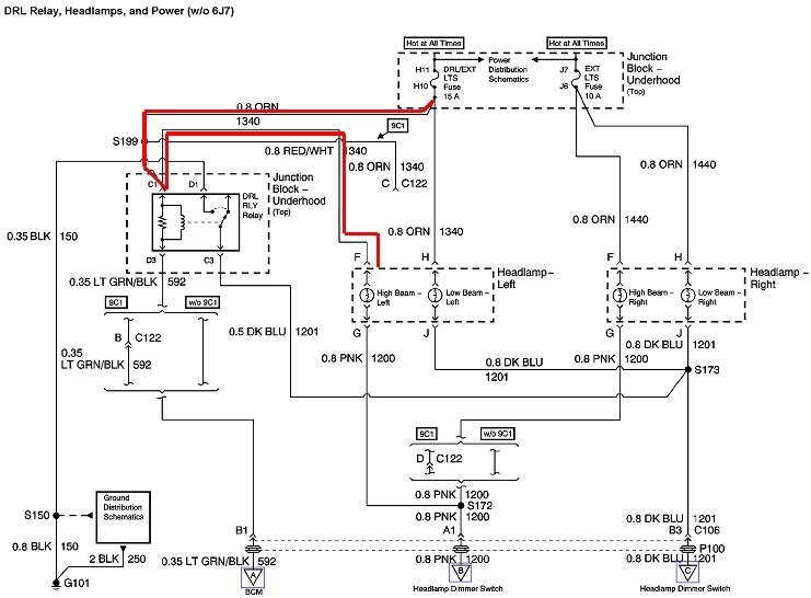
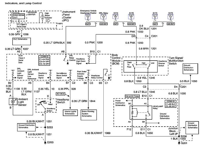
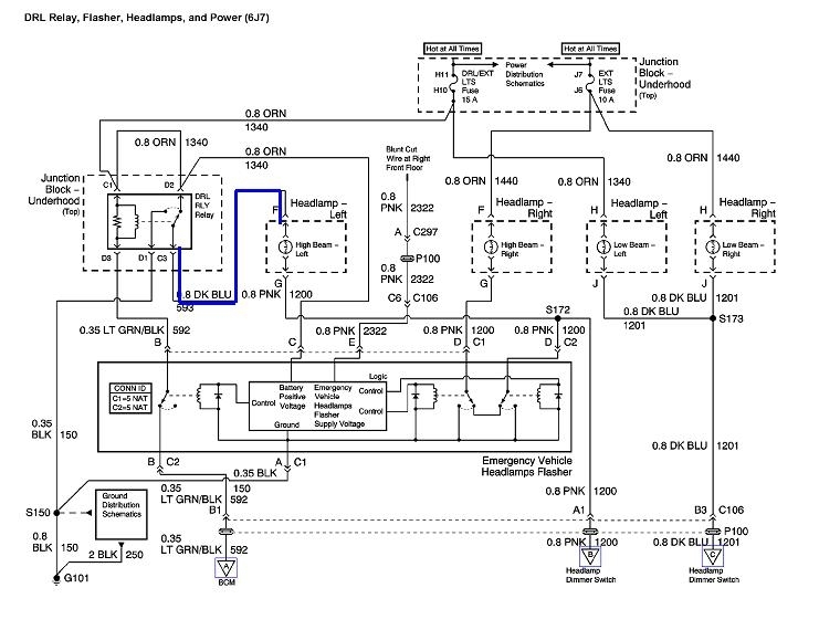
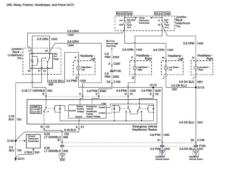
For a really long time, the insane engineers at GM have been well-known to be unable to design a common sense lighting circuit, and these are perfect examples. There's two different versions, but all three of these are listed as "with daytime running lamps". There's no version listed as not having that "feature". The fourth and fifth diagrams are just copies of the first two, but I outlined the parts of the circuits of what looks like are the only parts are where the break can be.

Keep me updated on your progress, and please be sure to list what you find that is causing the problem.
Was this
answer
helpful?
Yes
No
+1
Friday, November 22nd, 2019 AT 6:43 PM

Please login or register to post a reply.