Driver side headlight not working

Tiny
DOTMARIE
  • MEMBER
  • 2004 SAAB 9-3
  • 2WD
  • AUTOMATIC
  • 190,000 MILES
I replaced the bulb and fuses are good but light doesn't work.
What else do I check?
Friday, September 10th, 2021 AT 7:51 PM

1 Reply

Tiny
JACOBANDNICKOLAS
  • MECHANIC
  • 110,194 POSTS
Hi,

In addition to checking the fuses, confirm they are getting power. Here is a link to help:

https://www.2carpros.com/articles/how-to-check-a-car-fuse

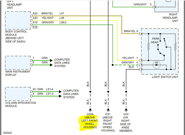
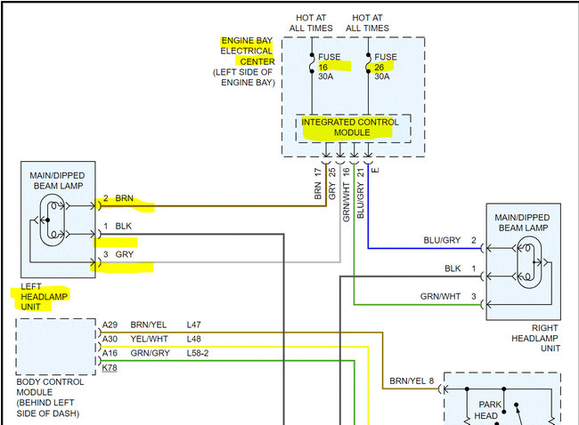
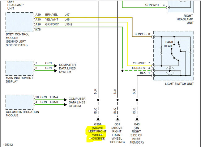
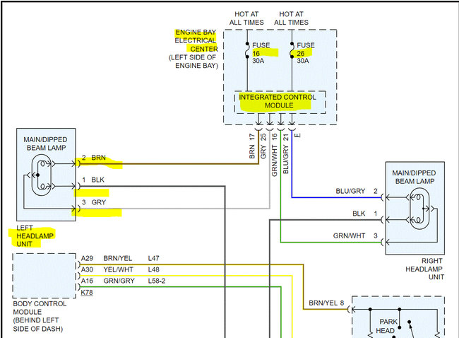
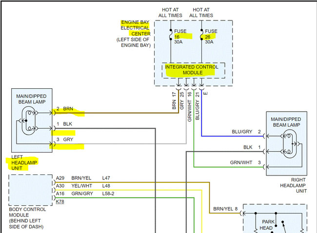
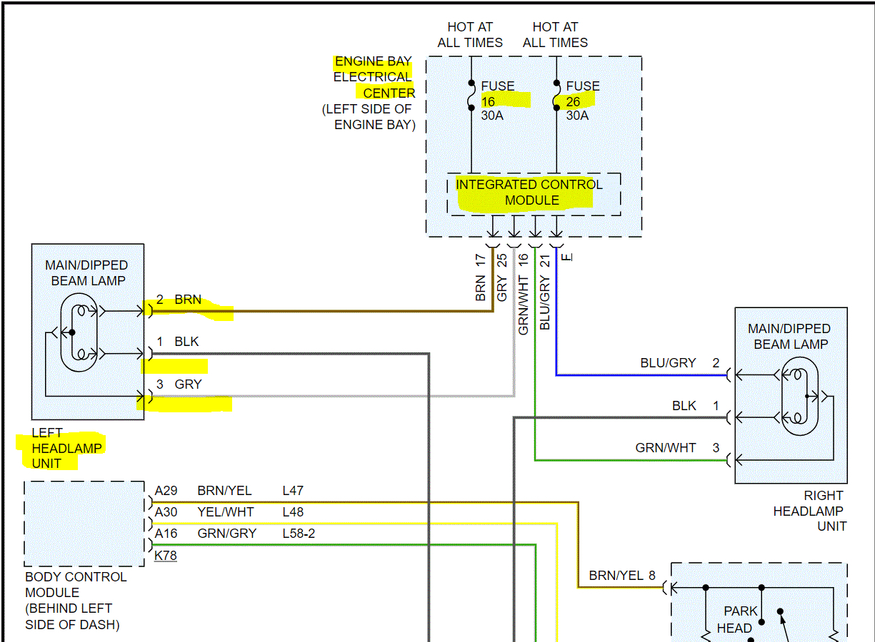
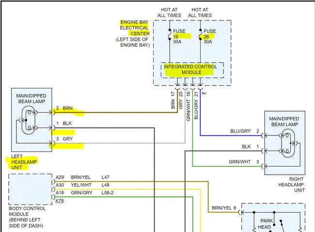
Next, I need you to disconnect the left headlamp wiring connector. There will be three wires at the connector, a black, gray, and brown wire. Using a test light, check for power at the gray wire and then the brown wire.

If there is power, then I need you to check if the ground is good. Turn the lights off. Check the black wire in the connector for continuity to ground.

If you have power and ground, chances are the socket itself is bad. Check the connectors for corrosion, damage, pushed or bent pins, or anything that can prevent the circuit from completing.

I attached the wiring schematic below and highlighted what wires to check. Here is a link you may find helpful when testing the wiring and ground:

https://www.2carpros.com/articles/how-to-check-wiring

If there is no power, the fuses are good and have power to and from them, there is a chance the integrated control module is bad.

Let me know what you find or if you have other questions.

Take care,

Joe

See pics below.
Was this
answer
helpful?
Yes
No
Friday, September 10th, 2021 AT 9:46 PM

Please login or register to post a reply.