Sunday, November 12th, 2017 AT 12:11 PM
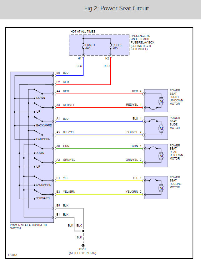
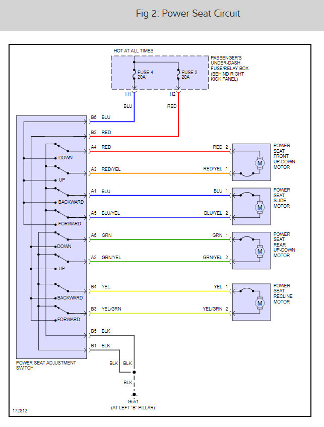
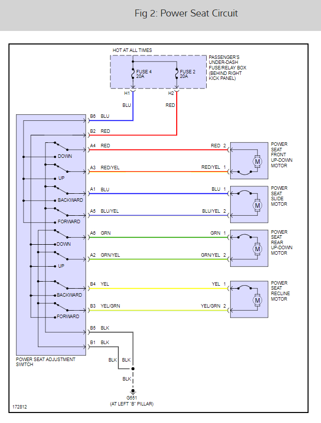
Driver seat does not move forward and back, also does not move up and down at front end. I checked motor one by one by give direct twelve volts all three working good. I check trackaldo. I got second button switching assembly but have same response. Headrest means back of seat is working and up and down is working at rear end. But does not work on front end up and down and does not work forward and back. Waiting for your response. Thanks





