Driver door lock

Tiny
MYBMW318I
  • MEMBER
  • 1995 BMW 318I
  • 1.8L
  • 4 CYL
  • 2WD
  • AUTOMATIC
  • 150,000 MILES
I cannot lock the drivers door with the remote, but can lock/unlock all doors with the key. However, the alarm will not set by doing this and can only lock/unlock the other doors with the remote and activate the alarm.
We replaced the drivers door module, but still no luck.
Sunday, May 13th, 2018 AT 5:04 AM

1 Reply

Tiny
KEN L
  • MASTER CERTIFIED MECHANIC
  • 55,322 POSTS
Hello,

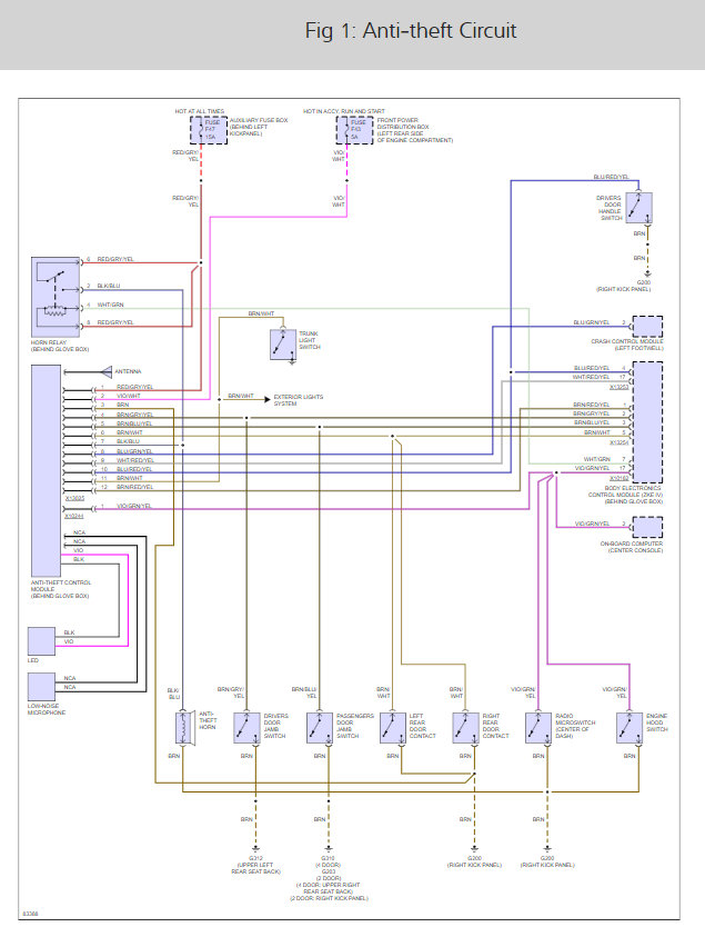
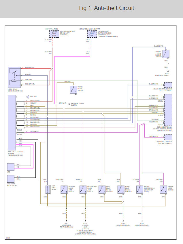
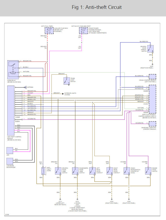
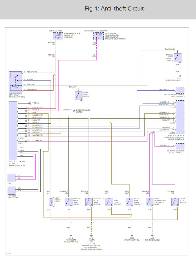
It sounds like the driver door lock driver is out in the security module. Here is a wiring diagrams and a guide to confirm the issue. Check for an output signal from the module.

https://www.2carpros.com/articles/how-to-check-wiring

Check out the diagrams (below). Please let us know what you find.

Cheers, Ken
Was this
answer
helpful?
Yes
No
Monday, May 14th, 2018 AT 11:10 AM

Please login or register to post a reply.