Doors and hatch will not unlock

Tiny
ROBERT BURNICHON
  • MEMBER
  • 2000 JEEP GRAND CHEROKEE
  • 4.7L
  • V8
  • 4WD
  • AUTOMATIC
  • 200,000 MILES
I've checked the wires in the driver's door boot. But the only door that locks and unlocks with the switch is the drivers door. The other doors not lock or unlock and the hatch will not unlock. It's been driving me crazy.
Monday, November 11th, 2019 AT 8:15 PM

3 Replies

Tiny
MASTERWRENCH
  • MECHANIC
  • 258 POSTS
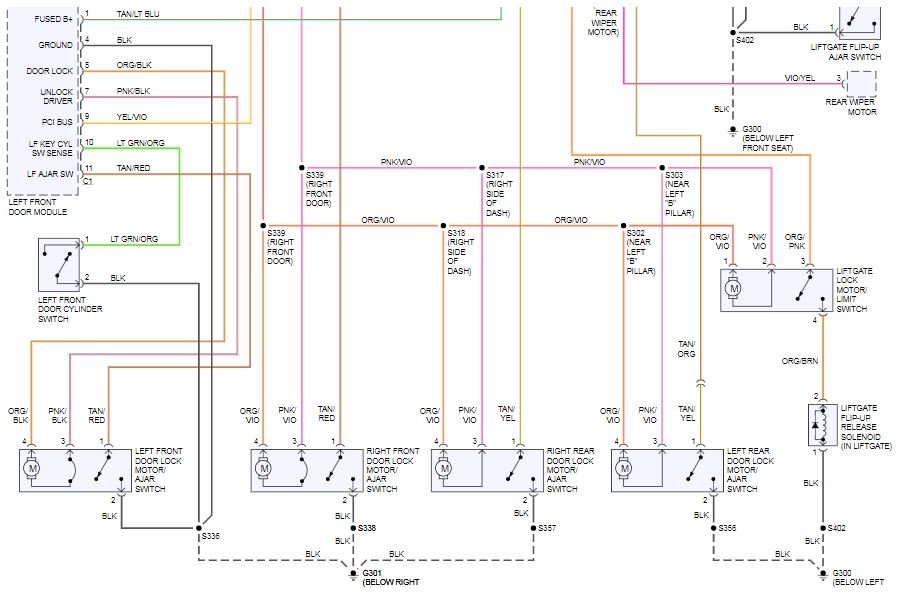
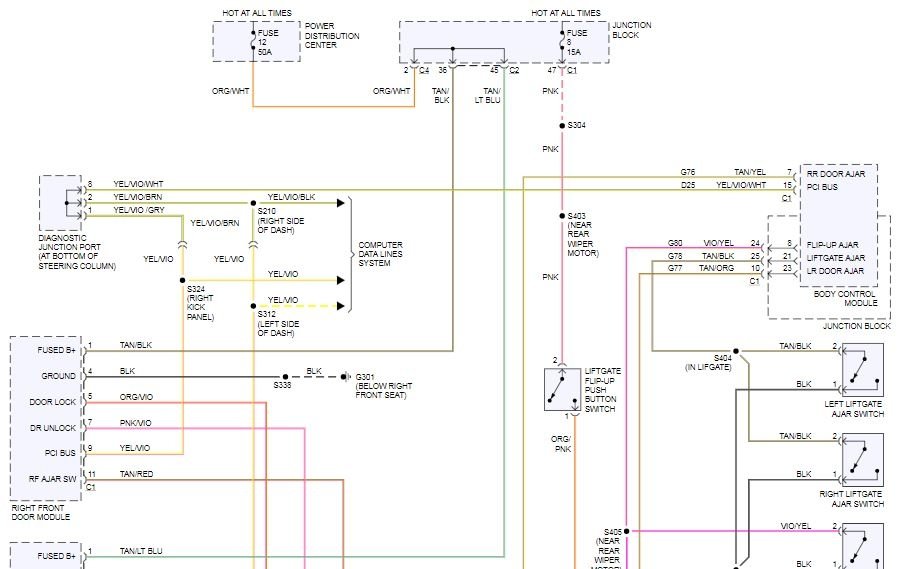
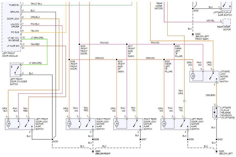
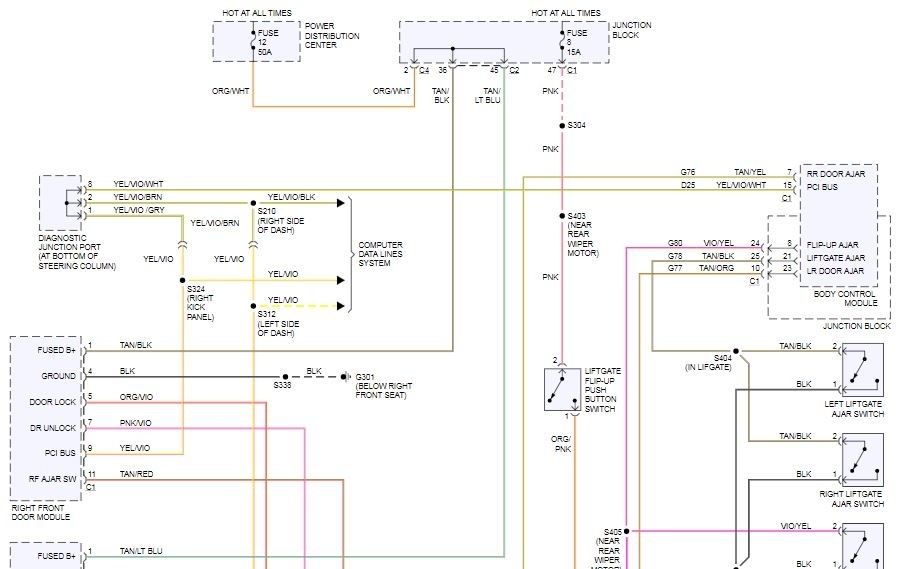
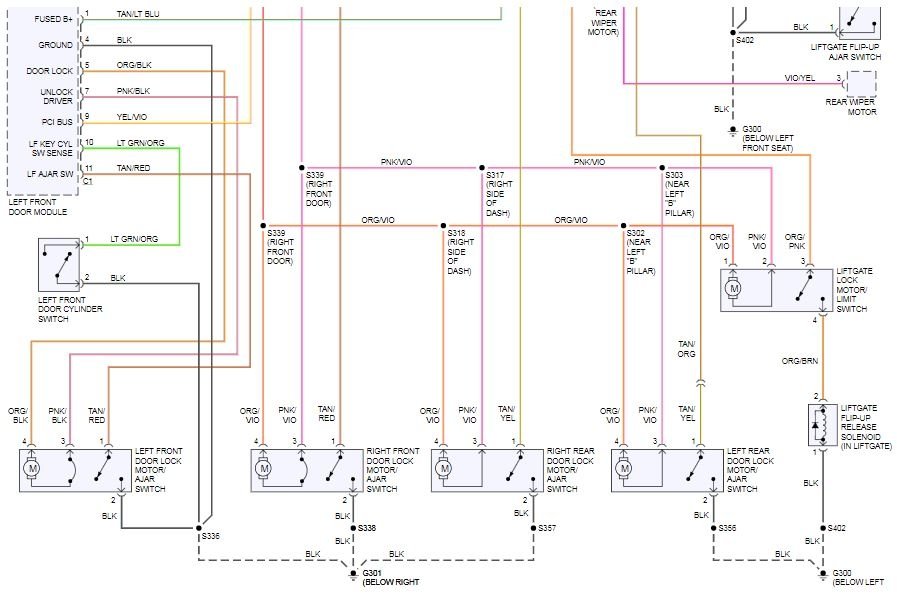
On this particular vehicle, the master switch on the driver's door really isn't the master of the power door lock system. All power lock functionality(aside from the driver's door lock) is carried out by the Passenger Door Module (PDM). The PDM is integrated with the door lock and power window switches mounted in the right front passenger door. I would start by checking Fuse 12 in the PDC under the hood. If the fuse is good, the PDM most likely has an internal failure. Unfortunately these modules where know for having issues. I've also attached the complete power door lock system wiring diagram for your reference.

Let us know how you make out!
Was this
answer
helpful?
Yes
No
Monday, November 11th, 2019 AT 8:39 PM
Tiny
ROBERT BURNICHON
  • MEMBER
  • 2 POSTS
I will check that when I get home. But I'm sure the fuse is good. The windows work and all that. It's just that none of the doors will unlock with the button. The drivers door is the only one that works when I use the button. Every other door and the hatch just make noise when I try the button.
Was this
answer
helpful?
Yes
No
Tuesday, November 12th, 2019 AT 11:06 AM
Tiny
MASTERWRENCH
  • MECHANIC
  • 258 POSTS
The fact that they are making noise puts a slightly different spin on things. Is it a loud buzzing type noise that you hear? Are they all making this noise with the exception of the driver’s door?
Was this
answer
helpful?
Yes
No
Tuesday, November 12th, 2019 AT 3:13 PM

Please login or register to post a reply.