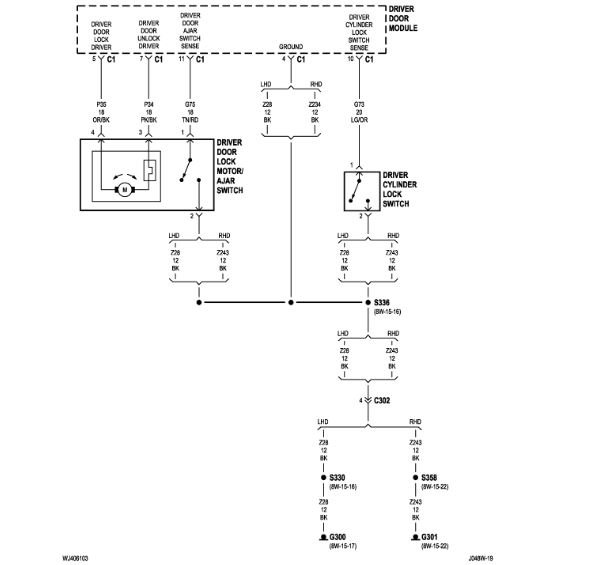
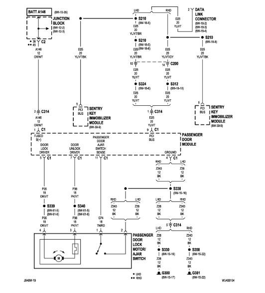
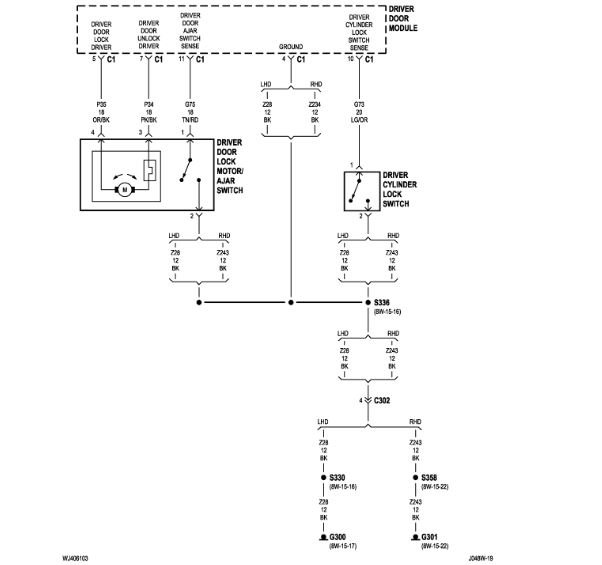
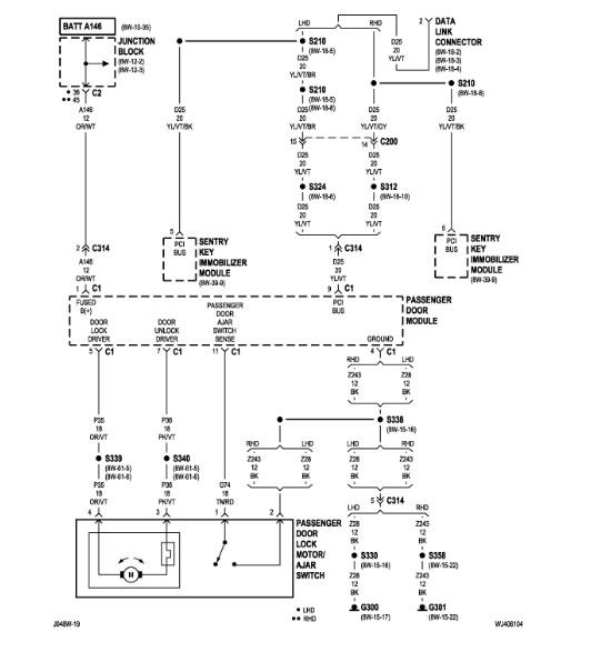
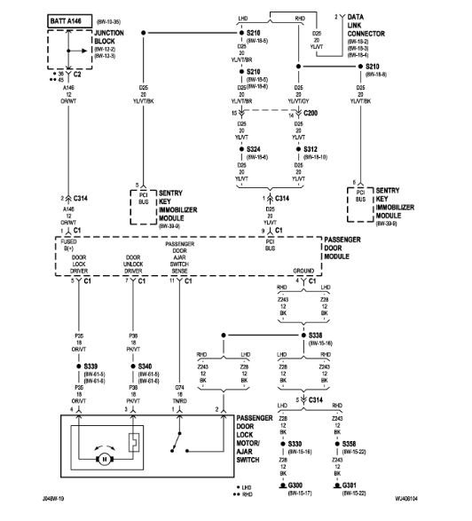
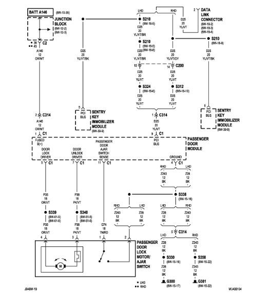
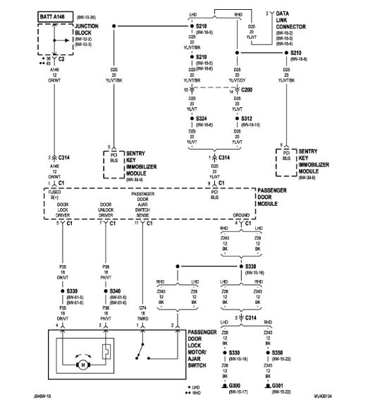
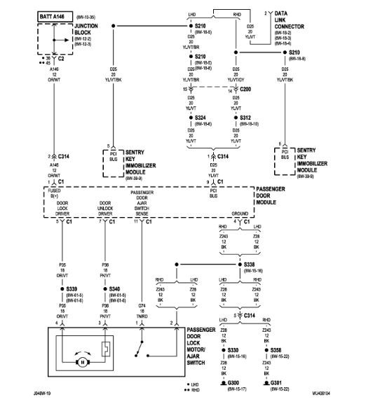
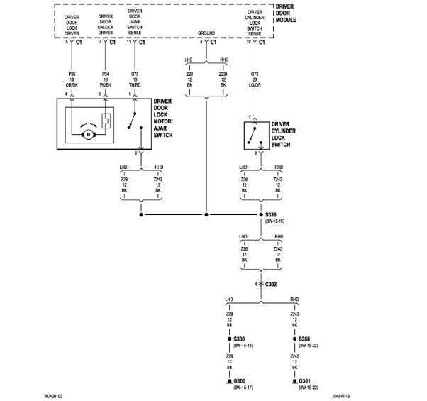
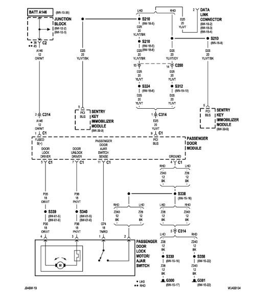
Door to body wiring

Tiny
BUICKBOYTOO
  • MEMBER
  • 2004 JEEP GRAND CHEROKEE
  • 4.0L
  • 6 CYL
  • 4WD
  • AUTOMATIC
  • 120,000 MILES
My body to door wiring harness has been fixed several times by the looks of it. Someone has spliced wires, all of the same color (ugh).

The original wires going through the body are too short now to work with for splicing repair.

Can I purchase a replacement wiring harness from the fuse panel to the door jam in order to get the correct color matching wires? The previous repairs have left too much bulk inside the protective rubber boot with all of the spliced wiring.
Sunday, September 30th, 2018 AT 4:59 AM

1 Reply

Tiny
ASEMASTER6371
  • MECHANIC
  • 52,796 POSTS
Good morning.

Yes you can but it depends if the harness is still available to purchase. A lot of times, parts stop production on some items after seven years.

If I were you, I would remove the door panel and go under the dash where it comes through and look for the bundle. It goes through the body at the left underneath of the dash. Then I would look to replace one wire at a time and match the colors at that point. It is time-consuming but will be very much cheaper than buying a harness and having it installed.

The other possibility is to go to a junk yard and look for the harness. That way you would only need to solder and shrink wrap to the body harness under the dash.

Roy
Was this
answer
helpful?
Yes
No
Sunday, September 30th, 2018 AT 5:54 AM

Please login or register to post a reply.