Door swap?

Tiny
ROBWORKSALOT
  • MEMBER
  • 1992 GMC SIERRA
  • 5.7L
  • V8
  • 4WD
  • AUTOMATIC
  • 200,000 MILES
Swapped door from 1999 GMC Yuko, how do I wire in the door switches?
Wednesday, February 8th, 2023 AT 11:23 AM

1 Reply

Tiny
JACOBANDNICKOLAS
  • MECHANIC
  • 110,194 POSTS
Hi,

Do you mean the door didn't come with a power window and you need directions, or it did, but the old one didn't have a power window?

Also, I am basing this on a regular cab and not a 4 door. If that is incorrect, let me know.

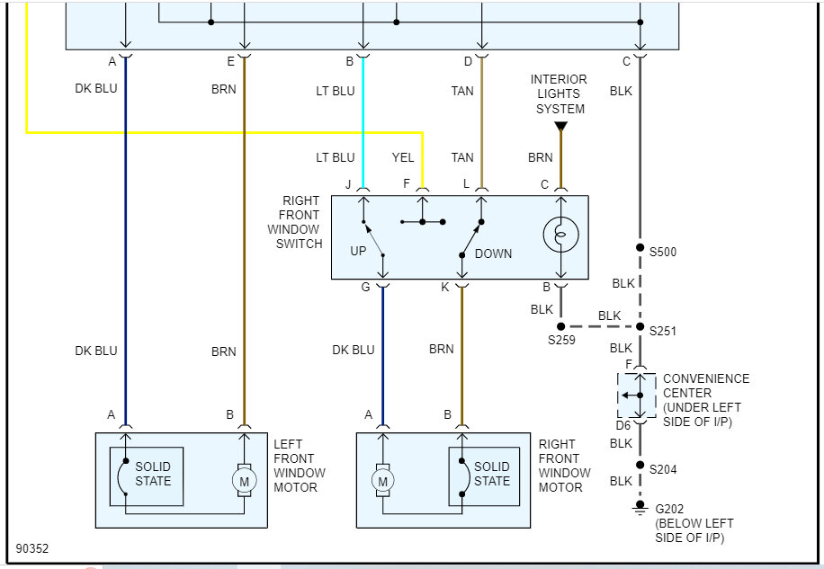
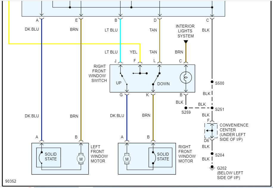
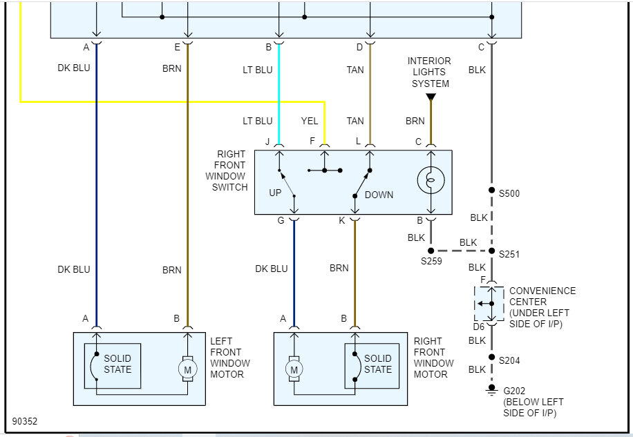
Take a look through the wiring schematic below. Let me know if that is what is needed or if it is something different.

Take care,

joe

See pics below.
Was this
answer
helpful?
Yes
No
Wednesday, February 8th, 2023 AT 2:51 PM

Please login or register to post a reply.