Wednesday, February 12th, 2025 AT 8:03 AM
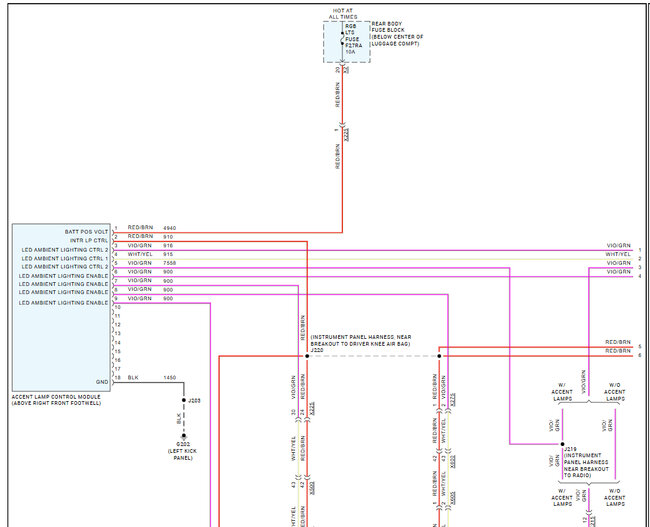
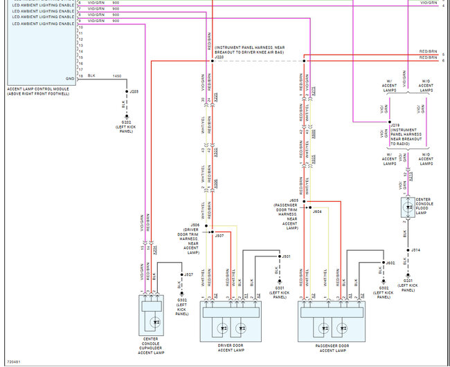
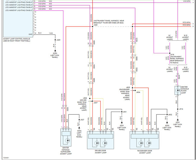
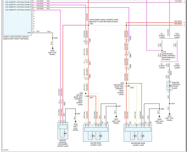
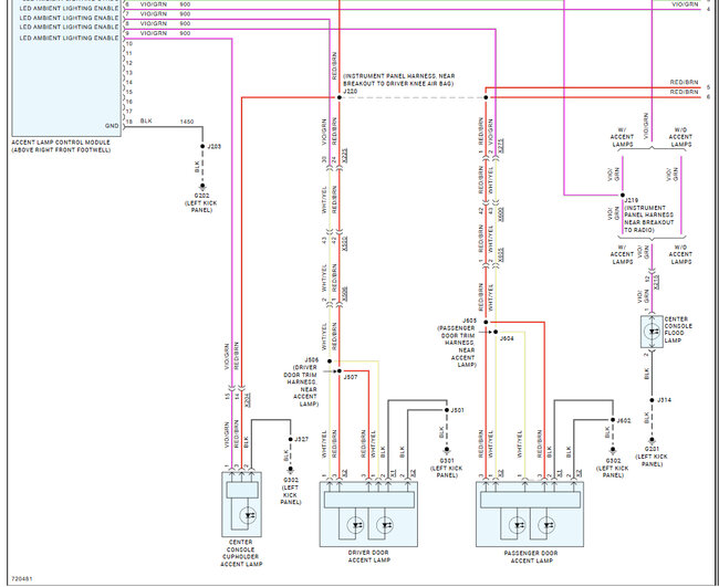
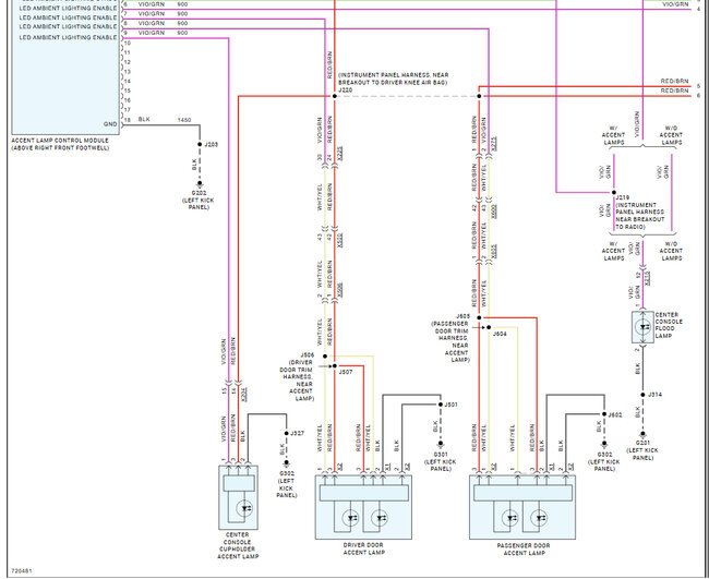
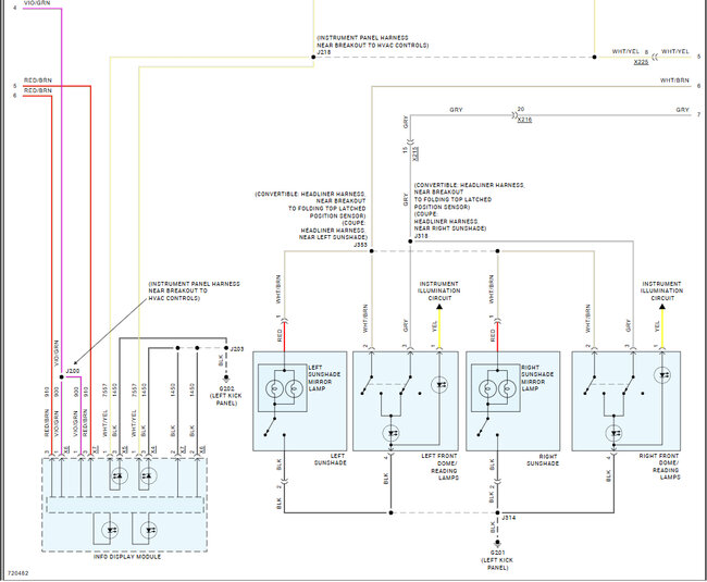
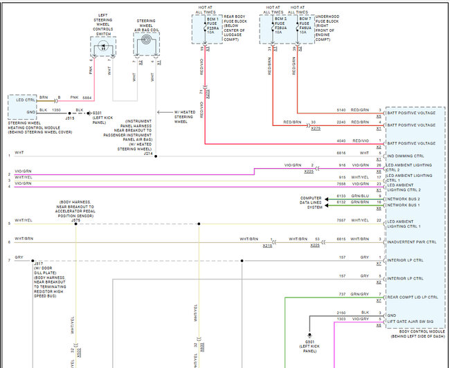
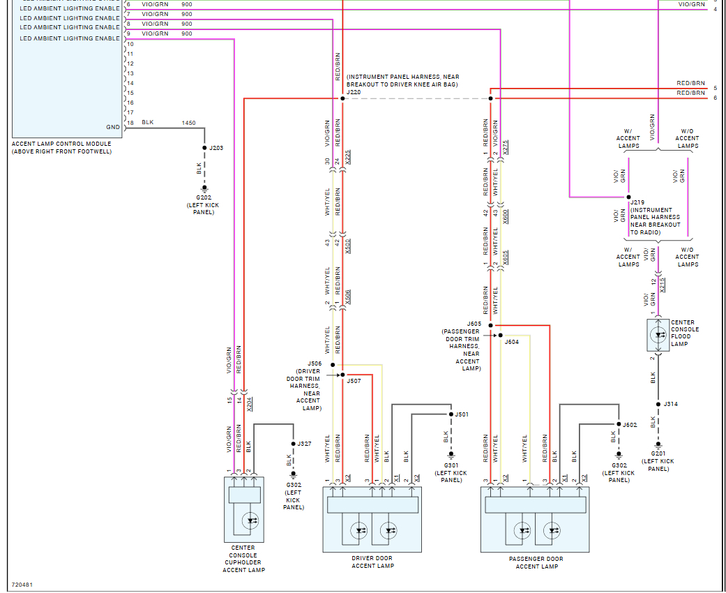
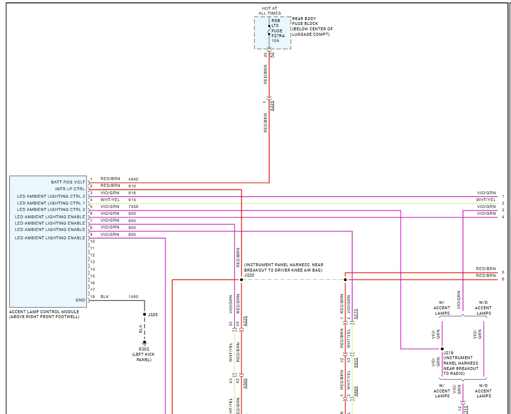
I am in need of an interior wiring diagram for the lighting circuit that includes the illuminated door sills. Any help would be greatly appreciated.





