Door release not working

Tiny
JTRULL
  • MEMBER
  • 1995 FORD F-150
  • 6 CYL
  • 2WD
  • AUTOMATIC
  • 92,000 MILES
The thumb door release became hard to push and finally would not move. Naturally the inside door release does not work either. What can de done?

Thanks.
Monday, December 3rd, 2018 AT 2:05 AM

1 Reply

Tiny
KEN L
  • MASTER CERTIFIED MECHANIC
  • 55,512 POSTS
Hello,

You must remove the inside door panel to get at the door latch which sounds like it needs it be replaced. Here is a guide to help get you started:

https://www.2carpros.com/articles/door-panel-removal

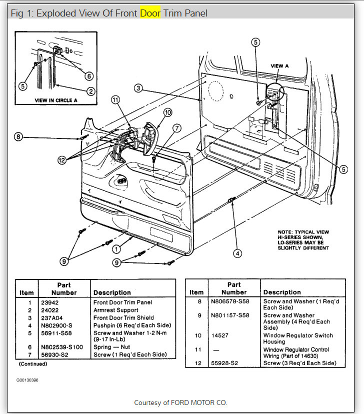
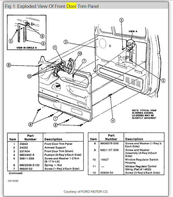
You may need to remove the front seats. Here are diagrams to help you replace the latch.

Check out the diagrams (below). Please let us know what happens.

Cheers, Ken
Was this
answer
helpful?
Yes
No
Tuesday, December 4th, 2018 AT 12:47 PM

Please login or register to post a reply.