Door locks do not work

Tiny
CANDC
  • MEMBER
  • 2007 DODGE NITRO
  • 3.7L
  • 6 CYL
  • 2WD
  • AUTOMATIC
  • 100,000 MILES
Locks won't work with the fob or the lock buttons on the doors.
Friday, March 25th, 2022 AT 10:02 PM

1 Reply

Tiny
KASEKENNY
  • MECHANIC
  • 18,907 POSTS
More than likely this is an issue with the TIPM which is a common failure point.

However, we need to prove this out by checking the voltage going into the TIPM and then the command coming out. I suspect you will not have voltage out of the TIPM so I would suggest jumping directly to this and if you do not, I would replace the TIPM.

Here is a guide that will help with testing voltage:

https://www.2carpros.com/articles/how-to-check-wiring

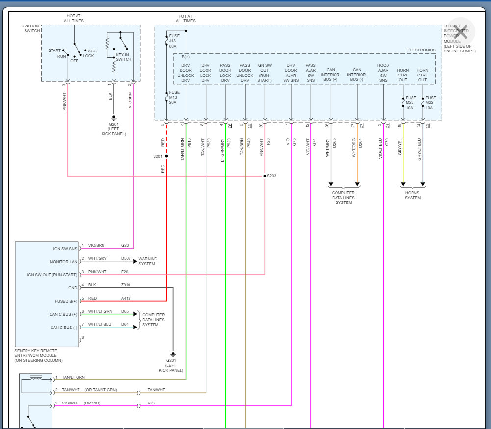
Below you will find the wiring diagrams and that will help with identifying the circuit.

One other possible cause is the accessory relay. However, this would cause other issues than just the door locks so if the liftgate ajar switch is working then I suspect the circuit board on the TIPM is the issue.

Let me know what questions you have with this, and we can go from there.

Thanks
Was this
answer
helpful?
Yes
No
Saturday, March 26th, 2022 AT 11:07 AM

Please login or register to post a reply.