Door locks intermittently will unlock but will not lock

Tiny
MORGANVICKIE
  • MEMBER
  • 2014 CHEVROLET TRAVERSE
  • 6 CYL
  • 2WD
  • AUTOMATIC
  • 160,000 MILES
My door locks will not lock but will unlock. This problem happens on and off. The issue is the same no matter if using the inside door panel, key fob or auto lock when put into gear.

What could be causing this issue?
Monday, April 11th, 2022 AT 11:21 AM

1 Reply

Tiny
KASEKENNY
  • MECHANIC
  • 18,907 POSTS
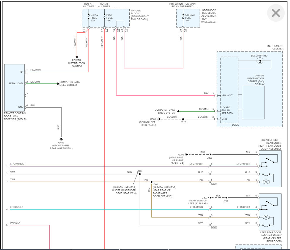
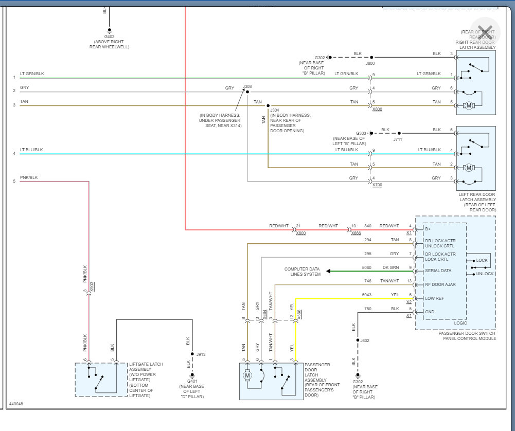
This could be a couple things but the most likely cause of this is a body control module but let us confirm a couple things first.

When this happens does anything happen when you are operating them? Meaning do they twitch or try to move but just don't complete the operation or do they not move at all?

I suspect they don't move at all. If this is the case then I suspect we have an issue with the BCM. Let's confirm this by checking the voltage at the actuator and see if there is anything when you are trying to operate them.

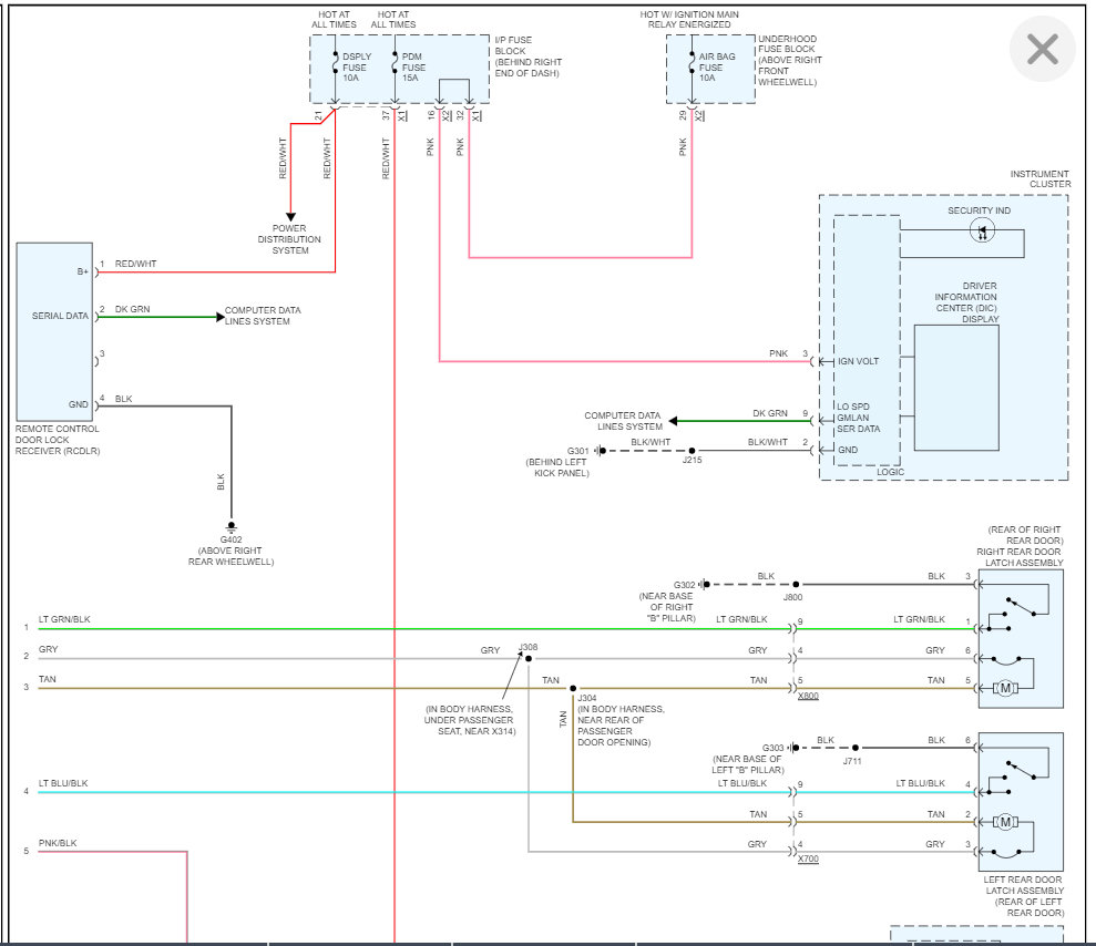
https://www.2carpros.com/articles/how-to-check-wiring

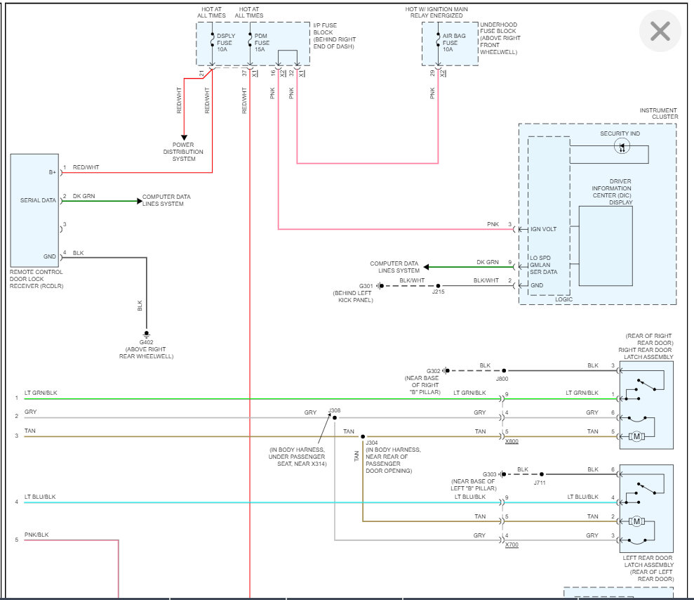
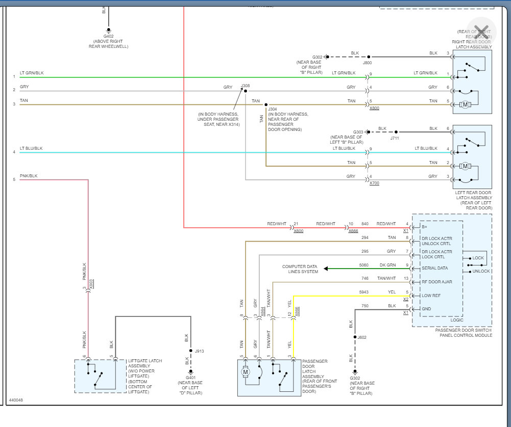
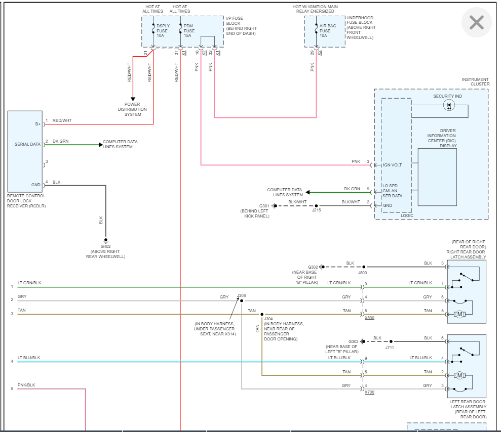
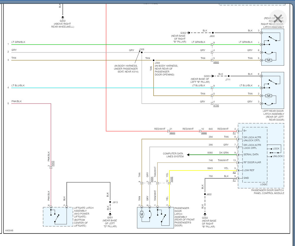
I am attaching the wiring diagram that will hep with this and let's confirm this and go from there.

Thanks
Was this
answer
helpful?
Yes
No
Tuesday, April 12th, 2022 AT 6:32 PM

Please login or register to post a reply.