The door locks, fob, trunk and door lock switch are not working?

Tiny
NMAY
  • MEMBER
  • 2007 LINCOLN TOWN CAR
  • 4.6L
  • V8
  • 2WD
  • AUTOMATIC
  • 83,000 MILES
My door locks, fob, trunk, and door lock switch not working.
Saturday, June 22nd, 2024 AT 1:02 PM

4 Replies

Tiny
KEN L
  • MASTER CERTIFIED MECHANIC
  • 55,535 POSTS
I would start by checking fuse #19 in the central fuse panel inside the car, here is a guide to help and the fuse locations as well:

https://www.2carpros.com/articles/how-to-check-a-car-fuse

Check out the images (below). Please let us know what happens.

Was this
answer
helpful?
Yes
No
Sunday, June 23rd, 2024 AT 12:05 PM
Tiny
NMAY
  • MEMBER
  • 6 POSTS
We checked all fuses. Number 19 also. All fuses good. Thank you
Was this
answer
helpful?
Yes
No
Sunday, June 23rd, 2024 AT 1:23 PM
Tiny
NMAY
  • MEMBER
  • 6 POSTS
Any other ideas would be helpful.
Was this
answer
helpful?
Yes
No
Sunday, June 23rd, 2024 AT 1:24 PM
Tiny
KEN L
  • MASTER CERTIFIED MECHANIC
  • 55,535 POSTS
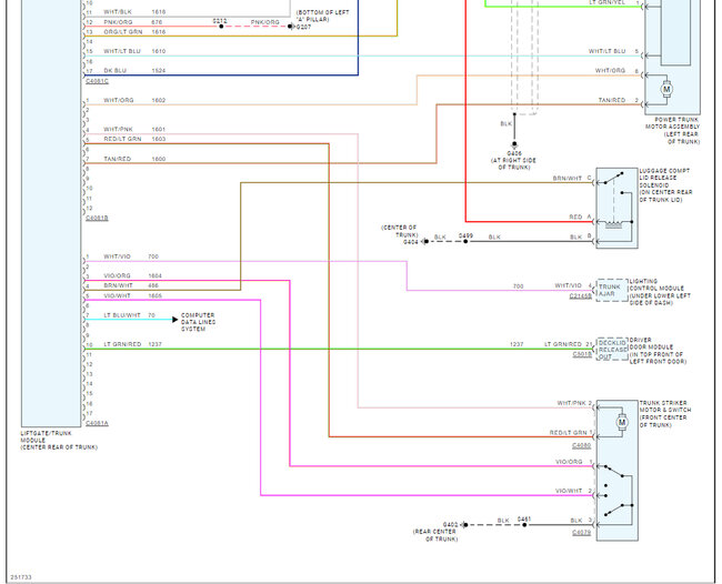
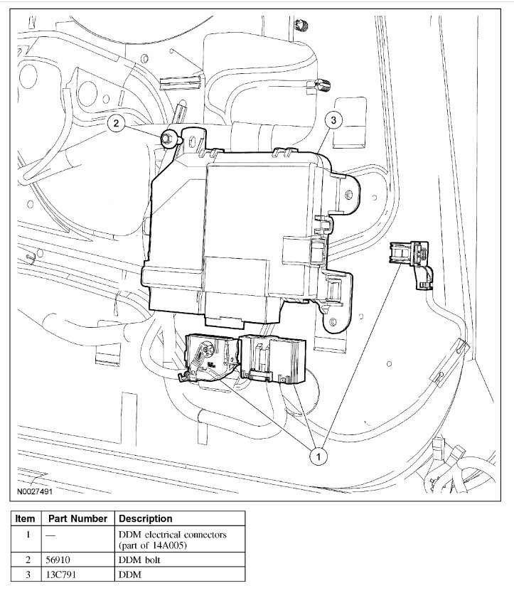
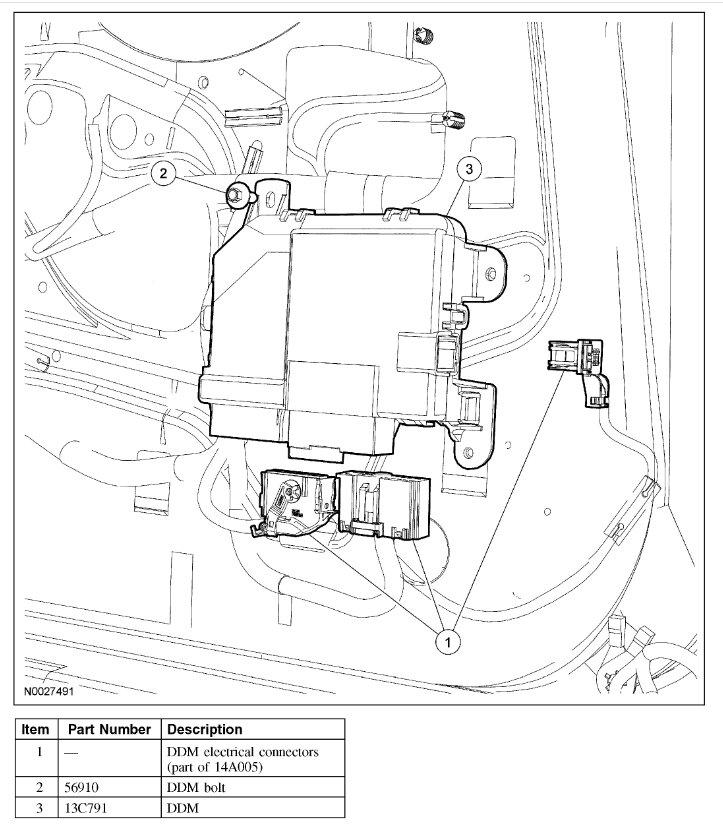
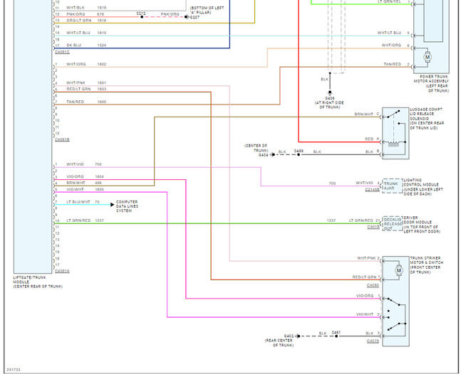
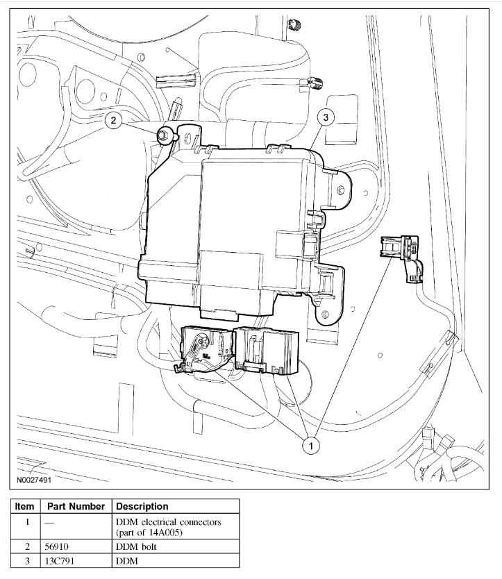
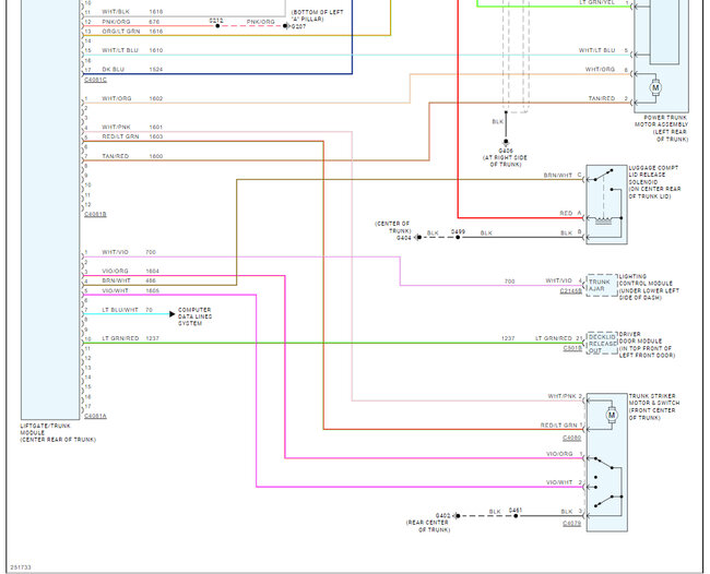
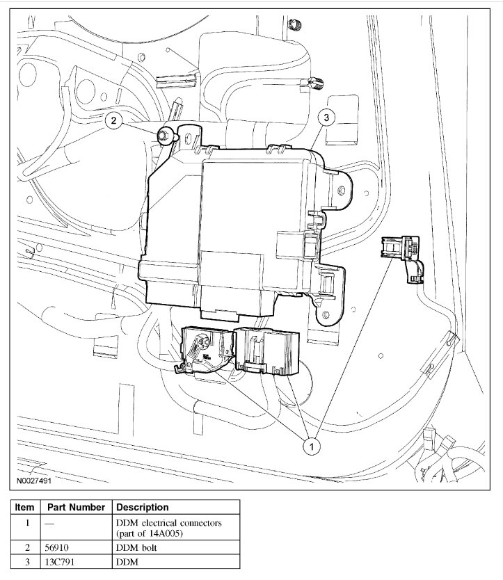
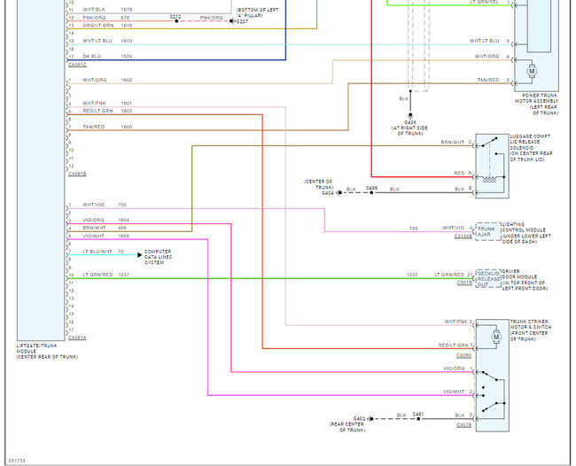
Okay, I was hoping for fuse #19 because both systems share that fuse. Did the fuse have power? So, it looks like the driver's door module has gone out, but I would check the other fuses as well. Here are the other fuses in the system and the wiring diagrams so you can see how the door lock and trunk work. Here is the location of the DDM so you can swap it out if the fuses are good. The wiring diagrams have the fuses you should check. Check out the images (below). Let us know how it goes.
Was this
answer
helpful?
Yes
No
+1
Monday, June 24th, 2024 AT 9:11 AM

Please login or register to post a reply.