Door lock switch/fob not working

Tiny
RYAN1992
  • MEMBER
  • 2010 DODGE CHARGER
  • 3.5L
  • V6
  • 2WD
  • AUTOMATIC
  • 10,300 MILES
The door lock switches on the door won't lock the doors and the fob won't either. Replaced battery in fob and still nothing.
Tuesday, March 8th, 2022 AT 11:34 AM

3 Replies

Tiny
JACOBANDNICKOLAS
  • MECHANIC
  • 110,192 POSTS
Hi,

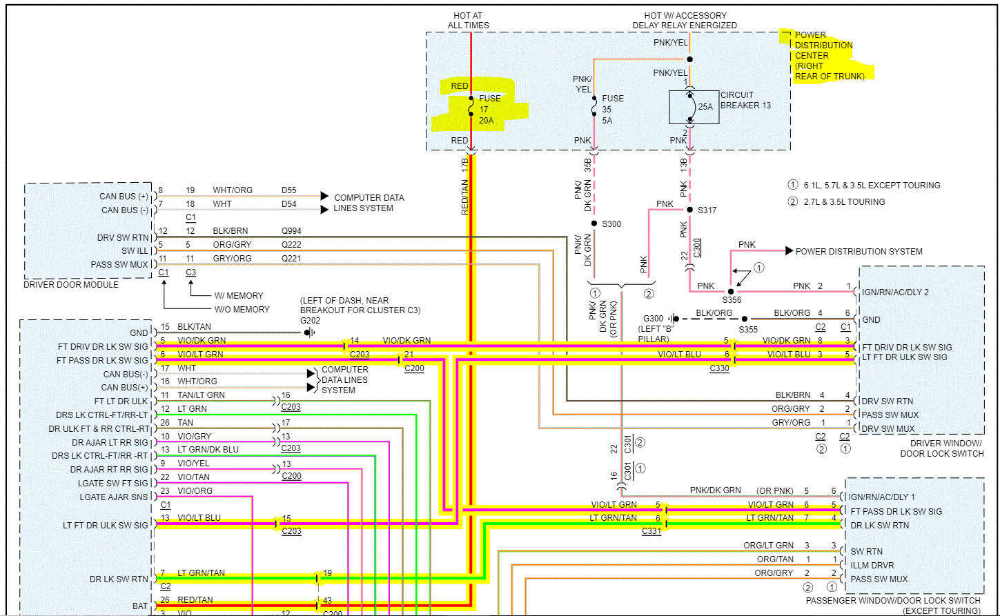
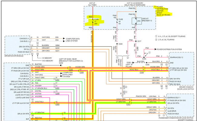
If you can't lock them with the switch in the vehicle, there is likely a power problem. The first thing I need you to check is fuse 17 in the power distribution box located in the trunk.

In addition to checking the fuse, I need you to confirm there is power to and from it. Here is a link explaining how that is done:

https://www.2carpros.com/articles/how-to-check-a-car-fuse

I attached the wiring schematic below for you to review. Note I highlighted the fuse and many of the power supplies related. Additionally, pics 3 and 4 show the fuse location and orientation in the box.

Let me know what you find or if you have other questions.

Take care,

Joe
Was this
answer
helpful?
Yes
No
Tuesday, March 8th, 2022 AT 8:35 PM
Tiny
RYAN1992
  • MEMBER
  • 2 POSTS
It's the switch itself. I checked the relay/fuse etc, all works and the passenger one will lock all including driver. Just driver switch.
Was this
answer
helpful?
Yes
No
Tuesday, March 8th, 2022 AT 10:24 PM
Tiny
JACOBANDNICKOLAS
  • MECHANIC
  • 110,192 POSTS
Hi,

I'm not sure I understand. Do the front doors lock with the switch in the vehicle and the FOB? If you have two doors working and two not, let me know. I was under the impression that none of them worked.

Let me know.

Joe
Was this
answer
helpful?
Yes
No
Wednesday, March 9th, 2022 AT 1:14 PM

Please login or register to post a reply.