Friday, August 25th, 2023 AT 2:23 PM
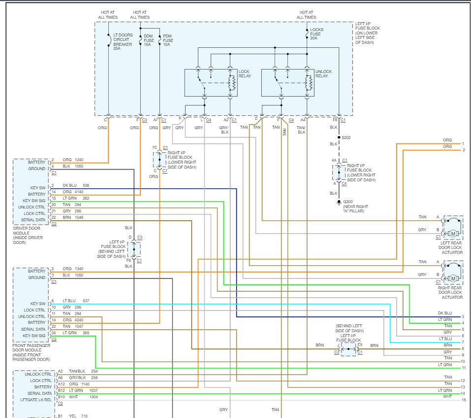
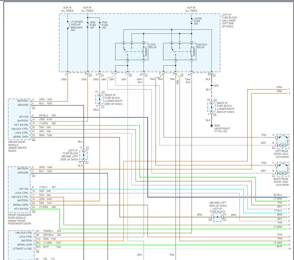
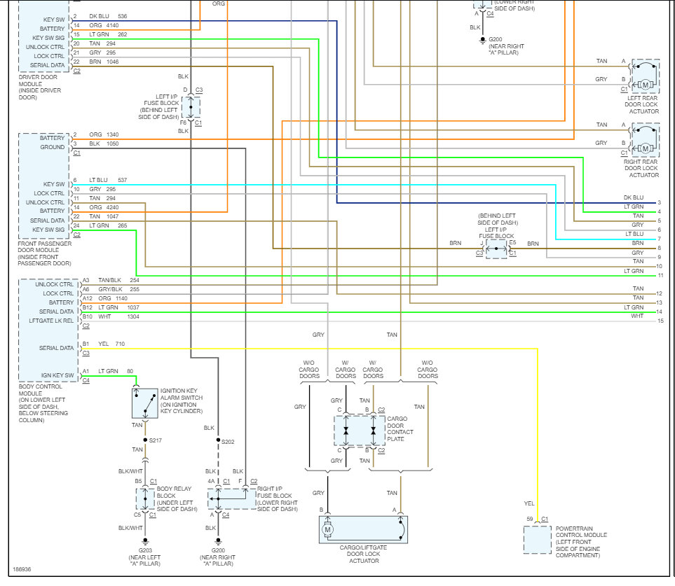
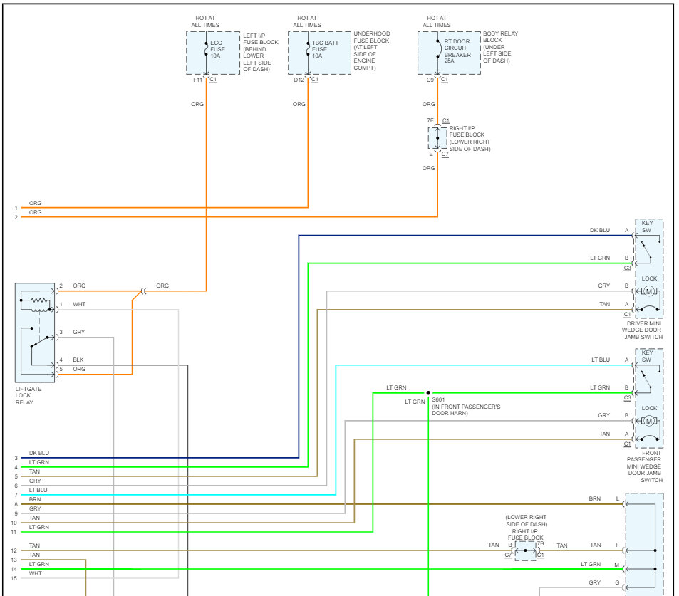
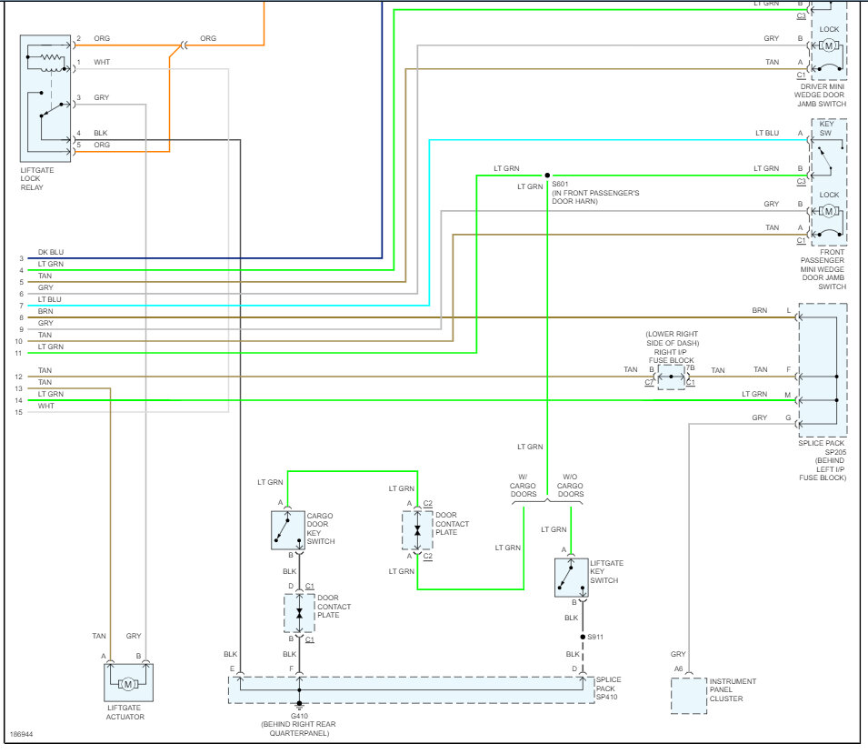
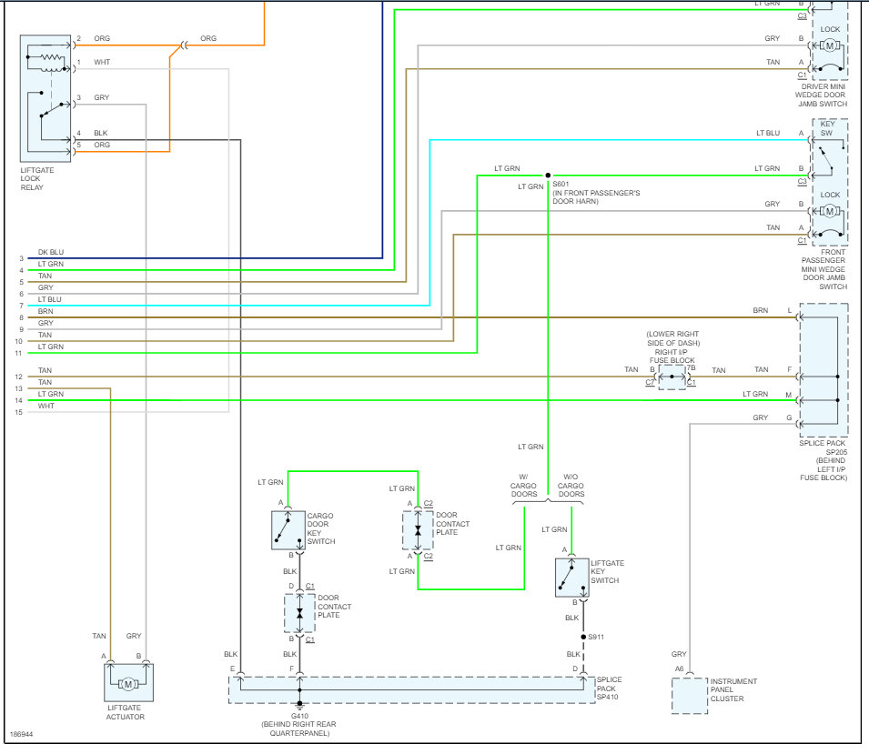
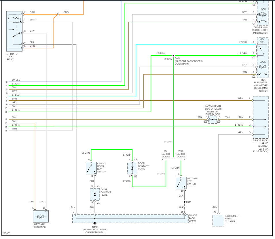
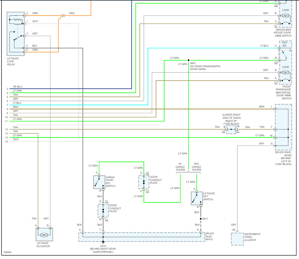
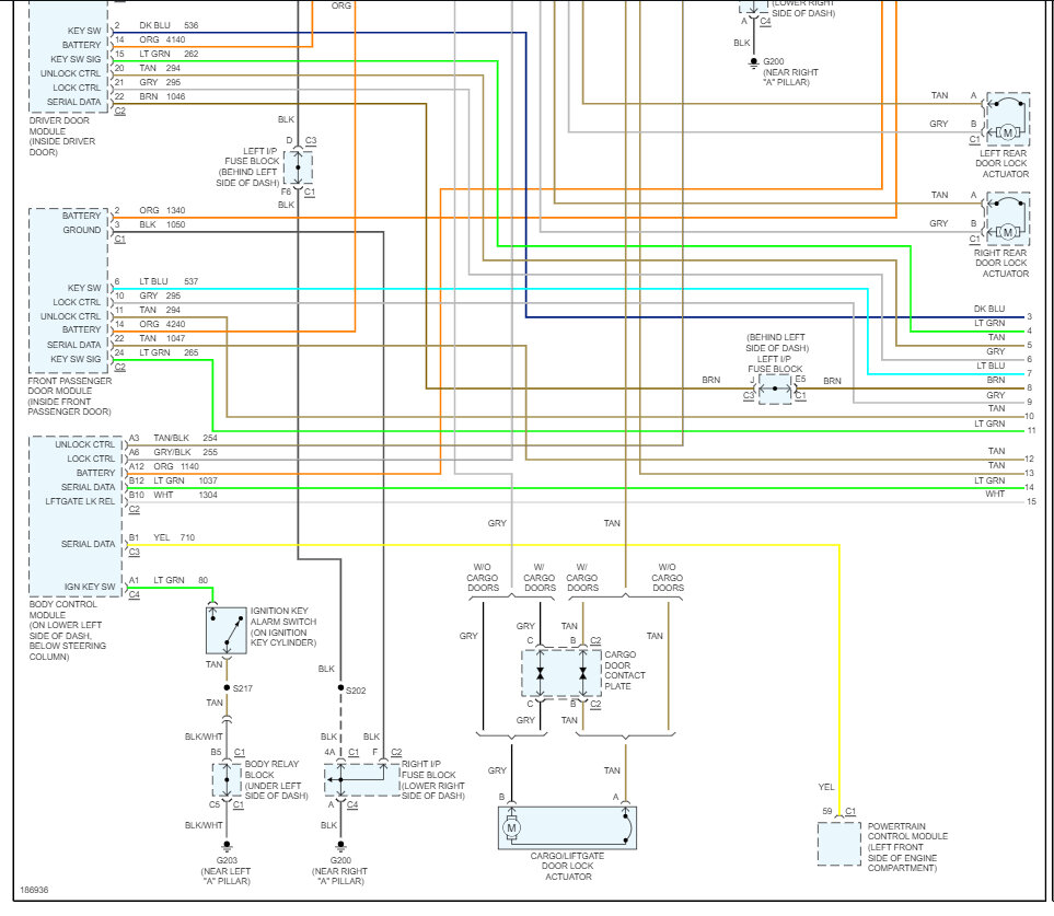
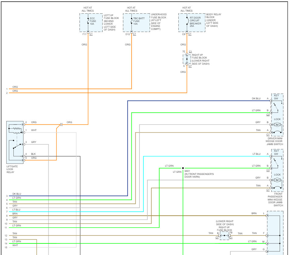
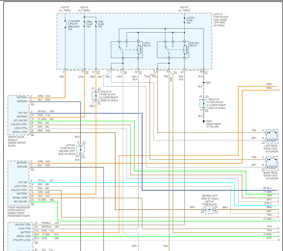
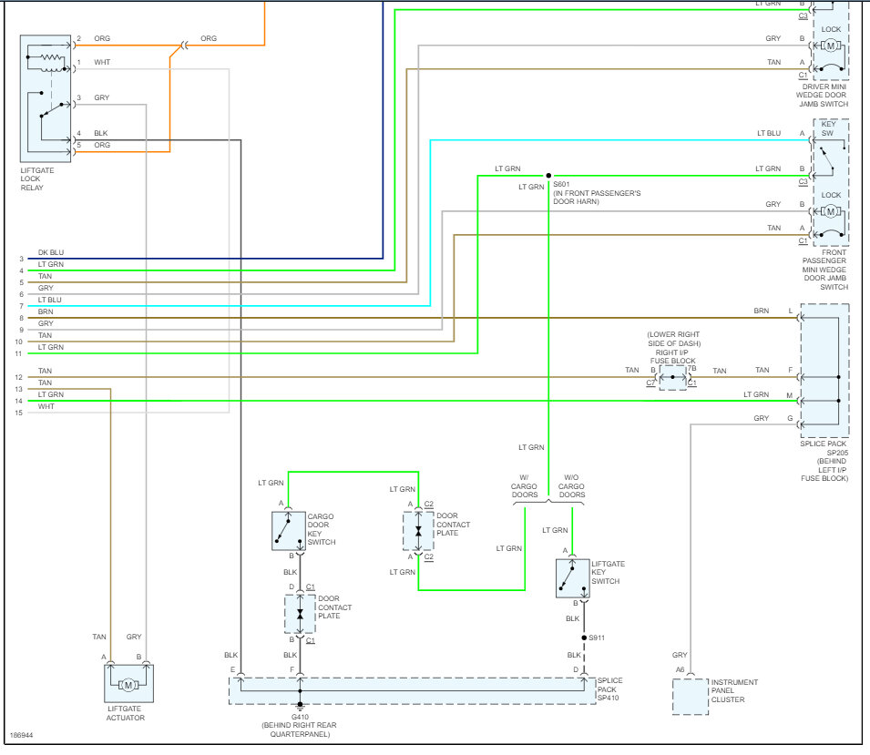
I'm having issues with unlocking the doors. If all the doors are closed, I cannot unlock the doors from the driver's side, but I can from the passenger door. If the passenger door is open, I can unlock the doors from the driver's side. The doors will also unlock when the vehicle is placed in park.




