Parking lights stay on

Tiny
MATTANDCHRISANN
  • MEMBER
  • 2003 KIA SEDONA
  • 119,000 MILES
The door a jar light and dinger is on as wells as my parking lights are always on. I sprayed the door latches and still the door light and dinger are still on.
Also I do believe my airbag clock spring is bad because I also don't have power to my windows.
Monday, August 26th, 2019 AT 8:57 AM

1 Reply

Tiny
KEN L
  • MASTER CERTIFIED MECHANIC
  • 55,030 POSTS
Hello,

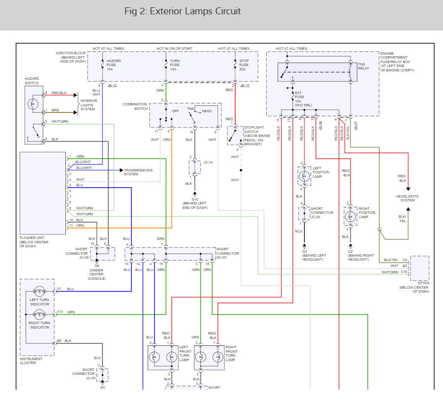
These problems are not related. we will handle the parking light issue on this thread. you will need to start a new thread for the door ajar problem. It sounds like the TNS relay is stuck on and needs to be replaced. To be sure here is a guide so you can test the relay with the relay location along with the wiring diagrams so you can see how the system works:

https://www.2carpros.com/articles/how-to-check-an-electrical-relay-and-wiring-control-circuit

Check out the diagrams (below). Please run this test and get back to us.

Was this
answer
helpful?
Yes
No
+1
Tuesday, August 27th, 2019 AT 12:18 PM

Please login or register to post a reply.