door actuator

2010 CHEVROLET IMPALA
48,000 MILES • 6 CYL • 2WD • AUTOMATIC
Avatar
ROBERT J SEIBERT
  • MEMBER
  • 1 POST
knocking noise coming from glove compartment.
Jul 7, 2017 at 9:58 AM
Repair Safety Notice: This information is for general instructional purposes only. Vehicle repair can be dangerous. Verify all information, follow manufacturer service procedures, use proper tools and safety equipment, and consult a qualified repair shop when needed.
Advertisement
Avatar
STRAILER
  • CAR REPAIR CONTRIBUTOR
  • 54,189 POSTS
Hello,

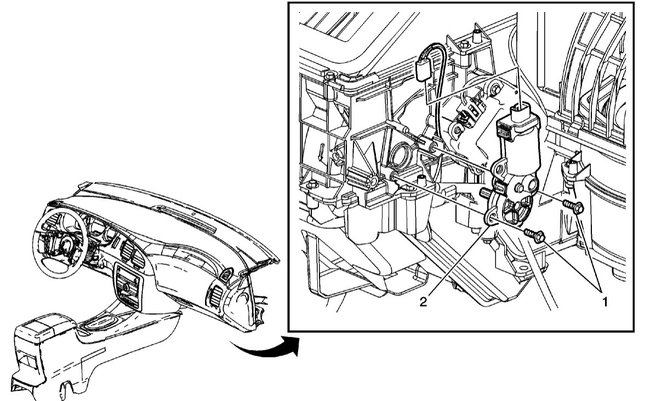
That knocking noise is probably a blend door actuator that has gone out and needs to be replaced. Here is a guide that will help you see what I am taking about with a diagram (below) that will show you what it like on your car.

https://www.2carpros.com/articles/replace-blend-door-motor


Please let us know what happens, we are interested to see what it is.

Cheers, Ken
Jul 9, 2017 at 1:28 PM
Advertisement