Donor seat for different application, wiring issue

Tiny
GOTSCOUT
  • MEMBER
  • 2003 SATURN L200
  • 40 MILES
I have both Saturn L200 and Aura seats and do a seat belt warning and airbag (Aura) delete on both, and have the basic "mechanics" worked out, but I need help with the heater wiring.

Again, this is an Off-Brand application, so the switches and brain boxes and fuse blocks etc, are irrelevant, and service manuals basically useless.

The L200 seats have the heater switch Off-Seat (dash I believe) and the Aura are seat mounted. How should I best go about triggering them, ie a 2-way toggle on dash for hi/lo?
Is there a voltage limit I should incorporate if I do live trigger them, like via a buck converter?

The L200 has a really small "brain box" (?) Under seat, but the Aura has a big one that scares me. The size of a cd player. Any help as to work arounds most appreciated. Any Sat-techs weighing in. I can drop photos and connections so you can see where I am. Thanks
Sunday, June 26th, 2022 AT 12:47 AM

9 Replies

Tiny
KASEKENNY
  • MECHANIC
  • 18,907 POSTS
We need the details about what seat is installed in the vehicle. I assume you have the Aura seat installed in the L200?

If that is the case, what year Aura did the seat come out of?

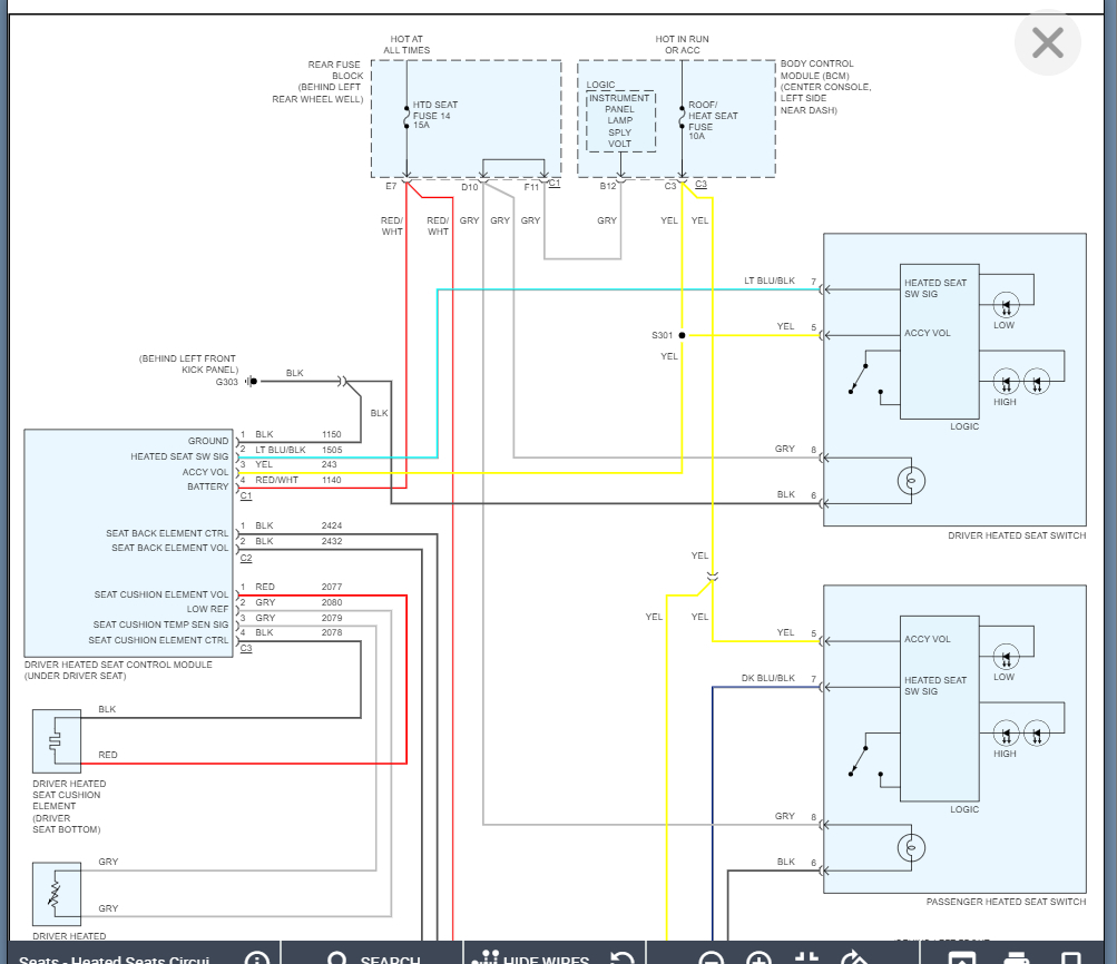
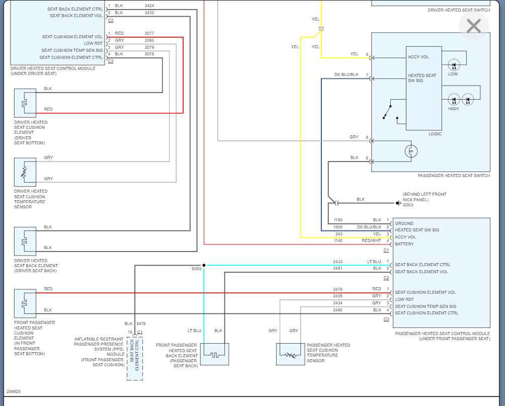
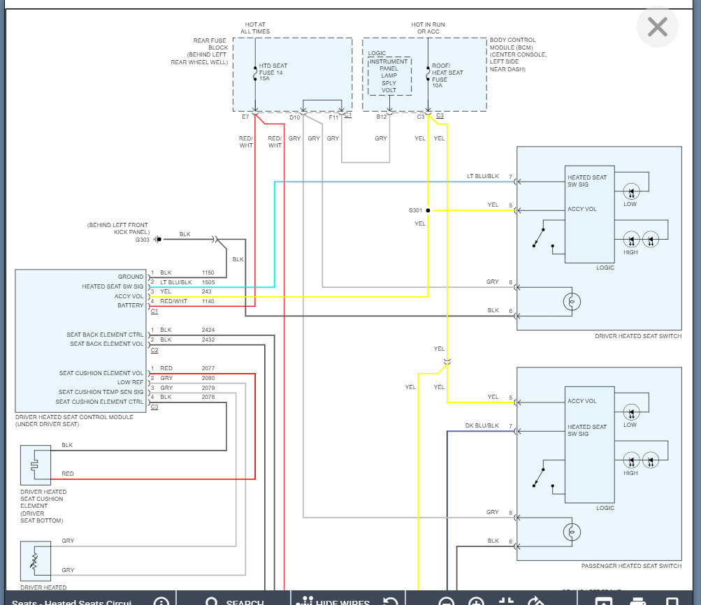
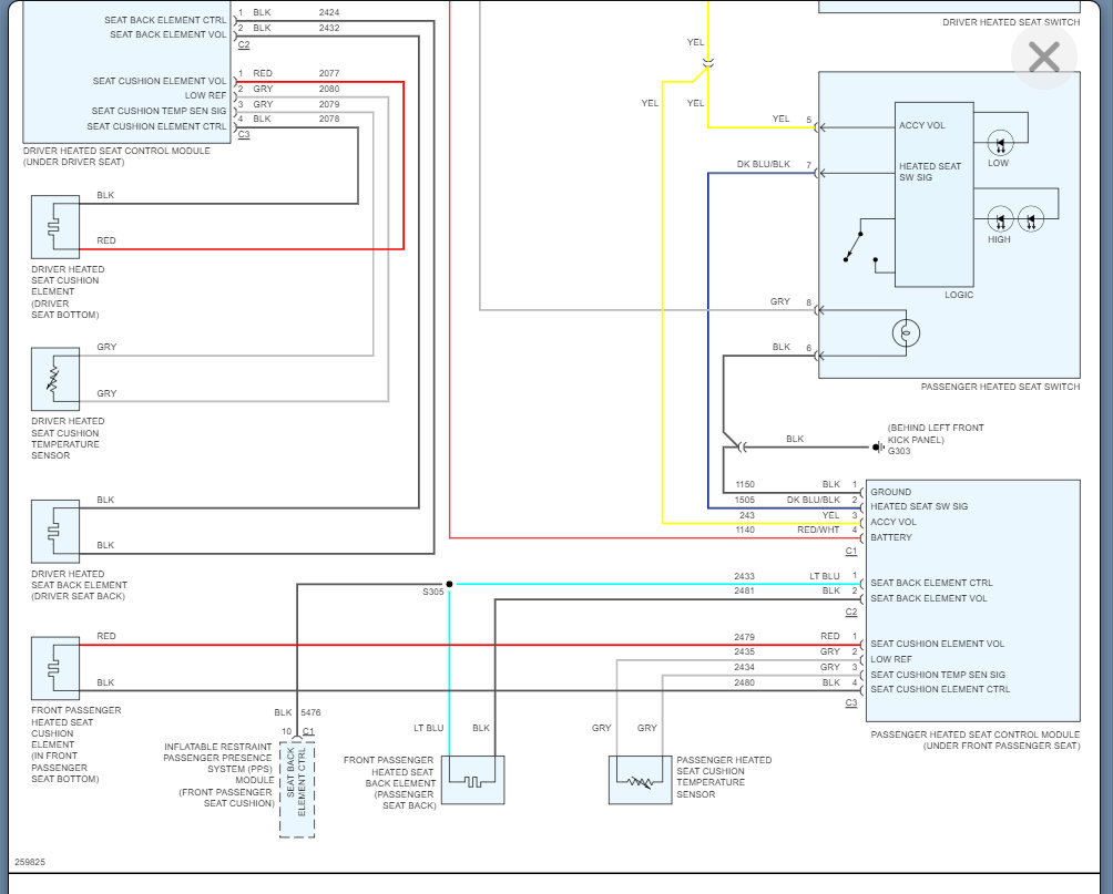
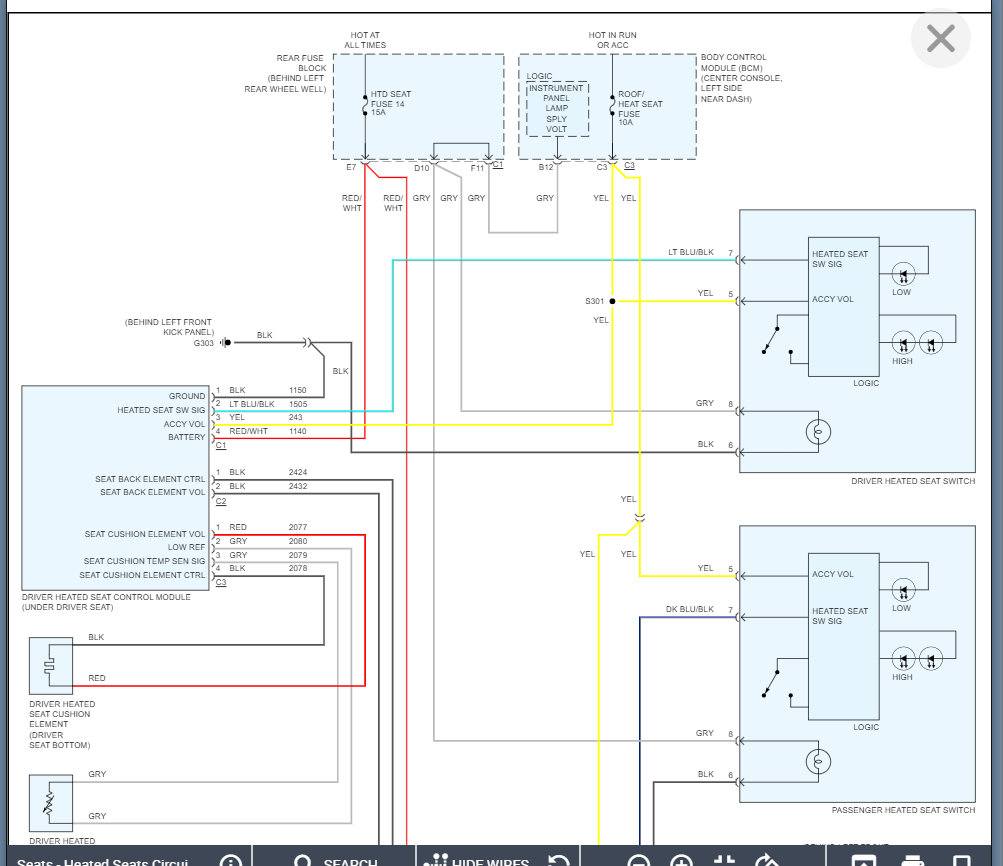
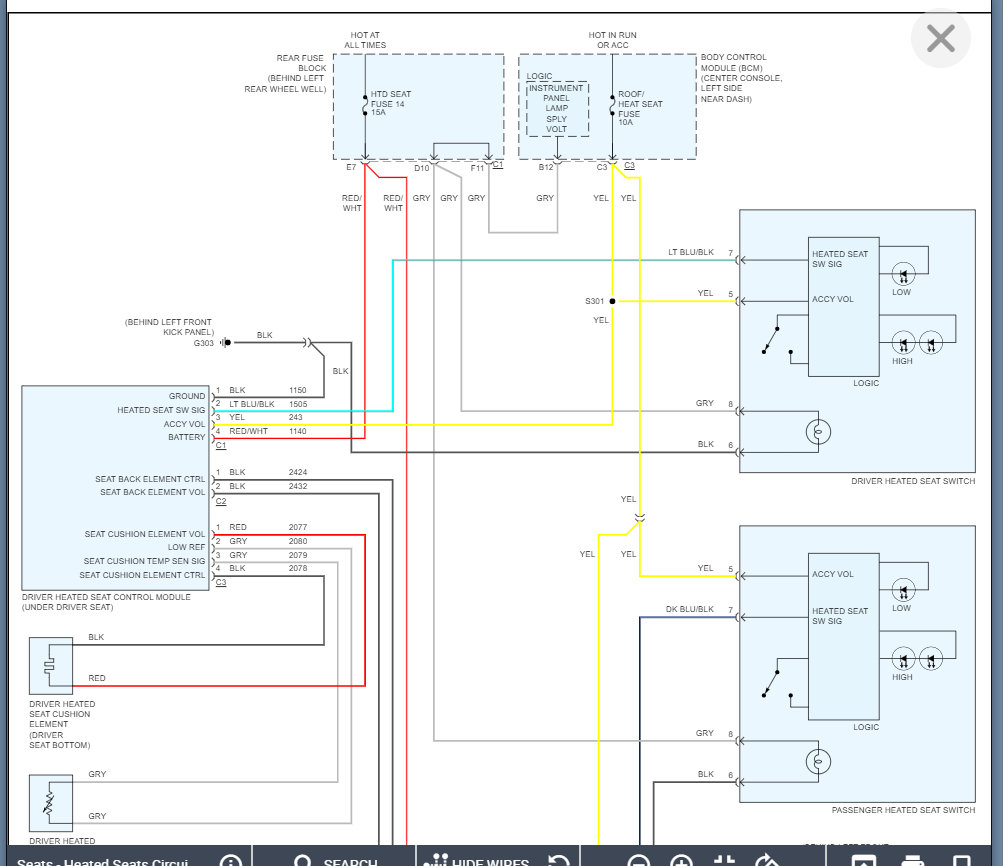
I am attaching the wiring diagram for the 2007 Aura just so that we are starting somewhere as I assume this is the seat you are using.

If you are going to wire this to an external switch, then you don't need to use any of the modules or switches shown below. Basically, there is a module that controls all this but there are also switches and on/off lights that are not on your vehicle so I would just wire this myself.

Basically, you want to get a 3-position toggle switch which will have off, low and high.

Otherwise, you can just do on and off if you don't want to get complicated.

https://www.2carpros.com/articles/how-to-use-a-voltmeter

So, what you want to do is run 12 volts to the switch and then out of the switch on the "on" circuit, you will want to install a resistor that will knock the voltage down until the heat is at the temperature that you want.

If you put straight 12 volts to it, then you will most likely damage the element or burn something.

Lastly make sure you install a 15A fuse between the battery and the switch.

If you try to use the module, then your vehicle will not have the proper wiring or control switches to get it to operate so I would not try this route.

Take a look at the wiring diagram below and let me know if you are trying to do something different.

Thanks
Was this
answer
helpful?
Yes
No
Monday, June 27th, 2022 AT 8:05 AM
Tiny
GOTSCOUT
  • MEMBER
  • 6 POSTS
You assumed wrong "I assume you have the Aura seat installed in the L200?".
It is being installed in a 1974 International Harvester Scout II 4x4 truck. Also, I have both L200 seats and Aura seats to modify/adapt for application.
Was this
answer
helpful?
Yes
No
Monday, June 27th, 2022 AT 8:33 AM
Tiny
KASEKENNY
  • MECHANIC
  • 18,907 POSTS
Okay. I am not sure how I would have known it was going into that kind of vehicle. Looks good.

So, if that is the case, then you can make your own circuit for whatever seat you want. Again, it only requires power and ground to actually run the heater. The heater is nothing more than a wire that will heat up when current is run through it. So, you need to get that current to the heater and as I said, drop the voltage to the temp point that you like.

If you want to get more complicated, you can put multiple circuits, or even a different style switch with built-in resistors. Your options are endless.
Was this
answer
helpful?
Yes
No
Monday, June 27th, 2022 AT 7:38 PM
Tiny
GOTSCOUT
  • MEMBER
  • 6 POSTS
Okay. So, what breaks the Low from High temperature settings. Assuming I straight wire and skip the brain boxes and thermistors. Whatever the those are! Should I run dual buck converters on each circuit (high/low) and set them to (fill in the blank. I'm spit balling) 9.5V low / 12.3V high? And what about a timer? Thank you.
Oh, and look at this. There was a burn at the connector. I have not done a continuity test at the plugs yet to check for a burn break in the pads. But assuming there won't be since the burn was clearly here.

Do I need (should I use?) The dial switch? Assuming it has a rheostat or similar. Or does it tell the brain box what to output? Or just a lit warning ON-OFF-ON toggle? Thanks!

Oh, and this PSS thing. That is just the ass in a seat trigger for the airbags or something right?
Was this
answer
helpful?
Yes
No
Monday, June 27th, 2022 AT 9:40 PM
Tiny
GOTSCOUT
  • MEMBER
  • 6 POSTS
Others. (Usually manual)
Was this
answer
helpful?
Yes
No
Monday, June 27th, 2022 AT 9:46 PM
Tiny
KASEKENNY
  • MECHANIC
  • 18,907 POSTS
If it were me, I would just create my own controls and not worry about trying to get all the vehicle controls working.

Yes, I would use whatever switch you want for appearance reasons because if you are just powering the heater through your own source then you don't need to mess with any of the controls or wiring.

So, the voltage is what you are going to have to experiment with. Some heater elements use 12 volts for high temperature and 9 volts for low. However, that may be too much for this system if they use a lower voltage.

So, you are going to have to hook it up and test it for a short time. As for timers, you can do that as well but that would just require a switch that has a timer built into it. You don't need to add anything special to the circuit due to your application you are putting it in.

As for the other harness, yes that appears to be for the seat sensor or airbag system.
Was this
answer
helpful?
Yes
No
Tuesday, June 28th, 2022 AT 10:22 AM
Tiny
GOTSCOUT
  • MEMBER
  • 6 POSTS
Awesome, thanks. Any thoughts on that burn or the reason?
Was this
answer
helpful?
Yes
No
Tuesday, June 28th, 2022 AT 11:50 AM
Tiny
KASEKENNY
  • MECHANIC
  • 18,907 POSTS
The only way a wire or connector will get burned like that is a short to ground.

So, if that was part of the seat heater, I would suspect that the heater failed and shorted to ground. I would check and make sure there is continuity through the element.
Was this
answer
helpful?
Yes
No
Tuesday, June 28th, 2022 AT 12:10 PM
Tiny
GOTSCOUT
  • MEMBER
  • 6 POSTS
My thoughts as well. Thanks.
Was this
answer
helpful?
Yes
No
Tuesday, June 28th, 2022 AT 3:25 PM

Please login or register to post a reply.