Dome lights not working properly

Tiny
PLESS STUESSY
  • MEMBER
  • 2012 TOYOTA SIENNA
  • 3.5L
  • 6 CYL
  • 2WD
  • AUTOMATIC
  • 96,000 MILES
All fuses are good. New relay. Dome lights will only come on if you jumper them in the fuse box where the relay is.
Friday, April 23rd, 2021 AT 12:48 PM

1 Reply

Tiny
JACOBANDNICKOLAS
  • MECHANIC
  • 110,192 POSTS
Hi,

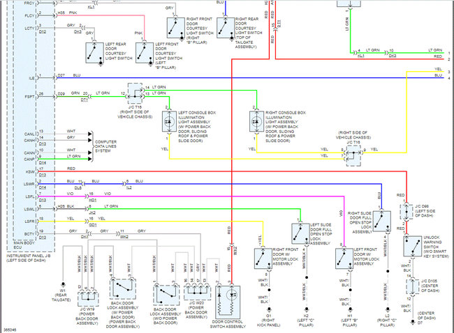
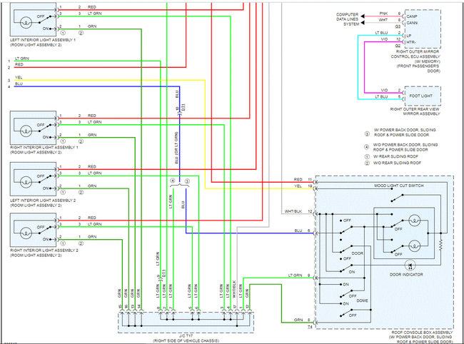
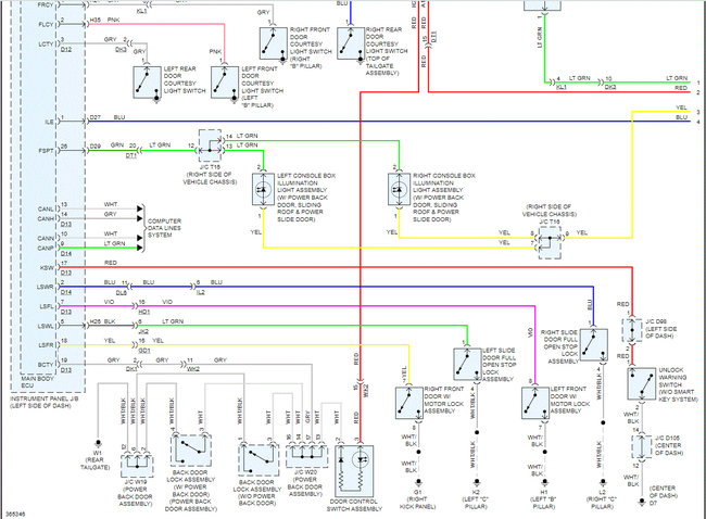
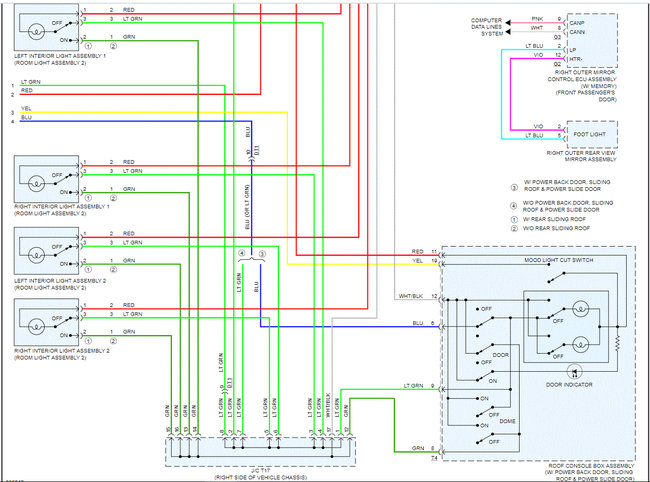
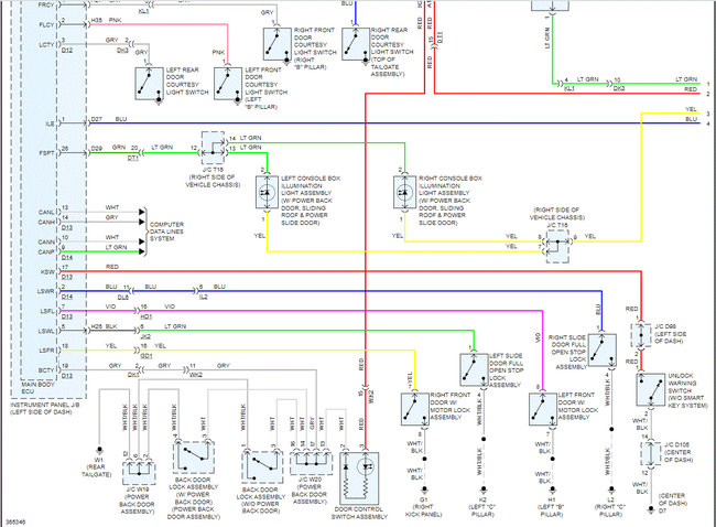
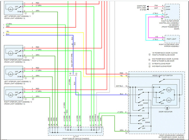
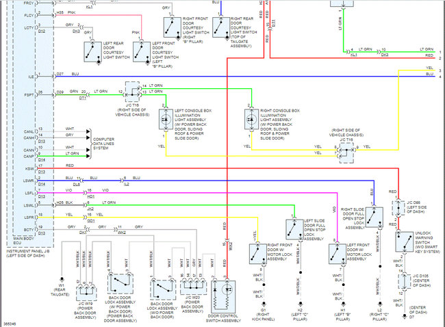
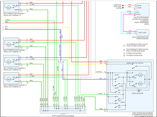
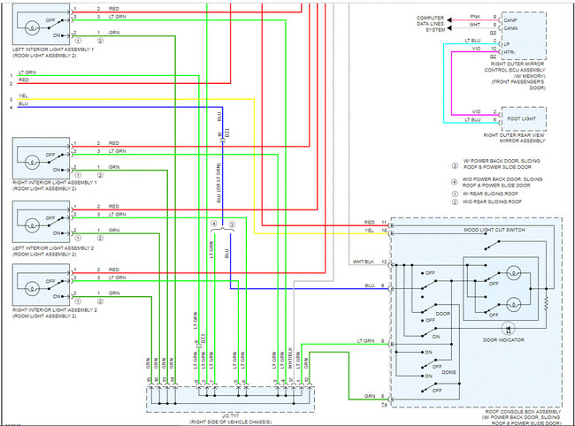
I need to know which pins you are jumping. If you look below, I attached the entire wiring schematic for the dome lights/interior courtesy lighting. Let me know which you are jumping. I have a feeling it is pins 3 and 5 in the pic. If that is the case, I need you to check the purple wire (pin 1) for power when the door is open.

Here is a link you may find helpful:

https://www.2carpros.com/articles/how-to-check-wiring

Let me know what you find.

Take care,
Joe

See pics below.
Was this
answer
helpful?
Yes
No
Friday, April 23rd, 2021 AT 7:40 PM

Please login or register to post a reply.