Dome light and map lights do not work

Tiny
MLAP
  • MEMBER
  • 2013 HONDA CRV
  • 2.4L
  • 4 CYL
  • 2WD
  • AUTOMATIC
  • 25,000 MILES
Neither map lights or the dome light works with either the door open or turning on the switch manually. The fuse and light bulbs are all good. The schematic shows an interior light cut relay, but I cannot find it. Looked in the owner’s manual but there is no reference to this relay. Any help in locating this relay would be appreciated.
Monday, October 11th, 2021 AT 12:09 PM

3 Replies

Tiny
KASEKENNY
  • MECHANIC
  • 18,907 POSTS
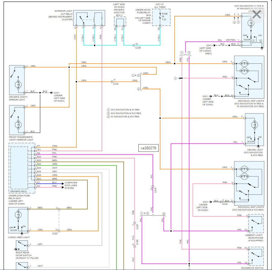
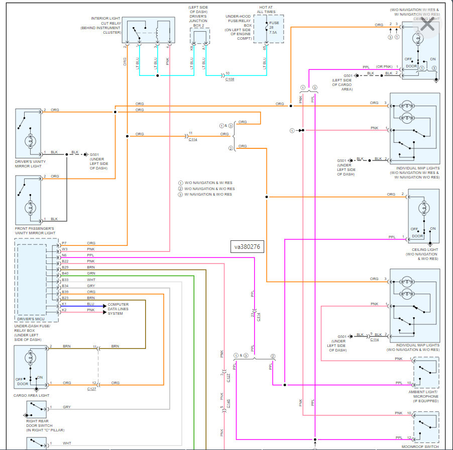
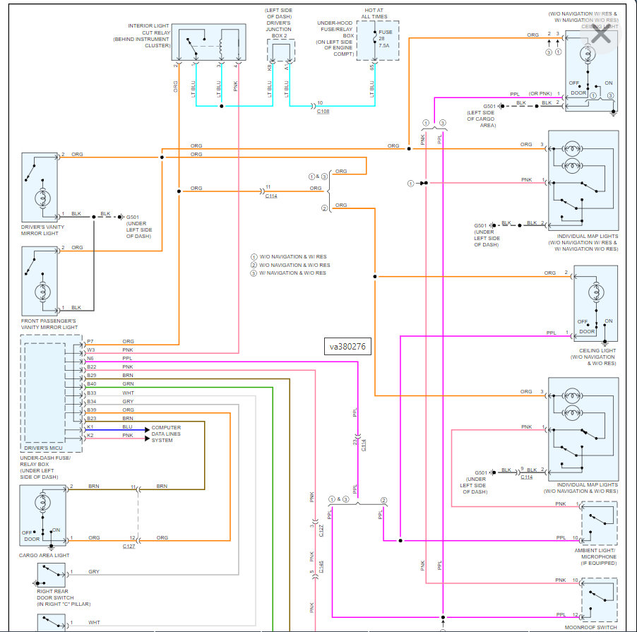
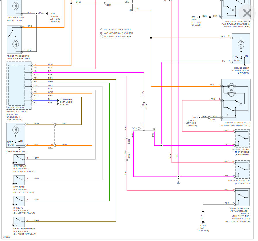
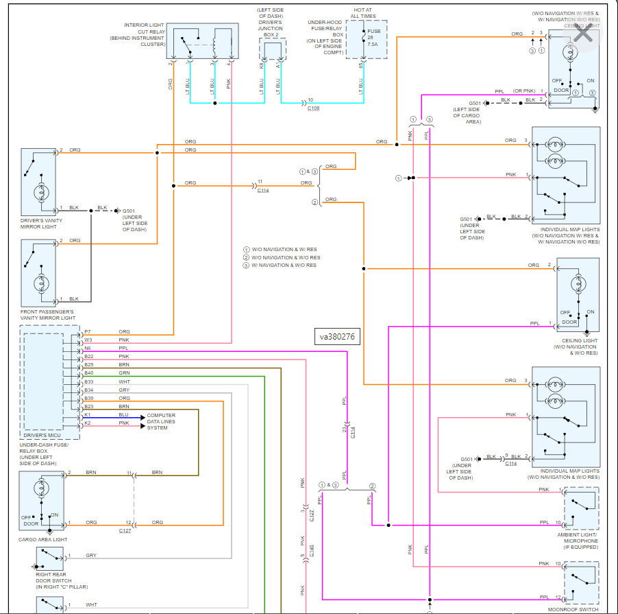
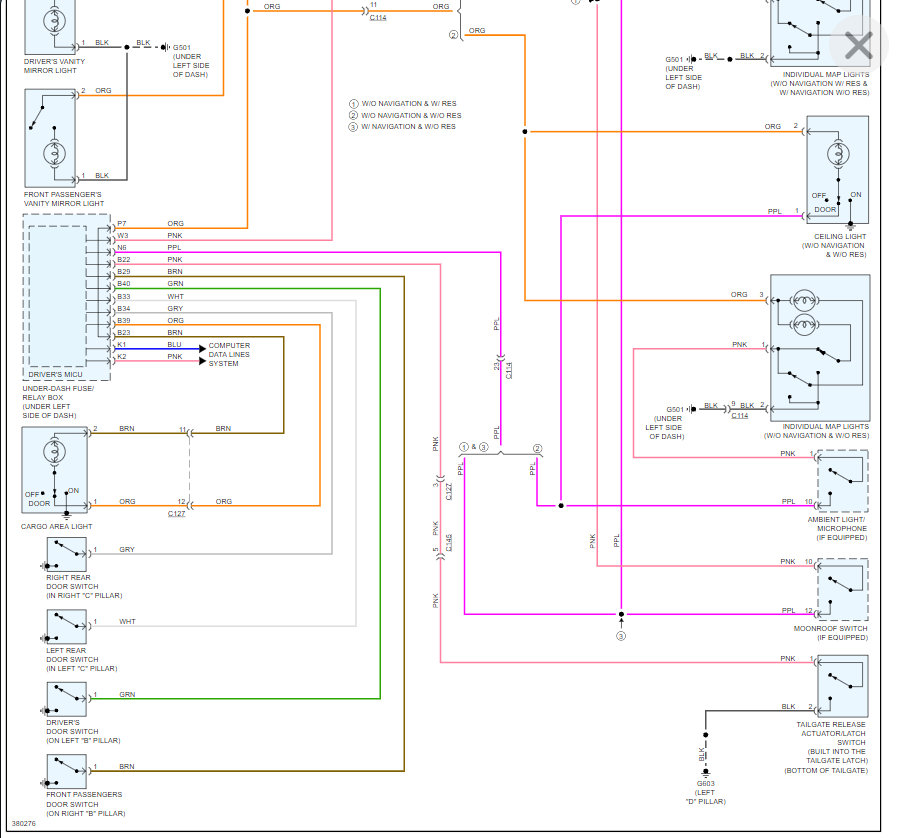
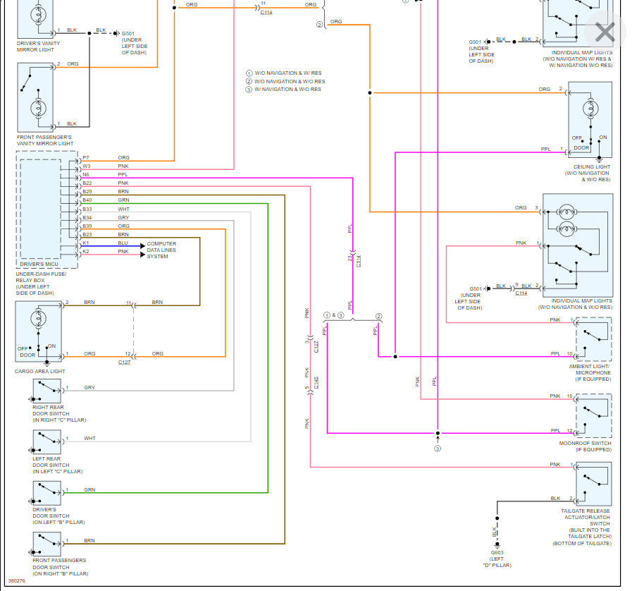
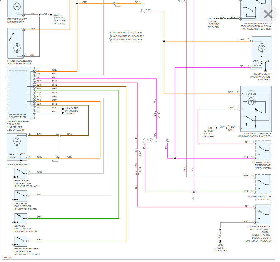
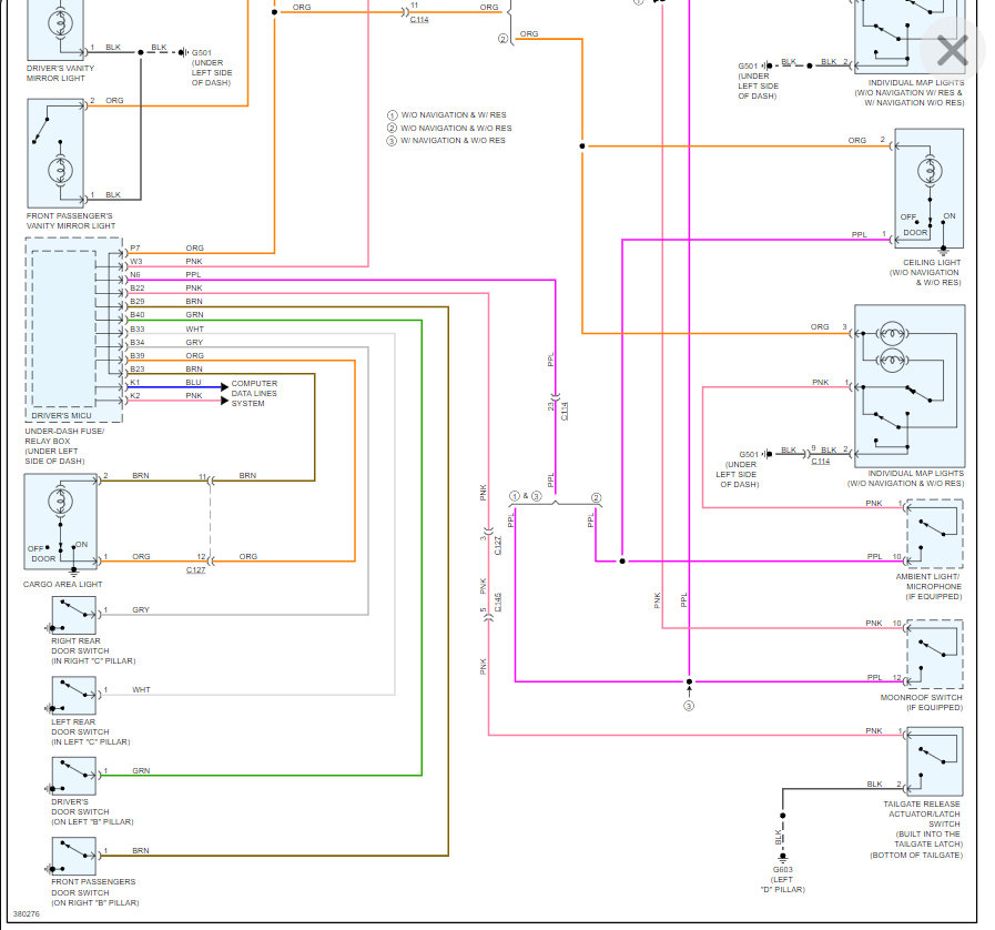
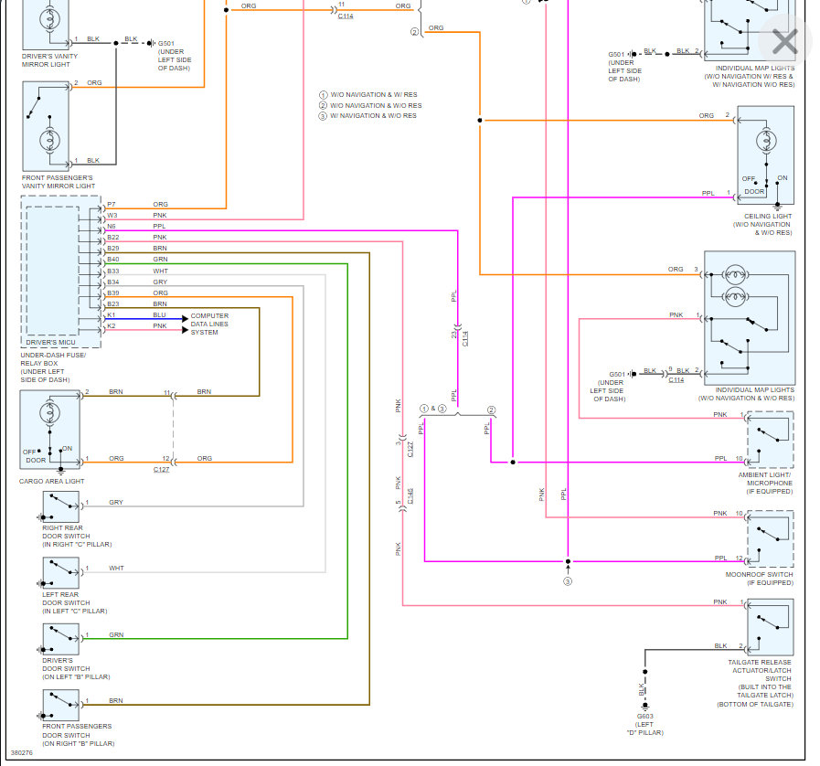
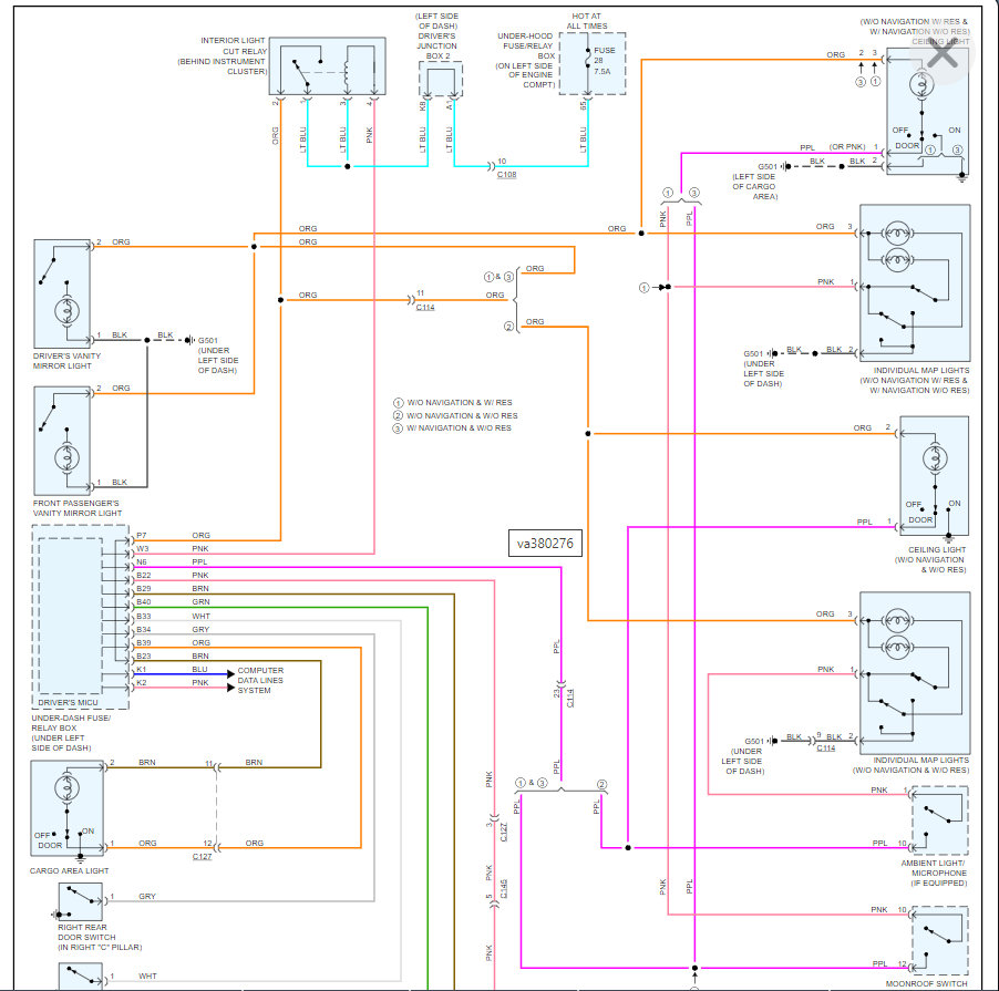
You are correct that there is a cut relay behind the instrument cluster but this feeds more than just the dome light and map lights so it is likely not the issue.

What I would do is access one of the two lights and check for power. More than likely there is no power, so we need to start tracing the wiring back to where you do have power. I am attaching the wiring diagram below that will help with this.

https://www.2carpros.com/articles/how-to-check-wiring

There are a number of splices so I am thinking we could have a wiring issue, but we need to start with making sure we have no voltage at the lamps.

Also, do you have navigation or RES? That will change which wiring is involved.

The ultimate solution may be running a new wire so that we can restore power but let's take it step by step.

I also attached the location of this relay if you would like to check it as well. You may be able to access it from laying on your back and looking up under the dash.
Was this
answer
helpful?
Yes
No
Monday, October 11th, 2021 AT 6:44 PM
Tiny
MLAP
  • MEMBER
  • 2 POSTS
Kasekenny1,

Thank you for the diagram and location. I was able to locate and remove the relay. Unfortunately, I halfway took off the top of the relay. I ordered a replacement relay and when it arrived, I put voltage on the coil and checked continuity on the contacts and both the old and new relays worked correctly. I put a test light on the pin for the relay and one side of the contact and I had power. When I installed the relay, I heard a click, so I believe the relay engaged. Unfortunately, neither the map lights nor dome light started working. I removed the dome light and checked for power or ground and didn’t have either one. I almost got my arm stuck under the dashboard trying to remove the relay, so I think I am going to call it quits on resolving this problem. I wanted to let you know what I did and thank you for your help.
Was this
answer
helpful?
Yes
No
+1
Sunday, October 17th, 2021 AT 12:04 PM
Tiny
KASEKENNY
  • MECHANIC
  • 18,907 POSTS
I totally understand and sorry that it is not resolved. Thanks for letting us know what happened and updating the status.

Please come back to 2CarPros in the future. Thanks again.
Was this
answer
helpful?
Yes
No
+1
Sunday, October 17th, 2021 AT 2:15 PM

Please login or register to post a reply.