Wednesday, November 17th, 2021 AT 2:44 PM
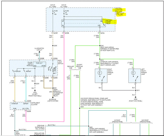
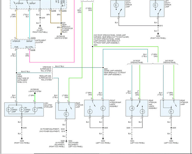
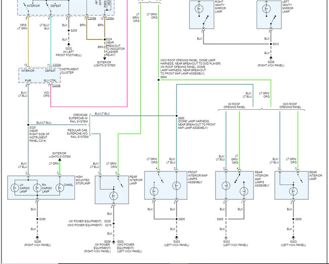
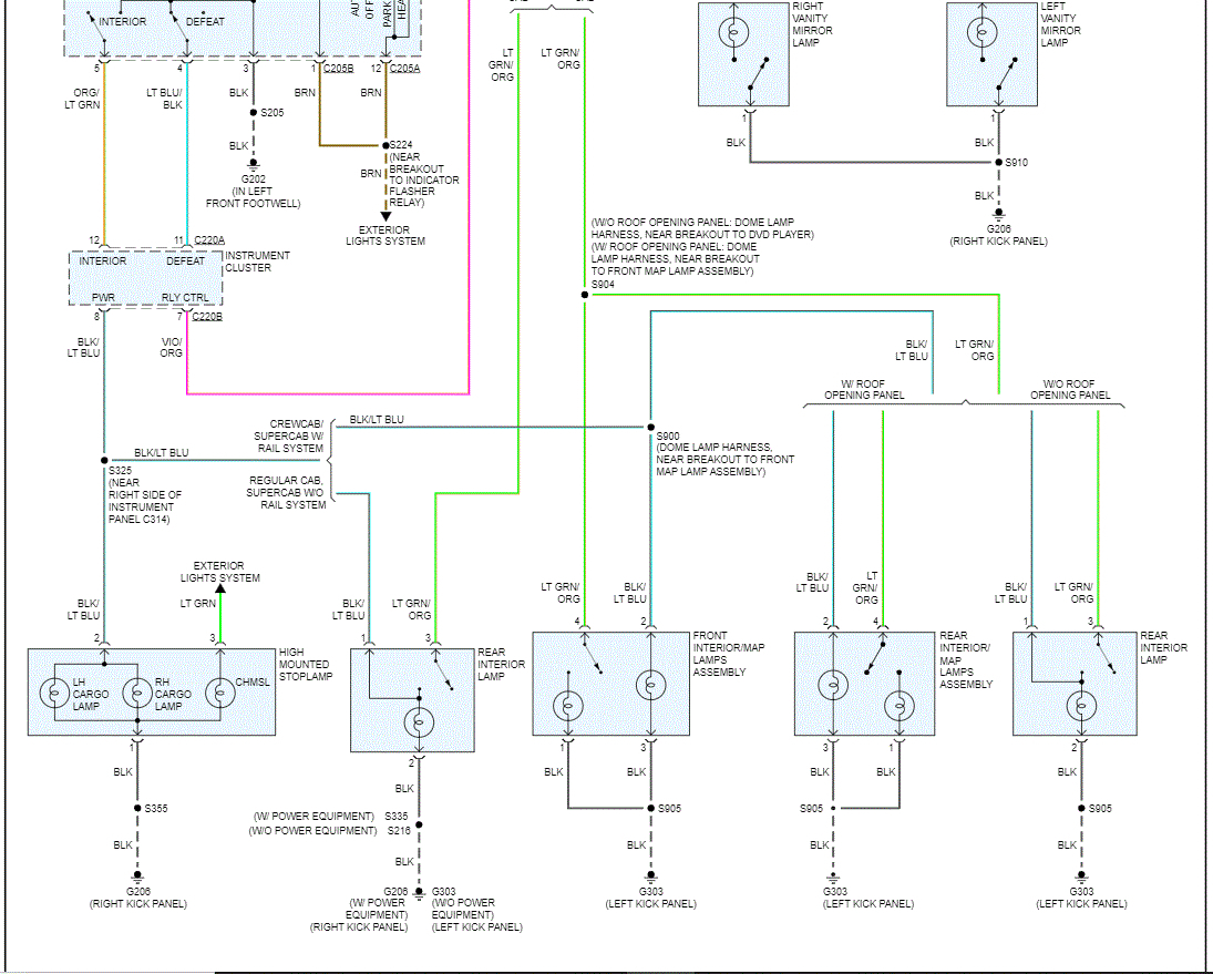
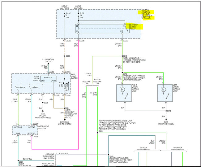
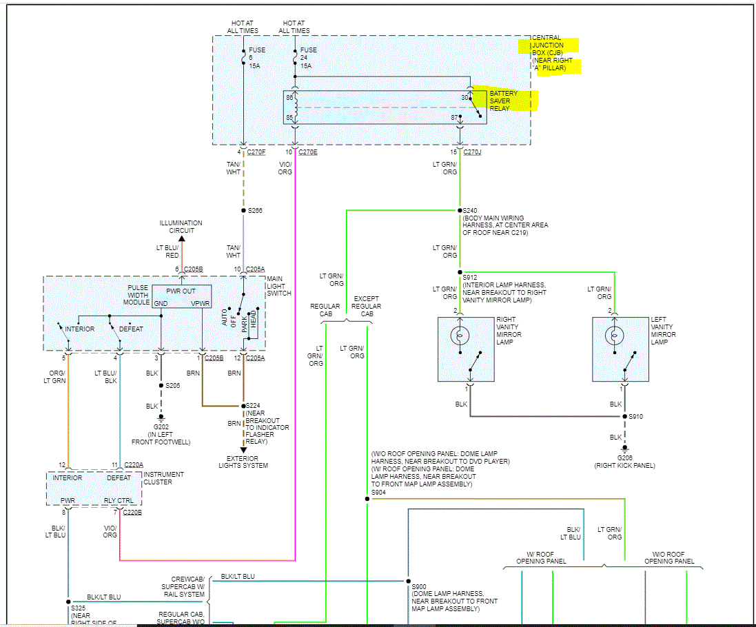
My symptoms are; when driving sometimes parked for hours and the dome lights and rear box lights come on, no door ajar light comes on. Last time driving it turned on and turned the switch on and off and light went off. Today a service guy came and said my dome lights were on. Looked hour later and they were off by them self. Question is, do you think it is the dimmer switch? I'm guessing it is. Thank you!




