Does this vehicle have a fuel shut off switch?

Tiny
ANGELO SANTIAGO
  • MEMBER
  • 1997 GMC SUBURBAN
  • 5.3L
  • V8
  • 4WD
  • AUTOMATIC
  • 249,000 MILES
Crank no start. Not getting fuel to my engine no pressure when checking for pressure. Not even running when I put gas in the carburetor. Just does the 1997 Suburban have a fuel shut off switch and if so where is it located?
Friday, September 12th, 2025 AT 10:50 PM

5 Replies

Tiny
STEVE W.
  • MECHANIC
  • 15,701 POSTS
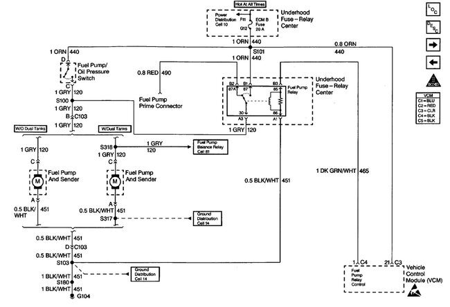
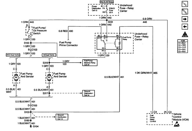
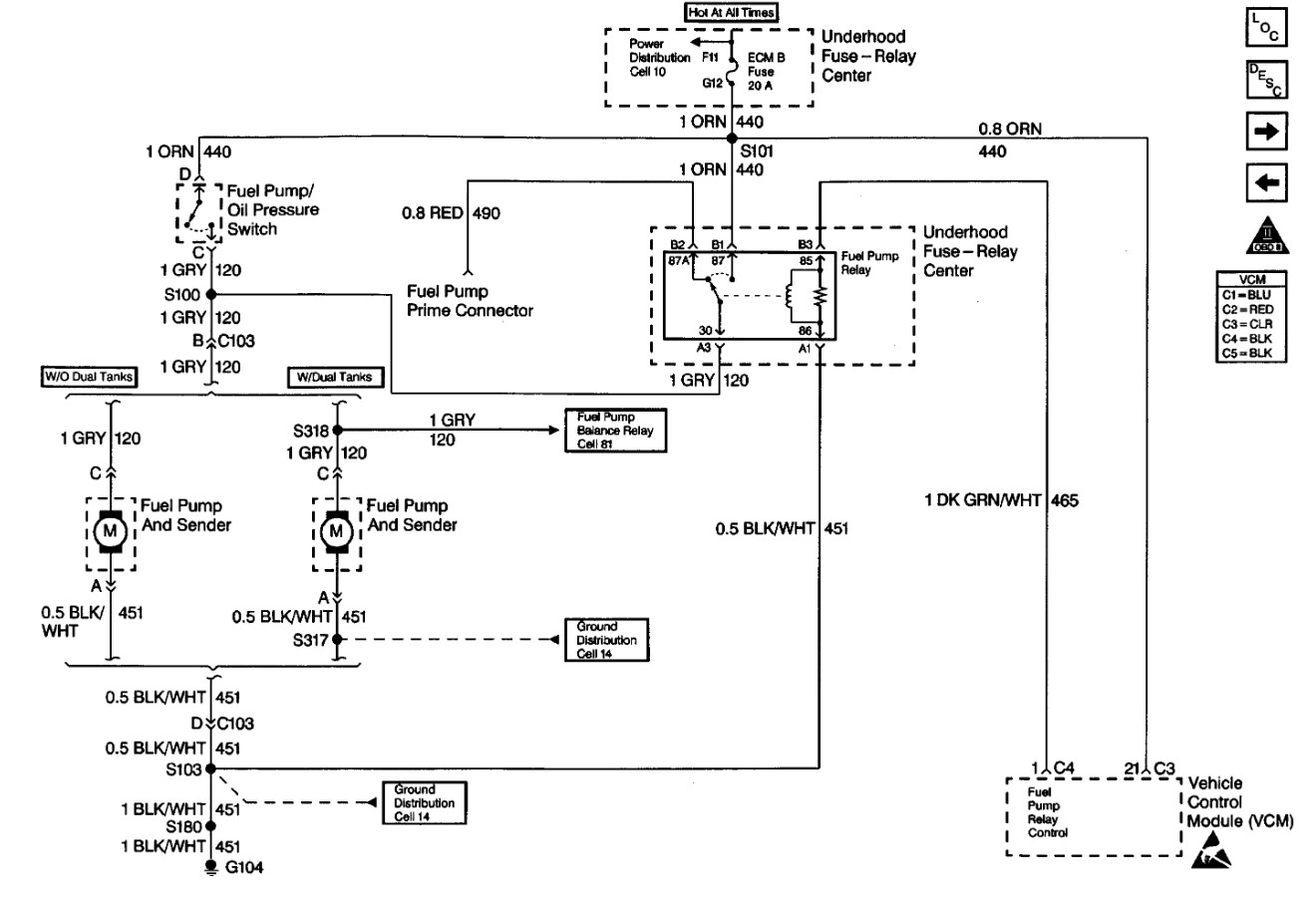
No fuel cut off on them other than the anti-theft. If it is the issue you normally see a security light on the dash and the engine would start and run for a few seconds then shut off. 1997 would have fuel injection so you would want to use starting spray as any gas dumped in it would just set in the manifold. If you used a pressure gauge to check the fuel pressure at the engine and had none then it is very likely the fuel pump. You can use the prime wire to feed it voltage as a test. However GM used a dual power feed to the pump, one goes through the relay to prime the system, then once the oil pressure comes up the oil pressure switch turns the pump on. So if you can crank the engine for a few seconds it should trigger the pump. So first thing is to check the fuse that feeds the pump, it is the ECM B fuse in the under hood box. If it fails you can get a crank no start as well.
Was this
answer
helpful?
Yes
No
+1
Friday, September 12th, 2025 AT 11:46 PM
Tiny
ANGELO SANTIAGO
  • MEMBER
  • 3 POSTS
Thank you for that information. I'm pretty sure it's my Crank shaft positioning sensor. I've had that problem before on a previous vehicle.
Was this
answer
helpful?
Yes
No
Saturday, September 13th, 2025 AT 4:26 AM
Tiny
STEVE W.
  • MECHANIC
  • 15,701 POSTS
That can cause a no start, but if you don't have fuel pressure at the injectors then that wouldn't be the CKP.
Was this
answer
helpful?
Yes
No
Saturday, September 13th, 2025 AT 6:28 AM
Tiny
ANGELO SANTIAGO
  • MEMBER
  • 3 POSTS
Okay, I'm 95% sure it's my ECM. I'm broke so I'm planning on getting one from pull n save. How difficult is it to swap and reinstall one? I know I have to match it up with my vehicle year and make but does it have to match up with the VIN?
Was this
answer
helpful?
Yes
No
Tuesday, September 16th, 2025 AT 10:29 AM
Tiny
STEVE W.
  • MECHANIC
  • 15,701 POSTS
They are not plug and play. You normally install them and then use a pass through connected to GM to set them up. What makes you sure it's the PCM? They normally don't just fail that way, they usually give signs first.
Was this
answer
helpful?
Yes
No
Tuesday, September 16th, 2025 AT 1:29 PM

Please login or register to post a reply.