Tried ignition, fuel pump kicks on, fires and nearly started. Added more fuel, fires up. And dies. Fires up once again and dies. And now it wont even turn over. I checked voltages going to the relays (good) and voltage going to the starter sollenoid (good).
Foolishly took off engine mount and removed the starter to bench test suspecting sollenoid I couldn't really get to. Works great on bench test (sollenoid too). I've replaced one of the relays in the interior panel and door lights come up so I know relays were getting destroyed. Tested some of the mini relays by multimeter and found the ignition and jumped and it turns but does not fire.
Question after all this is basically where to go from here concretely. I know corrosion is going to have a long-term effect, and likely all of the relays should be replaced. How likely are other sensors and ECU to be damaged? And if other relays are damaged and not replaced yet, do some of them control anything necessary for the motor to fire up?
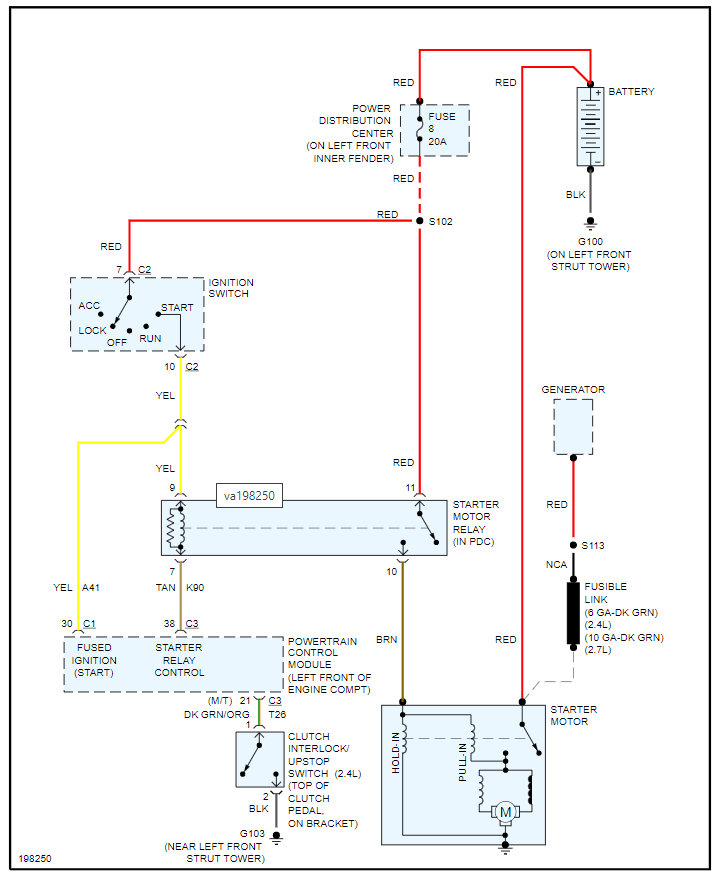
I have the teardown guide for the car, but it doesn't seem to have the electrical wiring diagram for start on:
`05 Stratus SXT 2.7l V6
Have to wait for relays, just trying to plan out what I'll still need to do for sure.
Thursday, February 12th, 2009 AT 6:01 PM


